LEMON Manuals: Even more car manuals for everyone: 1960-2025
Home >> Subaru >> 2019 >> Outback 3.6R Limited >> Repair and Diagnosis (Single Page) >> Engine Performance >> System >> Engine Control System (3.6L) (Diagnostics) (4 Of 4) >> Diagnostic Procedure with Diagnostic Trouble Code (DTC) >> DTC P2404: EVAP System Leak Detection Pump Sense Circuit Range/Performance >> Notes
April 5, 2026: LEMON Manuals is launched! Read the announcement.

DTC P2404: EVAP System Leak Detection Pump Sense Circuit Range/Performance: Notes

DTC detecting condition: 

Detected when two consecutive driving cycles with fault occur.

CAUTION:

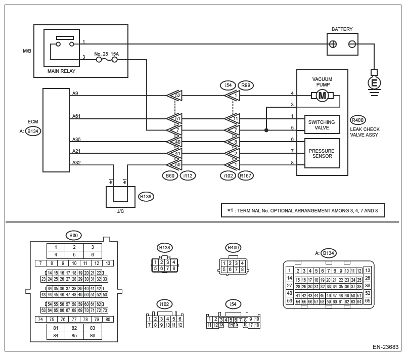
Wiring diagram: 

Engine Electrical System Ref. to WIRING SYSTEM>ENGINE ELECTRICAL SYSTEM>WIRING DIAGRAM .

G13252621Courtesy of SUBARU OF AMERICA, INC.
  1. CHECK DTC  .

    Read the engine DTC using the Subaru Select Monitor or general scan tool. Ref. to ENGINE (DIAGNOSTICS) (H6DO)>READ DIAGNOSTIC TROUBLE CODE (DTC) .

    Is other than DTC P2404 displayed? (Current malfunction)

    Yes: Check the appropriate DTC using the "List of Diagnostic Trouble Code (DTC)". Ref. to ENGINE (DIAGNOSTICS) (H6DO)>LIST OF DIAGNOSTIC TROUBLE CODE (DTC) .

    No: Go to  2 .

  2. CHECK LEAK CHECK VALVE ASSEMBLY PUMP  .

    Using the Subaru Select Monitor, operate the leak check valve assembly pump.

    NOTE: For detailed operation procedures, refer to the "Active Test". Ref. to ENGINE (DIAGNOSTICS) (H6DO)>ACTIVE TEST .

    Does the leak check valve assembly pump operate?

    Yes: Go to  6 .

    No: Go to  3 .

  3. CHECK POWER SUPPLY OF LEAK CHECK VALVE ASSEMBLY  .
    1. Turn the ignition switch to OFF.
    2. Disconnect the connector from the leak check valve assembly.
    3. Turn the ignition switch to ON.
    4. Measure the voltage between the leak check valve assembly connector and chassis ground.

    Connector & terminal 

    (R400) No. 3 (+) - Chassis ground (-):

    Is the voltage 10 V or more?

    Yes: Go to  4 .

    No: Repair the harness and connector.

    NOTE: In this case, repair the following item:
    • Open circuit in harness between the main relay and the leak check valve assembly connector
    • Poor contact of main relay connector
    • Poor contact of coupling connector
  4. CHECK HARNESS BETWEEN ECM AND LEAK CHECK VALVE ASSEMBLY CONNECTOR  .
    1. Turn the ignition switch to OFF.
    2. Disconnect the connector from ECM.
    3. Measure the resistance of harness between ECM connector and the leak check valve assembly connector.

    Connector & terminal 

    (B134) No. 9 - (R400) No. 4:

    Is the resistance less than 1 Ω?

    Yes: Go to  5 .

    No: Repair the harness and connector.

    NOTE: In this case, repair the following item:
    • Open circuit in harness between ECM connector and the leak check valve assembly connector
    • Poor contact of coupling connector
  5. CHECK HARNESS BETWEEN ECM AND LEAK CHECK VALVE ASSEMBLY CONNECTOR  .
    1. Measure the resistance of harness between ECM connector and chassis ground.

    Connector & terminal 

    (B134) No. 9 - Chassis ground:

    Is the resistance 1 MΩ or more?

    Yes: Replace the leak check valve assembly. Ref. to EMISSION CONTROL (AUX. EMISSION CONTROL DEVICES) (H6DO)>LEAK CHECK VALVE ASSEMBLY .

    No: Repair the short circuit to ground in harness between ECM connector and leak check valve assembly connector.

  6. CHECK LEAK CHECK VALVE ASSEMBLY SWITCHING VALVE  .

    Using the Subaru Select Monitor, operate the leak check valve assembly switching valve.

    NOTE: For detailed operation procedures, refer to the "Active Test". Ref. to ENGINE (DIAGNOSTICS) (H6DO)>ACTIVE TEST .

    Does the leak check valve assembly switching valve operate?

    Yes: Go to  10 .

    No: Go to  7 .

  7. CHECK POWER SUPPLY OF LEAK CHECK VALVE ASSEMBLY  .
    1. Turn the ignition switch to OFF.
    2. Disconnect the connector from the leak check valve assembly.
    3. Turn the ignition switch to ON.
    4. Measure the voltage between the leak check valve assembly connector and chassis ground.

    Connector & terminal 

    (R400) No. 5 (+) - Chassis ground (-):

    Is the voltage 10 V or more?

    Yes: Go to  8 .

    No: Repair the harness and connector.

    NOTE: In this case, repair the following item:
    • Open circuit in harness between the main relay and the leak check valve assembly connector
    • Poor contact of main relay connector
    • Poor contact of coupling connector
  8. CHECK HARNESS BETWEEN ECM AND LEAK CHECK VALVE ASSEMBLY CONNECTOR  .
    1. Turn the ignition switch to OFF.
    2. Disconnect the connector from ECM.
    3. Measure the resistance of harness between ECM connector and the leak check valve assembly connector.

    Connector & terminal 

    (B134) No. 61 - (R400) No. 1:

    Is the resistance less than 1 Ω?

    Yes: Go to  9 .

    No: Repair the harness and connector.

    NOTE: In this case, repair the following item:
    • Open circuit in harness between ECM connector and the leak check valve assembly connector
    • Poor contact of coupling connector
  9. CHECK HARNESS BETWEEN ECM AND LEAK CHECK VALVE ASSEMBLY CONNECTOR  .
    1. Measure the resistance of harness between ECM connector and chassis ground.

    Connector & terminal 

    (B134) No. 61 - Chassis ground:

    Is the resistance 1 MΩ or more?

    Yes: Replace the leak check valve assembly. Ref. to EMISSION CONTROL (AUX. EMISSION CONTROL DEVICES) (H6DO)>LEAK CHECK VALVE ASSEMBLY .

    No: Repair the short circuit to ground in harness between ECM connector and leak check valve assembly connector.

  10. CHECK EVAPORATIVE EMISSION CONTROL SYSTEM  .

    Perform drive cycle I. Ref. to ENGINE (DIAGNOSTICS) (H6DO)>DRIVE CYCLE>PROCEDURE>DRIVE CYCLE I .

    Is DTC P2404 displayed on the display? (Current malfunction)

    Yes: Replace the leak check valve assembly. Ref. to EMISSION CONTROL (AUX. EMISSION CONTROL DEVICES) (H6DO)>LEAK CHECK VALVE ASSEMBLY .

    No: Even if DTC is detected, the circuit has returned to a normal condition at this time. Reproduce the failure, and then perform the diagnosis again.

    NOTE: In this case, temporary poor contact of connector, temporary open or short circuit of harness may be the cause.