LEMON Manuals: Even more car manuals for everyone: 1960-2025
Home >> Subaru >> 2019 >> WRX Base >> Repair and Diagnosis >> Engine Performance >> System >> Engine Control System (Diagnostics) (Except For STI) (1 Of 4) >> Diagnostic Procedure With Diagnostic Trouble Code (DTC) >> DTC P0102: Mass Or Volume Air Flow Sensor "A" Circuit Low >> Notes
April 5, 2026: LEMON Manuals is launched! Read the announcement.

DTC P0102: Mass Or Volume Air Flow Sensor "A" Circuit Low: Notes

DTC detecting condition: 

Immediately at fault recognition

Trouble symptom: 

CAUTION:

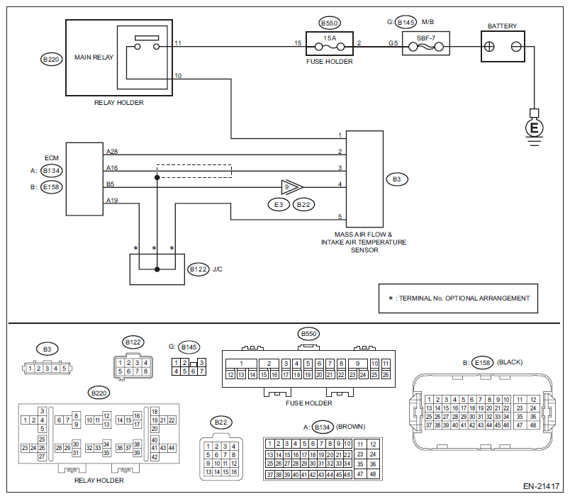
Wiring diagram: 

Engine Electrical System Refer to WIRING SYSTEM>ENGINE ELECTRICAL SYSTEM>WIRING DIAGRAM .

G11577062Courtesy of SUBARU OF AMERICA, INC.
  1. CHECK CURRENT DATA. 
    1. Start the engine.
    2. Read the value of «Air Flow Sensor Voltage» using Subaru Select Monitor.
      NOTE: For detailed operation procedures, refer to "Current Data Display For Engine". Refer to ENGINE (DIAGNOSTICS) (EXCEPT FOR STI)>SUBARU SELECT MONITOR .

    Is the value of «Air Flow Sensor Voltage» less than 0.2 V?

    Yes:  Go to  2.

    No:  Even if DTC is detected, the circuit has returned to a normal condition at this time. Reproduce the failure, and then perform the diagnosis again.

    NOTE: In this case, temporary poor contact of connector, temporary open or short circuit of harness may be the cause.
  2. CHECK POWER SUPPLY OF MASS AIR FLOW AND INTAKE AIR TEMPERATURE SENSOR. 
    1. Turn the ignition switch to OFF.
    2. Disconnect the connectors from the mass air flow and intake air temperature sensor.
    3. Turn the ignition switch to ON.
    4. Measure the voltage between mass air flow and intake air temperature sensor connector and engine ground.

    Connector & terminal 

    (B3) No. 1 (+) - Engine ground (-):

    Is the voltage 10 V or more?

    Yes:  Go to  3.

    No:  Repair the harness and connector.

    NOTE: In this case, repair the following item:
    • Open circuit in harness between main relay and mass air flow and intake air temperature sensor connector
    • Poor contact of main relay connector
  3. CHECK HARNESS BETWEEN ECM AND MASS AIR FLOW AND INTAKE AIR TEMPERATURE SENSOR CONNECTOR. 
    1. Turn the ignition switch to OFF.
    2. Disconnect the connector from ECM.
    3. Measure the resistance of harness between ECM connector and the mass air flow and intake air temperature sensor connector.

    Connector & terminal 

    (B134) No. 16 - (B3) No. 3:

    Is the resistance less than 1 Ω?

    Yes:  Go to  4.

    No:  Repair the open circuit of harness between ECM connector and the mass air flow and intake air temperature sensor connector.

  4. CHECK HARNESS BETWEEN ECM AND MASS AIR FLOW AND INTAKE AIR TEMPERATURE SENSOR CONNECTOR. 

    Measure the resistance between the ECM connector and engine ground.

    Connector & terminal 

    (B134) No. 16 - Engine ground:

    Is the resistance 1 MΩ or more?

    Yes:  Go to  5.

    No:  Repair the ground short circuit of harness between ECM connector and the mass air flow and intake air temperature sensor connector.

  5. CHECK FOR POOR CONTACT. 

    Check for poor contact of ECM and mass air flow and intake air temperature sensor connector.

    Is there poor contact of ECM or mass air flow and intake air temperature sensor connector?

    Yes:  Repair the poor contact of ECM or mass air flow and intake air temperature sensor connector.

    No:  Replace the mass air flow and intake air temperature sensor. Refer to FUEL INJECTION (FUEL SYSTEMS) (EXCEPT FOR STI)>MASS AIR FLOW AND INTAKE AIR TEMPERATURE SENSOR .