LEMON Manuals: Even more car manuals for everyone: 1960-2025
Home >> Subaru >> 2019 >> WRX Base >> Repair and Diagnosis >> Engine Performance >> System >> Engine Control System (Diagnostics) (Except For STI) (3 Of 4) >> Diagnostic Procedure With Diagnostic Trouble Code (DTC) >> DTC P1498: Coil 4 EGR "A" Control Circuit Low >> Notes
April 5, 2026: LEMON Manuals is launched! Read the announcement.

DTC P1498: Coil 4 EGR "A" Control Circuit Low: Notes

DTC detecting condition: 

Immediately at fault recognition

Trouble symptom: 

CAUTION:

Wiring diagram: 

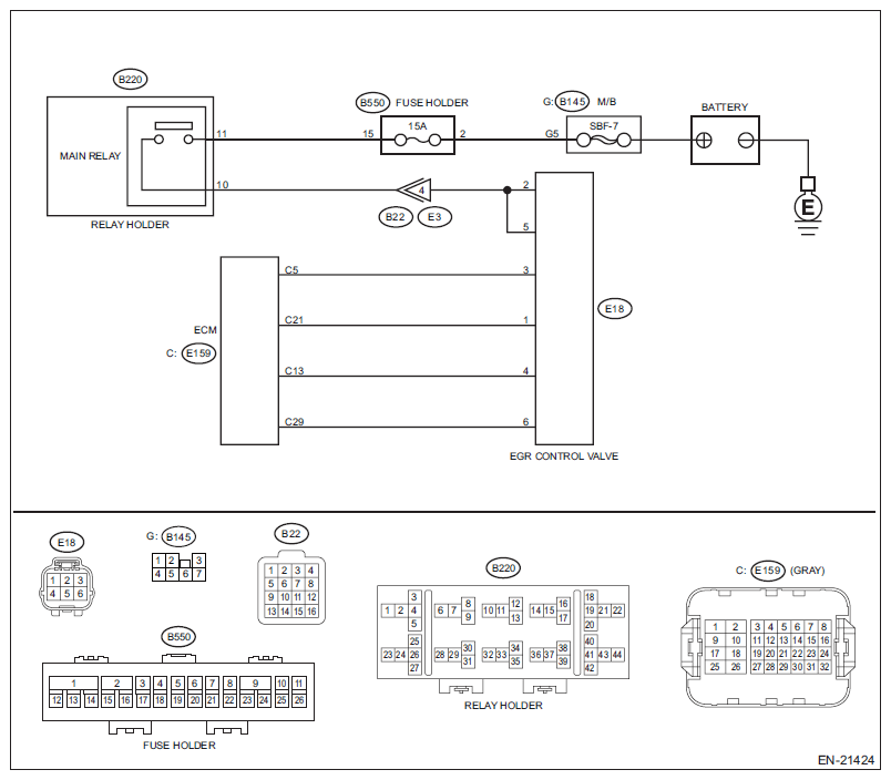
Engine Electrical System Refer to WIRING SYSTEM>ENGINE ELECTRICAL SYSTEM>WIRING DIAGRAM .

G11577222Courtesy of SUBARU OF AMERICA, INC.
  1. CHECK POWER SUPPLY TO EGR CONTROL VALVE. 
    1. Turn the ignition switch to OFF.
    2. Disconnect the connector from the EGR control valve.
    3. Turn the ignition switch to ON.
    4. Measure the voltage between EGR control valve connector and engine ground.

      Connector & terminal 

      (E18) No. 2 (+) - Engine ground (-):

      (E18) No. 5 (+) - Engine ground (-):

    Is the voltage 10 V or more?

    Yes:  Go to  2.

    No:  Repair the harness and connector.

    NOTE: In this case, repair the following item:
    • Open circuit in harness between EGR control valve and main relay connector
    • Poor contact of coupling connector
  2. CHECK HARNESS BETWEEN ECM AND EGR CONTROL VALVE CONNECTOR. 
    1. Turn the ignition switch to OFF.
    2. Disconnect the connector from ECM.
    3. Measure the resistance between ECM connector and EGR control valve connector.

      Connector & terminal 

      DTC P1492; (E159) No. 5 - (E18) No. 3:

      DTC P1494; (E159) No. 21 - (E18) No. 1:

      DTC P1496; (E159) No. 13 - (E18) No. 4:

      DTC P1498; (E159) No. 29 - (E18) No. 6:

    Is the resistance less than 1 Ω?

    Yes:  Go to  3.

    No:  Repair the open circuit of the harness between the ECM connector and EGR control valve connector.

  3. CHECK HARNESS BETWEEN ECM AND EGR CONTROL VALVE CONNECTOR. 
    1. Disconnect the connector from ECM.
    2. Measure the resistance between the ECM connector and engine ground.

      Connector & terminal 

      DTC P1492; (E159) No. 5 - Engine ground:

      DTC P1494; (E159) No. 21 - Engine ground:

      DTC P1496; (E159) No. 13 - Engine ground:

      DTC P1498; (E159) No. 29 - Engine ground:

    Is the resistance 1 MΩ or more?

    Yes:  Go to  4.

    No:  Repair ground short circuit of harness between ECM connector and EGR control valve connector.

  4. CHECK FOR POOR CONTACT. 

    Check for poor contact between ECM connector and EGR control valve connector.

    Is there poor contact in ECM or EGR control valve connector?

    Yes:  Repair the poor contact of ECM or EGR control valve connector.

    No:  Replace EGR control valve. Refer to EMISSION CONTROL (AUX. EMISSION CONTROL DEVICES) (EXCEPT FOR STI)>EGR CONTROL VALVE .