LEMON Manuals: Even more car manuals for everyone: 1960-2025
Home >> Subaru >> 2020 >> Forester Touring >> Repair and Diagnosis >> Engine Performance >> System >> Engine Control System (Diagnostics) (4 Of 4) >> Diagnostic Procedure with Diagnostic Trouble Code (DTC) >> DTC P2420: EVAP System Switching Valve Control Circuit High >> Notes
April 5, 2026: LEMON Manuals is launched! Read the announcement.

DTC P2420: EVAP System Switching Valve Control Circuit High: Notes

1. - 

DTC detecting condition: 

Immediately at fault recognition

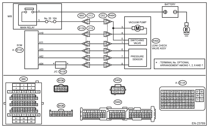
Wiring diagram: 

Engine Electrical System Ref. to WIRING SYSTEM>ENGINE ELECTRICAL SYSTEM .

G13589485Courtesy of SUBARU OF AMERICA, INC.
CAUTION: Use the check board when measuring the ECM terminal voltage and resistance. HEI Ref. to ENGINE (DIAGNOSTICS) (H4DO)>GENERAL DESCRIPTION>PREPARATION TOOL>HOW TO USE CHECK BOARD .
NOTE: After the faulty parts are repaired or replaced, perform the final check in Basic Diagnostic Procedure. Ref. to ENGINE (DIAGNOSTICS) (H4DO)>BASIC DIAGNOSTIC PROCEDURE>PROCEDURE .
G13589486Courtesy of SUBARU OF AMERICA, INC.
  1. CHECK HARNESS BETWEEN ECM AND LEAK CHECK VALVE ASSEMBLY (SHORT TO POWER SUPPLY). 
    1. Turn the ignition switch to OFF.
    2. Disconnect the connector from the leak check valve assembly.
    3. Turn the ignition switch to ON.
    4. Measure the voltage between leak check valve assembly and chassis ground.

      Connector & terminal 

      (R400) No. 1 (+) - Chassis ground (-):

    Is the voltage 10 V or more?

    Yes:  Repair the short circuit to power in harness between ECM connector and leak check valve assembly connector.

    No:  Go to  2.

  2. CHECK LEAK CHECK VALVE ASSEMBLY. 
    1. Turn the ignition switch to OFF.
    2. Check the switching valve of the leak check valve assembly. Ref. to EMISSION CONTROL (AUX. EMISSION CONTROL DEVICES) (H4DO)>LEAK CHECK VALVE ASSEMBLY>INSPECTION>CHECK SWITCHING VALVE .

      Is the check result OK?

      Yes:  Repair the poor contact in the leak check valve assembly connector.

      No:  Replace the leak check valve assembly. Ref. to EMISSION CONTROL (AUX. EMISSION CONTROL DEVICES) (H4DO)>LEAK CHECK VALVE ASSEMBLY .