LEMON Manuals: Even more car manuals for everyone: 1960-2025
Home >> Subaru >> 2020 >> Outback Limited XT >> Repair and Diagnosis (Single Page) >> Engine Performance >> System >> Engine Control System (Diagnostics) (2.4L) (1 Of 4) >> Diagnostic Procedure with Diagnostic Trouble Code (DTC) >> DTC P0134: A/F/O2 Sensor Circuit No Activity Detected Bank 1 Sensor 1 >> Notes
April 5, 2026: LEMON Manuals is launched! Read the announcement.

DTC P0134: A/F/O2 Sensor Circuit No Activity Detected Bank 1 Sensor 1: Notes

  1. DTC detecting condition: 

    Immediately at fault recognition

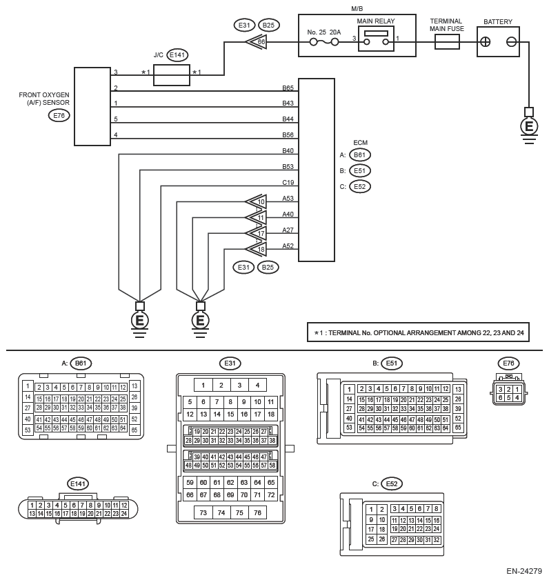
    Wiring diagram: 

    Engine Electrical System. Refer to WIRING SYSTEM>ENGINE ELECTRICAL SYSTEM .

    G13627401Courtesy of SUBARU OF AMERICA, INC.
    CAUTION: Use the check board when measuring the ECM terminal voltage and resistance. Refer to ENGINE (DIAGNOSTICS) (H4DOTC)>GENERAL DESCRIPTION>PREPARATION TOOL>HOW TO USE CHECK BOARD .
    NOTE: After the faulty parts are repaired or replaced, perform the final check in Basic Diagnostic Procedure. Refer to ENGINE (DIAGNOSTICS) (H4DOTC)>Basic Diagnostic Procedure>PROCEDURE .
  1. CHECK HARNESS BETWEEN ECM AND FRONT OXYGEN (A/F) SENSOR CONNECTOR (OPEN)  .
    1. Turn the ignition switch to OFF.
    2. Disconnect the connector from ECM.
    3. Disconnect the connector from the front oxygen (A/F) sensor.
    4. Measure the resistance of harness between ECM connector and front oxygen (A/F) sensor connector.

      Connector & terminal 

      (E51) No. 43 - (E76) No. 1:

      (E51) No. 56 - (E76) No. 4:

      (E51) No. 44 - (E76) No. 5:

      Is the resistance less than 1 Ω?

      Yes  : Go to  2.

      No  : Repair the open circuit of harness between ECM connector and front oxygen (A/F) sensor connector.

  2. CHECK FOR POOR CONTACT  .

    Check for poor contact of ECM and front oxygen (A/F) sensor connector.

    Is there poor contact of ECM or front oxygen (A/F) sensor connector?

    Yes  : Repair the poor contact of ECM or front oxygen (A/F) sensor connector.

    No  : Replace the front oxygen (A/F) sensor. Refer to FUEL INJECTION (FUEL SYSTEMS) (H4DOTC)>FRONT OXYGEN (A/F) SENSOR .