LEMON Manuals: Even more car manuals for everyone: 1960-2025
Home >> Subaru >> 2020 >> Outback Limited XT >> Repair and Diagnosis (Single Page) >> Engine Performance >> System >> Engine Control System (Diagnostics) (2.4L) (2 Of 4) >> Diagnostic Procedure with Diagnostic Trouble Code (DTC) >> DTC P0512: Starter (Switch) Request Circuit >> Model Without Push Button Start
April 5, 2026: LEMON Manuals is launched! Read the announcement.

Model Without Push Button Start

DTC detecting condition: 

Immediately at fault recognition

Trouble symptom: 

Failure of engine to start

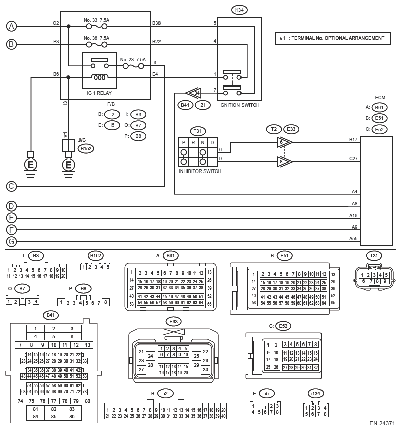
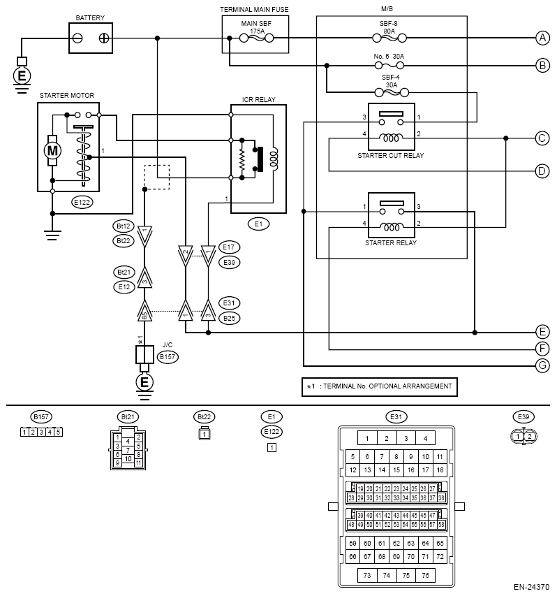
Wiring diagram: 

Engine Electrical System Refer to WIRING SYSTEM>ENGINE ELECTRICAL SYSTEM .

G13629905Courtesy of SUBARU OF AMERICA, INC.
G13629906Courtesy of SUBARU OF AMERICA, INC.
CAUTION: Use the check board when measuring the ECM terminal voltage and resistance. Refer to ENGINE (DIAGNOSTICS) (H4DOTC)>GENERAL DESCRIPTION>PREPARATION TOOL>HOW TO USE CHECK BOARD .
NOTE: After the faulty parts are repaired or replaced, perform the final check in Basic Diagnostic Procedure. Refer to ENGINE (DIAGNOSTICS) (H4DOTC)>Basic Diagnostic Procedure>PROCEDURE .
  1. CHECK DTC  .
    1. Turn the ignition switch to ON.
    2. Using the Subaru Select Monitor or a general scan tool, perform the clear memory of [Engine]. Refer to COMMON (DIAG)>CLEAR MEMORY .
    3. Start and idle the engine for three minutes or more.
    4. Using the Subaru Select Monitor or a general scan tool, read the DTC of [Engine]. Refer to COMMON (DIAG)>DIAGNOSTIC TROUBLE CODE (DTC) .

      Is DTC P0512 displayed? (Current malfunction)

      Yes  : Go to  2.

      No  : Even if DTC is detected, the circuit has returned to a normal condition at this time.

      Reproduce the failure, and then perform the diagnosis again.

      NOTE: In this case, temporary poor contact of connector, temporary open or short circuit of harness may be the cause.
  2. CHECK HARNESS BETWEEN ECM AND IGNITION SWITCH (SHORT TO POWER SUPPLY)  .
    1. Turn the ignition to OFF.
    2. Disconnect the connector from ECM.
    3. Turn the ignition to ON.
    4. Measure the voltage between ECM connector and engine ground.

      Connector & terminal 

      (B61) No. 4 (+) - Engine ground (-):

      Is the voltage 10 V or more?

      Yes  : Repair the short circuit to power supply in harness between ECM connector and ignition switch connector.

      No  : Repair the poor contact of ECM connector.