LEMON Manuals: Even more car manuals for everyone: 1960-2025
Home >> Subaru >> 2020 >> Outback Limited XT >> Repair and Diagnosis (Single Page) >> Engine Performance >> System >> Engine Control System (Diagnostics) (2.4L) (2 Of 4) >> Diagnostic Procedure with Diagnostic Trouble Code (DTC) >> DTC P0606: Control Module Processor >> Notes
April 5, 2026: LEMON Manuals is launched! Read the announcement.

DTC P0606: Control Module Processor: Notes

  1. DTC detecting condition: 

    Immediately at fault recognition

    Trouble symptom: 

    • Improper idling
    • Poor driving performance

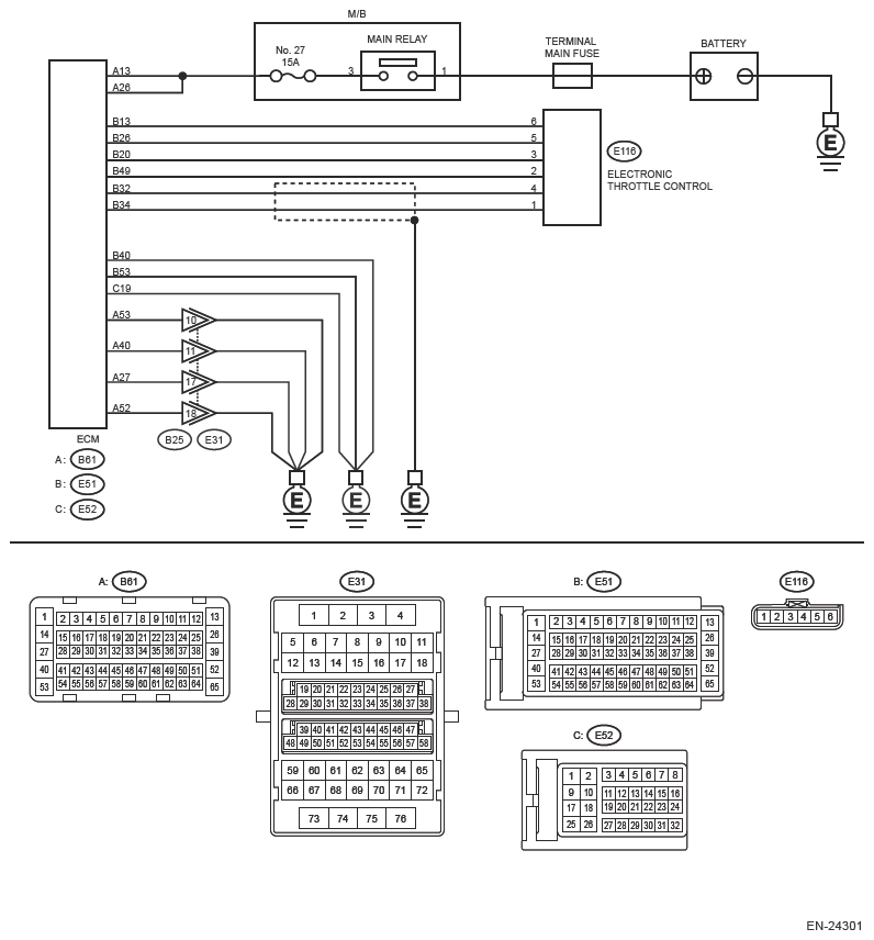
    Wiring diagram: 

    Engine Electrical System Refer to WIRING SYSTEM>ENGINE ELECTRICAL SYSTEM .

    G13629919Courtesy of SUBARU OF AMERICA, INC.
    CAUTION: Use the check board when measuring the ECM terminal voltage and resistance. Refer to ENGINE (DIAGNOSTICS) (H4DOTC)>GENERAL DESCRIPTION>PREPARATION TOOL>HOW TO USE CHECK BOARD .
    NOTE: After the faulty parts are repaired or replaced, perform the final check in Basic Diagnostic Procedure. Refer to ENGINE (DIAGNOSTICS) (H4DOTC)>Basic Diagnostic Procedure>PROCEDURE .
  1. CHECK INPUT VOLTAGE OF ECM  .
    1. Turn the ignition switch to ON.
    2. Measure the voltage between ECM connector and engine ground.

      Connector & terminal 

      (B61) No. 13 (+) - Engine ground (-):

      (B61) No. 26 (+) - Engine ground (-):

      Is the voltage 10 - 13 V?

      Yes  : Go to  2.

      No  : Repair the open or short to ground in the power supply circuit.

  2. CHECK INPUT VOLTAGE OF ECM  .
    1. Start the engine.
    2. Measure the voltage between ECM connector and engine ground.

      Connector & terminal 

      (B61) No. 13 (+) - Engine ground (-):

      (B61) No. 26 (+) - Engine ground (-):

      Is the voltage 13 - 15 V?

      Yes  : Go to  3.

      No  : Repair the open or short to ground in the power supply circuit.

  3. CHECK HARNESS BETWEEN ECM AND ELECTRONIC THROTTLE CONTROL CONNECTOR (OPEN)  .
    1. Turn the ignition switch to OFF.
    2. Disconnect the connector from ECM.
    3. Disconnect the connectors from electronic throttle control.
    4. Measure the resistance of harness between ECM connector and electronic throttle control connector.

      Connector & terminal 

      (E51) No. 49 - (E116) No. 2:

      (E51) No. 20 - (E116) No. 3:

      Is the resistance less than 1 Ω?

      Yes  : Go to  4.

      No  : Repair the open circuit of harness between ECM connector and electronic throttle control connector.

  4. CHECK ECM GROUND HARNESS  .
    1. Connect all connectors.
    2. Turn the ignition switch to ON.
    3. Measure the voltage between ECM connector and engine ground.

      Connector & terminal 

      (B61) No. 27 (+) - Engine ground (-):

      (B61) No. 40 (+) - Engine ground (-):

      (B61) No. 52 (+) - Engine ground (-):

      (B61) No. 53 (+) - Engine ground (-):

      (E51) No. 40 (+) - Engine ground (-):

      (E51) No. 53 (+) - Engine ground (-):

      (E52) No. 19 (+) - Engine ground (-):

      Is the voltage less than 1 V?

      Yes  : Check the connector for poor contact and check the harness. Replace the ECM if no fault is found. Refer to FUEL INJECTION (FUEL SYSTEMS) (H4DOTC)>ENGINE CONTROL MODULE (ECM) .

      No  : Repair the following item.

      • Open circuit in ground circuit
      • Loose engine ground terminal
      • Poor contact of coupling connector