LEMON Manuals: Even more car manuals for everyone: 1960-2025
Home >> Subaru >> 2020 >> Outback Limited XT >> Repair and Diagnosis (Single Page) >> Engine Performance >> System >> Engine Control System (Diagnostics) (2.4L) (2 Of 4) >> Diagnostic Procedure with Diagnostic Trouble Code (DTC) >> DTC P0685: ECM/Pcm Power Relay Control Circuit/Open >> Notes
April 5, 2026: LEMON Manuals is launched! Read the announcement.

DTC P0685: ECM/Pcm Power Relay Control Circuit/Open: Notes

  1. DTC detecting condition: 

    Detected when two consecutive driving cycles with fault occur.

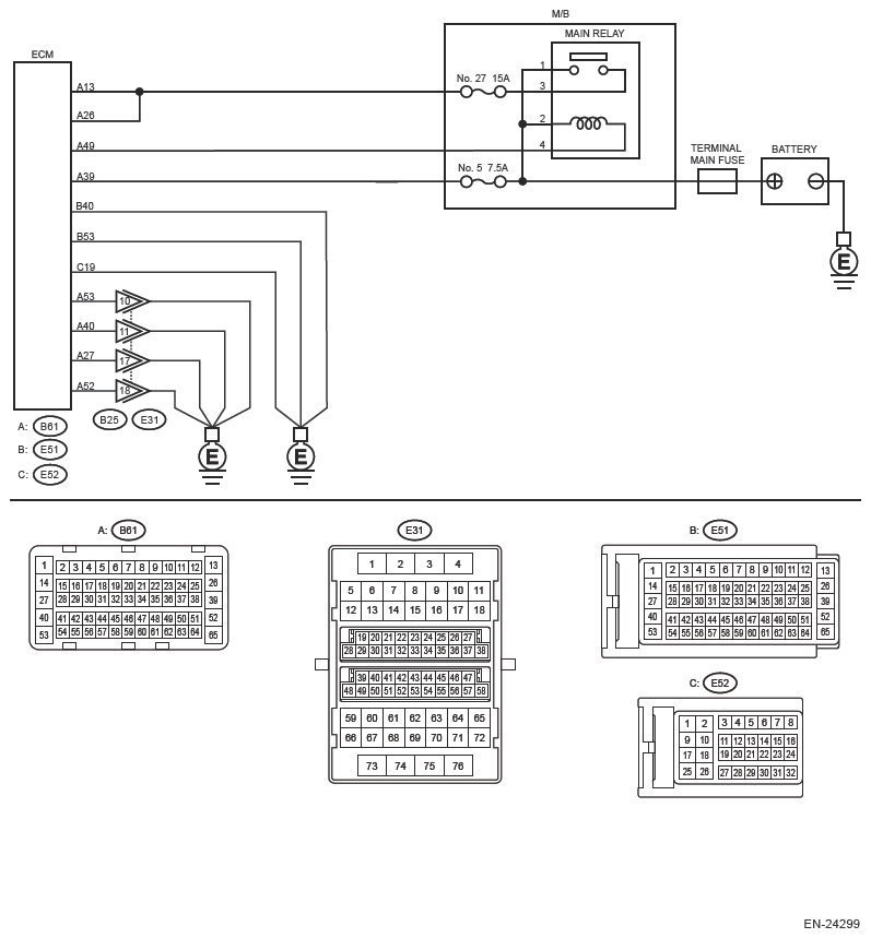
    Wiring diagram: 

    Engine Electrical System Refer to WIRING SYSTEM>ENGINE ELECTRICAL SYSTEM .

    G13629911Courtesy of SUBARU OF AMERICA, INC.
    CAUTION: Use the check board when measuring the ECM terminal voltage and resistance. Refer to ENGINE (DIAGNOSTICS) (H4DOTC)>GENERAL DESCRIPTION>PREPARATION TOOL>HOW TO USE CHECK BOARD .
    NOTE: After the faulty parts are repaired or replaced, perform the final check in Basic Diagnostic Procedure. Refer to ENGINE (DIAGNOSTICS) (H4DOTC)>Basic Diagnostic Procedure>PROCEDURE .
  1. CHECK ECM CONNECTOR  .

    Check the connecting condition of ECM connector.

    Is the ECM connector correctly connected?

    Yes  : Go to  2.

    No  : Connect the ECM connector correctly.

  2. CHECK HARNESS BETWEEN ECM AND M/B (MAIN RELAY) (SHORT TO GROUND)  .
    1. Turn the ignition switch to OFF.
    2. Remove the main relay.
    3. Disconnect the connector from ECM.
    4. Measure the resistance between the ECM connector and engine ground.

      Connector & terminal 

      (B61) No. 49 - Engine ground:

      Is the resistance 1 MΩ or more?

      Yes  : Go to  3.

      No  : Repair the short circuit to ground in harness between ECM connector and M/B (main relay).

  3. CHECK HARNESS BETWEEN ECM AND M/B (MAIN RELAY) (SHORT TO POWER SUPPLY)  .
    1. Turn the ignition switch to ON.
    2. Measure the voltage between ECM connector and engine ground.

      Connector & terminal 

      (B61) No. 13 (+) - Engine ground (-):

      (B61) No. 26 (+) - Engine ground (-):

      Is the voltage 10 V or more?

      Yes  : Repair the short circuit to power supply in harness between ECM connector and M/B (main relay).

      No  : Go to  4.

  4. CHECK MAIN RELAY  .
    1. Turn the ignition switch to OFF.
    2. Check the main relay. Refer to FUEL INJECTION (FUEL SYSTEMS) (H4DOTC)>MAIN RELAY .

      Is the check result OK?

      Yes  : Repair the poor contact of ECM connector.

      No  : Replace the main relay. Refer to FUEL INJECTION (FUEL SYSTEMS) (H4DOTC)>MAIN RELAY .