LEMON Manuals: Even more car manuals for everyone: 1960-2025
Home >> Subaru >> 2020 >> Outback Limited XT >> Repair and Diagnosis (Single Page) >> Engine Performance >> System >> Engine Control System (Diagnostics) (2.4L) (4 Of 4) >> Diagnostic Procedure with Diagnostic Trouble Code (DTC) >> DTC P2271: O2 Sensor Signal Biased/Stuck Rich Bank 1 Sensor 2 >> Notes
April 5, 2026: LEMON Manuals is launched! Read the announcement.

DTC P2271: O2 Sensor Signal Biased/Stuck Rich Bank 1 Sensor 2: Notes

1. - 

DTC detecting condition: 

Detected when two consecutive driving cycles with fault occur.

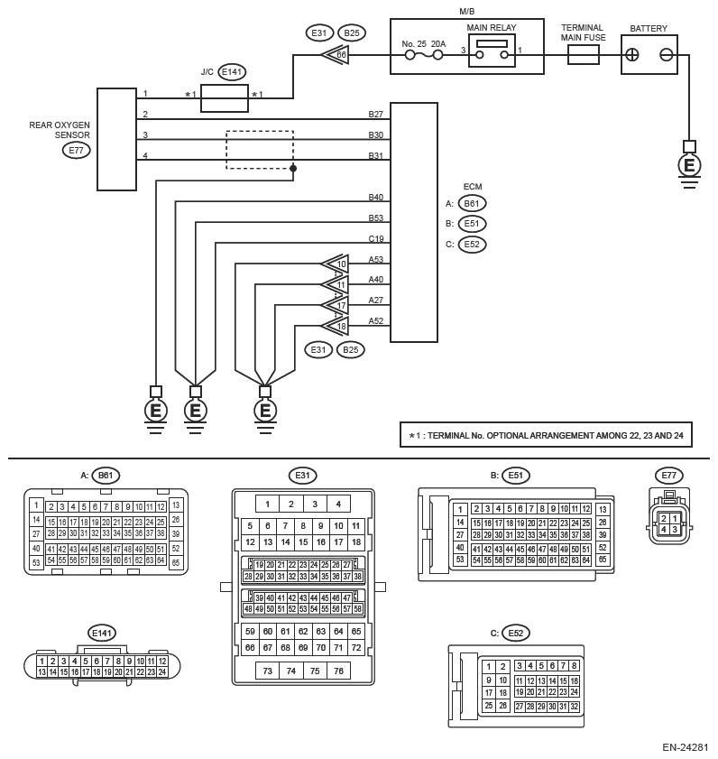
Wiring diagram: 

Engine Electrical System Refer to WIRING SYSTEM>ENGINE ELECTRICAL SYSTEM .

G13627410Courtesy of SUBARU OF AMERICA, INC.
CAUTION: Use the check board when measuring the ECM terminal voltage and resistance. Refer to ENGINE (DIAGNOSTICS) (H4DOTC)>GENERAL DESCRIPTION>PREPARATION TOOL>HOW TO USE CHECK BOARD .
NOTE: After the faulty parts are repaired or replaced, perform the final check in Basic Diagnostic Procedure. Refer to ENGINE (DIAGNOSTICS) (H4DOTC)>Basic Diagnostic Procedure>PROCEDURE .
  1. CHECK REAR OXYGEN SENSOR CONNECTOR  .
    1. Turn the ignition switch to OFF.
    2. Check the rear oxygen sensor connector.

    Has water entered the connector?

    Yes  : Completely remove any water inside.

    No  : Go to  2.

  2. CHECK HARNESS BETWEEN ECM AND REAR OXYGEN SENSOR CONNECTOR (OPEN)  .
    1. Disconnect the connector from ECM.
    2. Disconnect the connector from the rear oxygen sensor.
    3. Measure the resistance of harness between ECM connector and rear oxygen sensor connector.

      Connector & terminal 

      (E51) No. 30 - (E77) No. 3:

      (E51) No. 31 - (E77) No. 4:

    Is the resistance less than 1 Ω?

    Yes  : Go to  3.

    No  : Repair the open circuit of harness between ECM connector and rear oxygen sensor connector.

  3. CHECK HARNESS BETWEEN ECM AND REAR OXYGEN SENSOR CONNECTOR (SHORT TO GROUND)  .

    Measure the resistance between the ECM connector and engine ground.

    Connector & terminal 

    (E51) No. 30 - Engine ground:

    Is the resistance 1 MΩ or more?

    Yes  : Go to  4.

    No  : Repair the short circuit to ground in harness between ECM connector and rear oxygen sensor connector.

  4. CHECK EXHAUST SYSTEM  .

    Check exhaust system parts.

    NOTE: Check the following items.
    • Looseness and improper fitting of exhaust system parts
    • Damage (crack, hole etc.) of parts
    • Damage (crack, hole etc.) between front oxygen (A/F) sensor and rear oxygen sensor

    Is there any fault in exhaust system?

    Yes  : Repair or replace faulty parts.

    No  : Replace the rear oxygen sensor. Refer to FUEL INJECTION (FUEL SYSTEMS) (H4DOTC)>REAR OXYGEN SENSOR .