LEMON Manuals: Even more car manuals for everyone: 1960-2025
Home >> Subaru >> 2020 >> WRX Base >> Repair and Diagnosis >> Engine Performance >> System >> Engine Control System (Diagnostics) (2.0L) (1 Of 4) >> Diagnostic Procedure with Diagnostic Trouble Code (DTC) >> DTC P0030: A/F/02 Heater Control Circuit Bank 1 Sensor 1 >> Notes
April 5, 2026: LEMON Manuals is launched! Read the announcement.

DTC P0030: A/F/02 Heater Control Circuit Bank 1 Sensor 1: Notes

DTC detecting condition: 

Detected when two consecutive driving cycles with fault occur.

CAUTION:

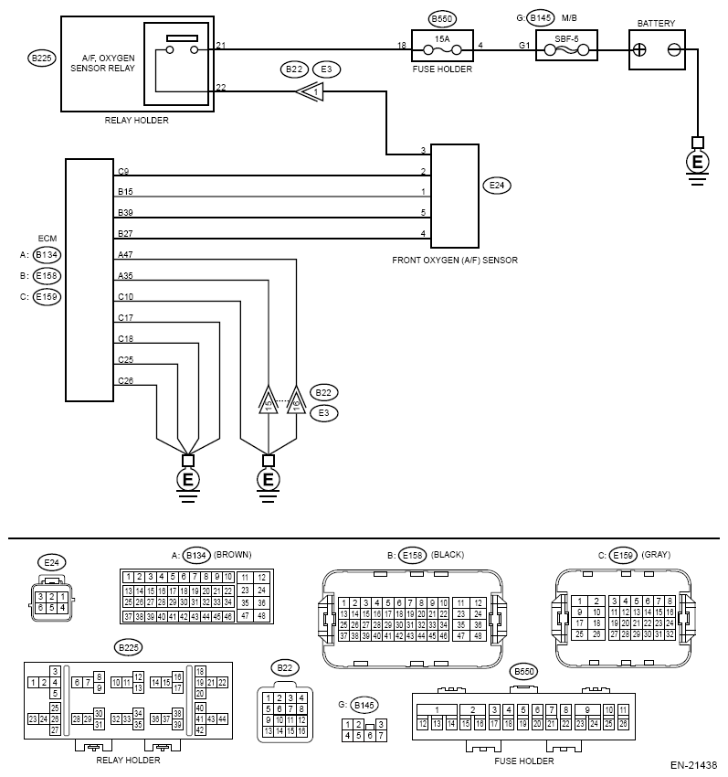
Wiring diagram: 

Engine Electrical System Refer to WIRING SYSTEM>ENGINE ELECTRICAL SYSTEM>WIRING DIAGRAM .

G13650484Courtesy of SUBARU OF AMERICA, INC.
  1. CHECK HARNESS BETWEEN ECM AND FRONT OXYGEN (A/F) SENSOR CONNECTOR. 
    1. Start and warm up the engine.
    2. Turn the ignition switch to OFF.
    3. Disconnect the connector from ECM.
    4. Disconnect the connectors from front oxygen (A/F) sensor.
    5. Measure the resistance of harness between ECM connector and front oxygen (A/F) sensor connector.

      Connector & terminal 

      (E158) No. 15 - (E24) No. 1:

      (E159) No. 9 - (E24) No. 2:

      (E158) No. 27 - (E24) No. 4:

      (E158) No. 39 - (E24) No. 5:

    Is the resistance less than 1 Ω?

    Yes:  Go to  2.

    No:  Repair the open circuit of harness between ECM connector and front oxygen (A/F) sensor connector.

  2. CHECK FRONT OXYGEN (A/F) SENSOR. 

    Measure the resistance between front oxygen (A/F) sensor terminals.

    Terminals 

    No. 2 - No. 3:

    Is the resistance 2 - 3 Ω?

    Yes:  Go to  3.

    No:  Replace the front oxygen (A/F) sensor. Refer to FUEL INJECTION (FUEL SYSTEMS) (W/O STI)>FRONT OXYGEN (A/F) SENSOR .

  3. CHECK FOR POOR CONTACT. 

    Check for poor contact of ECM and front oxygen (A/F) sensor connector.

    Is there poor contact of ECM or front oxygen (A/F) sensor connector?

    Yes:  Repair the poor contact of ECM or front oxygen (A/F) sensor connector.

    No:  Replace the front oxygen (A/F) sensor. Refer to FUEL INJECTION (FUEL SYSTEMS) (W/O STI)>FRONT OXYGEN (A/F) SENSOR .