LEMON Manuals: Even more car manuals for everyone: 1960-2025
Home >> Subaru >> 2020 >> WRX STI >> Repair and Diagnosis (Single Page) >> Engine Performance >> System >> Engine Control System (Diagnostics) (2.5L) (2 Of 4) >> Diagnostic Procedure with Diagnostic Trouble Code (DTC) >> DTC P060B: Internal Control Module A/D Processing Performance >> Component Description
April 5, 2026: LEMON Manuals is launched! Read the announcement.

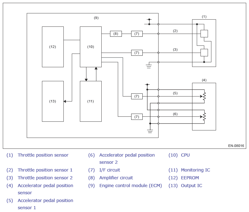
Component Description

G13650244Courtesy of SUBARU OF AMERICA, INC.