LEMON Manuals: Even more car manuals for everyone: 1960-2025
Home >> Subaru >> 2021 >> Ascent Base >> Repair and Diagnosis >> Accessories & Equipment >> Memory Modules >> Power Seat Memory System (Diagnostics) >> Diagnostic Procedure with Diagnostic Trouble Code (DTC) >> DTC B2605: Battery Control Low
April 5, 2026: LEMON Manuals is launched! Read the announcement.

DTC B2605: Battery Control Low

DTC detecting condition: 

When a malfunction occurs during the power seat operation before setting positions into memory

Trouble symptom: 

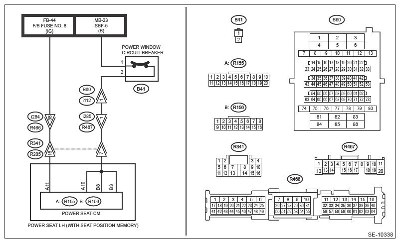
Wiring diagram: 

Power seat system Ref. to WIRING SYSTEM>Power Seat System>WIRING DIAGRAM .

G13203643Courtesy of SUBARU OF AMERICA, INC.
CAUTION: Before performing diagnosis, refer to "CAUTION" in "General Description". Ref. to POWER SEAT MEMORY (DIAGNOSTICS)>General Description>CAUTION .
  1. CHECK DTC  .
    1. Turn the ignition switch to ON.
    2. Read the DTC of [Power Seat Memory] using the Subaru Select Monitor. Ref. to POWER SEAT MEMORY (DIAGNOSTICS)>Diagnostic Trouble Code (DTC) .

    Is a DTC other than DTC B2605 displayed? (Current malfunction)

    Yes  :

    Perform the diagnosis for the displayed DTCs.

    No  :

    Go to  2.

  2. CHECK DTC  .

    Make sure that DTC B2605 is not displayed as past malfunction.

    Is B2605 displayed? (Past malfunction)

    Yes  :

    Perform the memory recall after re-registering the memory.

    No  :

    Go to  3.

  3. CHECK POWER SEAT CONTROL MODULE  .

    Using the Subaru Select Monitor, check the current data of [Battery Voltage] of [Power Seat Memory]. Ref. to POWER SEAT MEMORY (DIAGNOSTICS)>DATA MONITOR .

    Is the voltage 8 - 16 V?

    Yes  :

    Go to  5.

    No  :

    Go to  4.

  4. CHECK HARNESS (OPEN CIRCUIT)  .
    1. Turn the ignition switch to OFF.
    2. Disconnect the connector of power seat control module.
    3. Turn the ignition switch to ON.
    4. Using the tester, measure the voltage between power seat control module connector and chassis ground.

      Connector & terminal 

      (R155) No. 10 (+) - Chassis ground (-):

      (R155) No. 11 (+) - Chassis ground (-):

      (R156) No. 3 (+) - Chassis ground (-):

      (R156) No. 8 (+) - Chassis ground (-):

    Is the voltage 8 - 16 V?

    Yes  :

    Replace the power seat control module. Ref. to SEATS>POWER SEAT SYSTEM .

    No  :

    Repair the open circuit in harness between power seat control module connector and fuse.

  5. CHECK BATTERY VOLTAGE  .

    Measure the battery voltage while the power seat is in operation.

    Is the voltage 8 - 16 V?

    Yes  :

    Ask the user if the power window or passenger's power seat was operated or cranking was performed while the driver's power seat was in operation.

    NOTE: Even when the battery voltage is normal under ordinary circumstance, the voltage may drop to 7.5 V or less in some cases, for example at cranking.

    No  :

    Check the battery. Ref. to STARTING/CHARGING SYSTEMS (H4DOTC)>Battery>INSPECTION .