LEMON Manuals: Even more car manuals for everyone: 1960-2025
Home >> Subaru >> 2021 >> Ascent Base >> Repair and Diagnosis >> Accessories & Equipment >> Memory Modules >> Power Seat Memory System (Diagnostics) >> Diagnostic Procedure with Diagnostic Trouble Code (DTC) >> DTC B2606: Power Seat Position Sensor Circuit Low
April 5, 2026: LEMON Manuals is launched! Read the announcement.

DTC B2606: Power Seat Position Sensor Circuit Low

DTC detecting condition: 

Short circuit in the pulse sensor is detected 3 times in a row during the motor operation

Trouble symptom: 

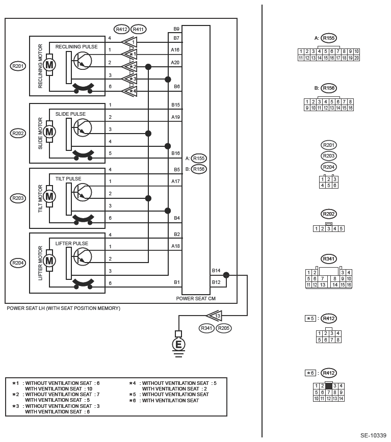
Wiring diagram: 

Power seat system Ref. to WIRING SYSTEM>Power Seat System>WIRING DIAGRAM .

G13203644Courtesy of SUBARU OF AMERICA, INC.
CAUTION: Before performing diagnosis, refer to "CAUTION" in "General Description". Ref. to POWER SEAT MEMORY (DIAGNOSTICS)>General Description>CAUTION .
  1. CHECK DTC  .
    1. Using the Subaru Select Monitor, perform the clear memory of [Power Seat Memory]. Ref. to COMMON (diag)>CLEAR MEMORY .
    2. Turn the ignition switch to OFF.
    3. Disconnect, and then connect the power seat control module connector.
    4. Turn the ignition switch to ON.
    5. Move the power seat.
    6. Read the DTC of [Power Seat Memory] using the Subaru Select Monitor. Ref. to POWER SEAT MEMORY (DIAGNOSTICS)>Diagnostic Trouble Code (DTC) .

    Is DTC B2606 displayed? (Current malfunction)

    Yes  :

    Go to  2.

    No  :

    Even if DTC is displayed, the circuit has returned to a normal condition at this time.

    Reproduce the failure, and perform the diagnosis again.

    NOTE: In this case, temporary poor contact of connector, temporary open or short circuit of harness may be the cause.
  2. CHECK HARNESS (GROUND SHORT CIRCUIT)  .
    1. Turn the ignition switch to OFF.
    2. Disconnect the connector of power seat control module.
    3. Disconnect the connectors of all motors (slide/tilt/lifter/reclining).
    4. Using the tester, measure the resistance between power seat control module connector and chassis ground.

      Connector & terminal 

      (R156) No. 9 - Chassis ground:

    Is the resistance 1 MΩ or more?

    Yes  :

    Go to  3.

    No  :

    Repair or replace the short circuit to ground in harness between power seat control module connector and motor connector.

  3. CHECK SLIDE MOTOR  .
    1. Connect the slide motor connector.
    2. Using the tester, measure the resistance between power seat control module connector and chassis ground.

      Connector & terminal 

      (R156) No. 9 - Chassis ground:

    Is the resistance 1 MΩ or more?

    Yes  :

    Go to  4.

    No  :

    Replace the seat cushion frame assembly. Ref. to SEATS>Front Seat>DISASSEMBLY>POWER SEATS (TYPE WITHOUT VENTILATION) .

  4. CHECK TILT MOTOR  .
    1. Disconnect the slide motor connector.
    2. Connect the tilt motor connector.
    3. Using the tester, measure the resistance between power seat control module connector and chassis ground.

      Connector & terminal 

      (R156) No. 9 - Chassis ground:

    Is the resistance 1 MΩ or more?

    Yes  :

    Go to  5.

    No  :

    Replace the seat cushion frame assembly. Ref. to SEATS>Front Seat>DISASSEMBLY>POWER SEATS (TYPE WITHOUT VENTILATION) .

  5. CHECK LIFTER MOTOR  .
    1. Disconnect the tilt motor connector.
    2. Connect the lifter motor connector.
    3. Using the tester, measure the resistance between power seat control module connector and chassis ground.

      Connector & terminal 

      (R156) No. 9 - Chassis ground:

    Is the resistance 1 MΩ or more?

    Yes  :

    Go to  6.

    No  :

    Replace the seat cushion frame assembly. Ref. to SEATS>Front Seat>DISASSEMBLY>POWER SEATS (TYPE WITHOUT VENTILATION) .

  6. CHECK RECLINING MOTOR  .
    1. Disconnect the lifter motor connector.
    2. Connect the reclining motor connector.
    3. Using the tester, measure the resistance between power seat control module connector and chassis ground.

      Connector & terminal 

      (R156) No. 9 - Chassis ground:

    Is the resistance 1 MΩ or more?

    Yes  :

    Replace the power seat control module. Ref. to SEATS>POWER SEAT SYSTEM .

    No  :

    Replace the backrest frame assembly. Ref. to SEATS>Front Seat>DISASSEMBLY>POWER SEATS (TYPE WITHOUT VENTILATION) .