LEMON Manuals: Even more car manuals for everyone: 1960-2025
Home >> Subaru >> 2021 >> Forester Touring >> Repair and Diagnosis (Single Page) >> Engine Performance >> System >> Engine Control System (Diagnostics) (2 Of 4) >> Diagnostic Procedure With Diagnostic Trouble Code (DTC) >> DTC P0458: EVAP System (CPC) Purge Control Valve "A" Circuit Low >> Notes
April 5, 2026: LEMON Manuals is launched! Read the announcement.

DTC P0458: EVAP System (CPC) Purge Control Valve "A" Circuit Low: Notes

1. - 

DTC detecting condition: 

Detected when two consecutive driving cycles with fault occur.

Trouble symptom: 

Improper idling

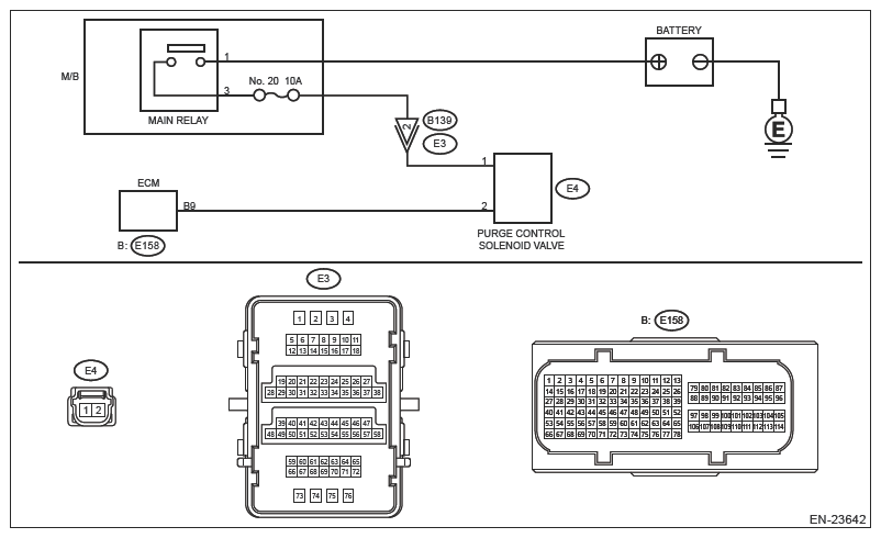
Wiring diagram: 

Engine Electrical System Ref. to WIRING SYSTEM>ENGINE ELECTRICAL SYSTEM .

G13227865Courtesy of SUBARU OF AMERICA, INC.
CAUTION: Use the check board when measuring the ECM terminal voltage and resistance. Ref. to ENGINE (DIAGNOSTICS) (H4DO)>GENERAL DESCRIPTION>PREPARATION TOOL>HOW TO USE CHECK BOARD .
NOTE: After the faulty parts are repaired or replaced, perform the final check in Basic Diagnostic Procedure. Ref. to ENGINE (DIAGNOSTICS) (H4DO)>BASIC DIAGNOSTIC PROCEDURE>PROCEDURE .
  1. CHECK OUTPUT SIGNAL OF ECM  .
    1. Turn the ignition switch to ON.
    2. Measure the voltage between ECM connector and engine ground.

      Connector and terminal 

      (E158) No. 9 (+) - Engine ground (-):

    Is the voltage 10 V or more?

    Yes  : Go to  2 .

    No  : Go to  3 .

  2. CHECK FOR POOR CONTACT  .

    Check for poor contact of ECM connector.

    Is there poor contact of ECM connector?

    Yes  : Repair the poor contact of ECM connector.

    No  : Even if DTC is detected, the circuit has returned to a normal condition at this time.

    Reproduce the failure, and then perform the diagnosis again.

    NOTE: In this case, temporary open or short circuit of harness or temporary poor contact of connector may be the cause.
  3. CHECK POWER SUPPLY FOR PURGE CONTROL SOLENOID VALVE CONNECTOR  .

    Measure the voltage between purge control solenoid valve connector and engine ground.

    Connector and terminal 

    (E4) No. 1 (+) - Engine ground (-):

    Is the voltage 10 V or more?

    Yes  : Go to  4 .

    No  : Repair the following item.

    • Open circuit or short circuit to ground of harness between M/B and purge control solenoid valve connector
    • Poor contact of coupling connector
    • Blown out of fuse
  4. CHECK HARNESS BETWEEN ECM AND PURGE CONTROL SOLENOID VALVE CONNECTOR (SHORT TO GROUND)  .
    1. Turn the ignition switch to OFF.
    2. Disconnect the connector from ECM.
    3. Disconnect the connector from the purge control solenoid valve.
    4. Measure the resistance between the purge control solenoid valve connector and engine ground.

      Connector and terminal 

      (E4) No. 2 - Engine ground:

    Is the resistance 1 MΩ or more?

    Yes  : Go to  5 .

    No  : Repair the short circuit to ground in harness between ECM connector and purge control solenoid valve connector.

  5. CHECK HARNESS BETWEEN ECM AND PURGE CONTROL SOLENOID VALVE CONNECTOR (OPEN)  .

    Measure the resistance of harness between ECM connector and purge control solenoid valve connector.

    Connector and terminal 

    (E158) No. 9 - (E4) No. 2:

    Is the resistance less than 1 Ω?

    Yes  : Go to  6 .

    No  : Repair the open circuit in harness between ECM connector and purge control solenoid valve connector.

  6. CHECK PURGE CONTROL SOLENOID VALVE  .
    1. Remove the purge control solenoid valve.
    2. Check the purge control solenoid valve.

      Ref. to EMISSION CONTROL (AUX. EMISSION CONTROL DEVICES) (H4DO)>PURGE CONTROL SOLENOID VALVE>INSPECTION .

    Is the check result OK?

    Yes  : Repair the poor contact of purge control solenoid valve connector.

    No  : Replace the purge control solenoid valve. Ref. to EMISSION CONTROL (AUX. EMISSION CONTROL DEVICES) (H4DO)>PURGE CONTROL SOLENOID VALVE .