LEMON Manuals: Even more car manuals for everyone: 1960-2025
Home >> Subaru >> 2021 >> Legacy Base >> Repair and Diagnosis >> Engine Performance >> System >> Engine Control System (2.5L) (Diagnostics) (4 Of 4) >> Diagnostic Procedure With Diagnostic Trouble Code (DTC) >> DTC P2109: Throttle/Pedal Position Sensor "A" Minimum Stop Performance >> Component Description
April 5, 2026: LEMON Manuals is launched! Read the announcement.

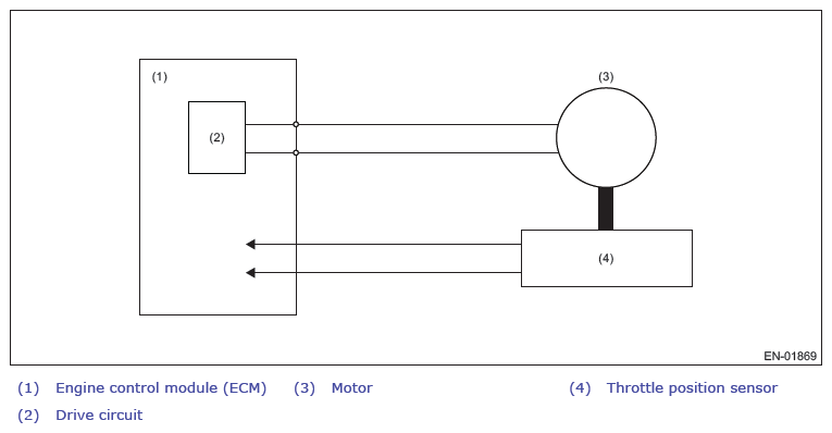
Component Description

G13954940Courtesy of SUBARU OF AMERICA, INC.