LEMON Manuals: Even more car manuals for everyone: 1960-2025
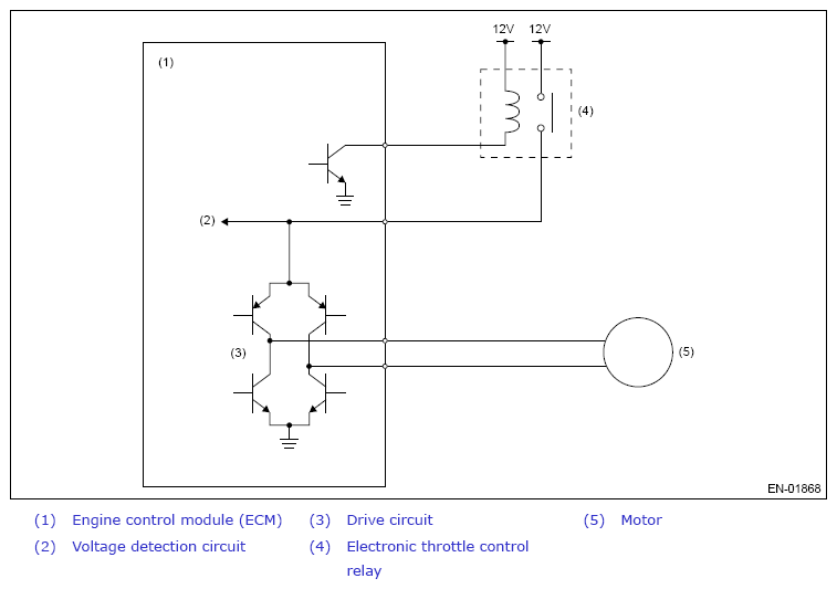
Home >> Subaru >> 2021 >> Outback Limited XT >> Repair and Diagnosis >> Engine Performance >> System >> Engine Control System (2.4L) (Diagnostics) (4 Of 4) >> Diagnostic Procedure With Diagnostic Trouble Code (DTC) >> DTC P2103: Throttle Actuator "A" Control Motor Circuit High >> General Description >> Component Description
April 5, 2026: LEMON Manuals is launched! Read the announcement.

Component Description

G13954513Courtesy of SUBARU OF AMERICA, INC.