LEMON Manuals: Even more car manuals for everyone: 1960-2025
Home >> Subaru >> 2021 >> WRX Premium, Standard Trans >> Repair and Diagnosis (Single Page) >> Engine Performance >> System >> Engine Control System (Diagnostics) (2.0L) (1 Of 4) >> Diagnostic Procedure with Diagnostic Trouble Code (DTC) >> DTC P0140: 02 Sensor Circuit No Activity Detected Bank 1 Sensor 2 >> Notes
April 5, 2026: LEMON Manuals is launched! Read the announcement.

DTC P0140: 02 Sensor Circuit No Activity Detected Bank 1 Sensor 2: Notes

DTC detecting condition: 

Detected when two consecutive driving cycles with fault occur.

CAUTION:

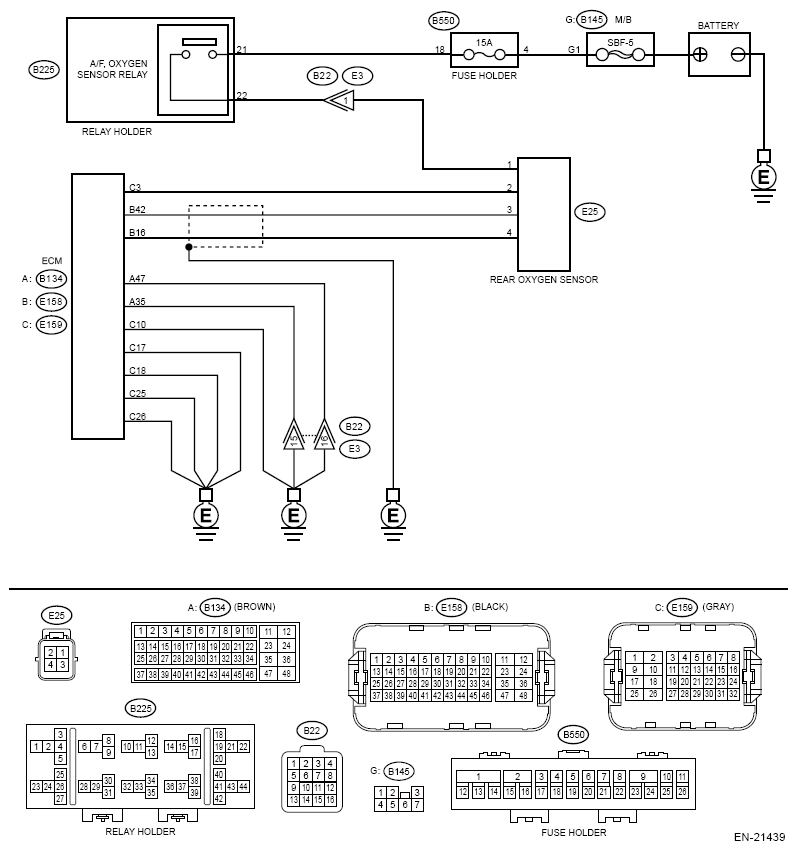
Wiring diagram: 

Engine Electrical System Refer to WIRING SYSTEM>ENGINE ELECTRICAL SYSTEM>WIRING DIAGRAM .

G13650546Courtesy of SUBARU OF AMERICA, INC.
  1. CHECK REAR OXYGEN SENSOR DATA. 
    1. Warm up the engine until engine coolant temperature is higher than 75°C (167°F), and keep the engine speed at 3, 000 rpm. (2 minutes maximum)
    2. Read the value of «Oxygen sensor #12» using the Subaru Select Monitor or a general scan tool.
      NOTE:
      • Subaru Select Monitor

        For detailed operation procedures, refer to "Read Current Data For Engine". Refer to ENGINE (DIAGNOSTICS) (W/O STI)>SUBARU SELECT MONITOR .

      • General scan tool

        For detailed operation procedures, refer to the general scan tool operation manual.

    Is the value of «Oxygen sensor #12» 0.490 V or more?

    Yes:  Go to  6.

    Yes:  Go to  2.

  2. CHECK REAR OXYGEN SENSOR CONNECTOR. 

    Check the rear oxygen sensor connector.

    Has water entered the connector?

    Yes:  Completely remove any water inside.

    No:  Go to  3.

  3. CHECK HARNESS BETWEEN ECM AND REAR OXYGEN SENSOR CONNECTOR. 
    1. Turn the ignition switch to OFF.
    2. Disconnect the connector from ECM.
    3. Disconnect the connector from rear oxygen sensor.
    4. Measure the resistance of harness between ECM connector and rear oxygen sensor connector.

      Connector & terminal 

      (E158) No. 42 - (E25) No. 3:

      (E158) No. 16 - (E25) No. 4:

    Is the resistance less than 1 Ω?

    Yes:  Go to  4.

    No:  Repair the open circuit of harness between ECM connector and rear oxygen sensor connector.

  4. CHECK HARNESS BETWEEN ECM AND REAR OXYGEN SENSOR CONNECTOR. 

    Measure the resistance of harness between ECM connector and rear oxygen sensor connector.

    Connector & terminal 

    (E158) No. 16 - Engine ground

    (E158) No. 42 - Engine ground

    Is the resistance 1 MΩ or more?

    Yes:  Go to  5.

    No:  Repair the short circuit to ground in harness between ECM connector and rear oxygen sensor connector.

  5. CHECK HARNESS BETWEEN ECM AND REAR OXYGEN SENSOR CONNECTOR. 
    1. Connect the connector to ECM.
    2. Turn the ignition switch to ON.
    3. Measure the voltage between rear oxygen sensor connector and engine ground.

      Connector & terminal 

      (E25) No. 3 (+) - Engine ground (-):

    Is the voltage 1.8 V or more?

    Yes:  Replace the rear oxygen sensor. Refer to FUEL INJECTION (FUEL SYSTEMS) (W/O STI)>REAR OXYGEN SENSOR .

    No:  Replace the ECM. Refer to FUEL INJECTION (FUEL SYSTEMS) (W/O STI)>ENGINE CONTROL MODULE (ECM) .

  6. CHECK EXHAUST SYSTEM. 

    Check exhaust system parts.

    NOTE: Check the following items.
    • Looseness and improper fitting of exhaust system parts
    • Damage (crack, hole etc.) of parts
    • Loose part and improper installation between front oxygen (A/F) sensor and rear oxygen sensor

    Is there any fault in exhaust system?

    Yes:  Repair or replace faulty parts.

    No:  Replace the rear oxygen sensor. Refer to FUEL INJECTION (FUEL SYSTEMS) (W/O STI)>REAR OXYGEN SENSOR .