LEMON Manuals: Even more car manuals for everyone: 1960-2025
Home >> Subaru >> 2021 >> WRX STI >> Repair and Diagnosis >> Engine Performance >> System >> Engine Control System (Diagnostics) (2.5L) (2 Of 4) >> Diagnostic Procedure with Diagnostic Trouble Code (DTC) >> DTC P0230: Fuel Pump Primary Circuit >> Notes
April 5, 2026: LEMON Manuals is launched! Read the announcement.

DTC P0230: Fuel Pump Primary Circuit: Notes

DTC detecting condition: 

Detected when two consecutive driving cycles with fault occur.

CAUTION: After servicing or replacing faulty parts, perform Clear Memory Mode Refer to ENGINE (DIAGNOSTICS) (STI)>CLEAR MEMORY MODE>OPERATION ., and inspection mode Refer to ENGINE (DIAGNOSTICS) (STI)>INSPECTION MODE>PROCEDURE .

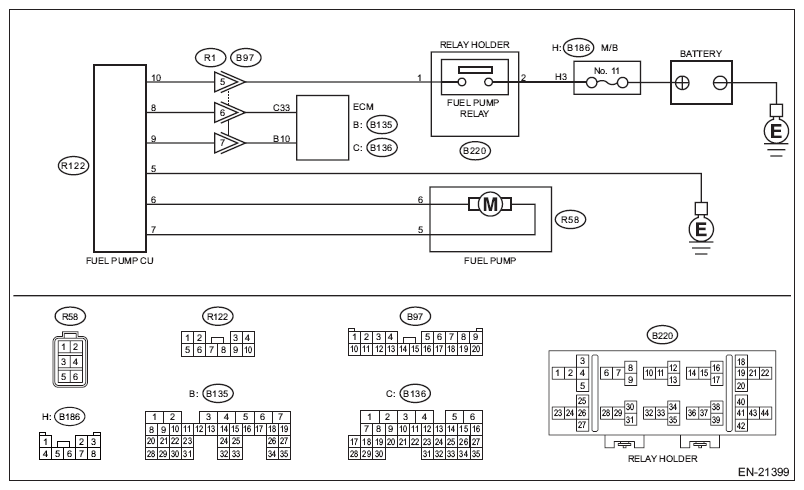
Wiring diagram: 

Engine Electrical System Refer to WIRING SYSTEM>ENGINE ELECTRICAL SYSTEM>WIRING DIAGRAM .

G11574282Courtesy of SUBARU OF AMERICA, INC.
  1. CHECK POWER SUPPLY CIRCUIT TO FUEL PUMP CONTROL UNIT. 
    1. Turn the ignition switch to OFF.
    2. Disconnect the connector from fuel pump control unit.
    3. Turn the ignition switch to ON.
    4. Measure the voltage between fuel pump control unit connector and chassis ground.

    Connector & terminal 

    (R122) No. 10 (+) - Chassis ground (-):

    Is the voltage 10 V or more?

    Yes:  Go to  2.

    No:  Repair the power supply circuit.

    NOTE: In this case, repair the following item:
    • Open circuit or short circuit to ground in harness between fuel pump relay connector and fuel pump control unit connector
    • Poor contact of fuel pump relay connector
    • Poor contact of coupling connector
  2. CHECK GROUND CIRCUIT OF FUEL PUMP CONTROL UNIT. 
    1. Turn the ignition switch to OFF.
    2. Measure the resistance of harness between fuel pump control unit connector and chassis ground.

    Connector & terminal 

    (R122) No. 5 - Chassis ground:

    Is the resistance less than 5 Ω?

    Yes:  Go to  3.

    No:  Repair the open circuit in harness between fuel pump control unit connector and chassis ground.

  3. CHECK HARNESS BETWEEN FUEL PUMP CONTROL UNIT AND FUEL PUMP CONNECTOR. 
    1. Disconnect the connector from fuel pump.
    2. Measure the resistance of harness between fuel pump control unit and fuel pump connector.

    Connector & terminal 

    (R122) No. 7 - (R58) No. 5:

    (R122) No. 6 - (R58) No. 6:

    Is the resistance less than 1 Ω?

    Yes:  Go to  4.

    No:  Repair the harness and connector.

    NOTE: In this case, repair the following item:
    • Open circuit in harness between fuel pump control unit connector and fuel pump connector
    • Poor contact of coupling connector
  4. CHECK HARNESS BETWEEN FUEL PUMP CONTROL UNIT AND FUEL PUMP CONNECTOR. 

    Measure the resistance between fuel pump control unit connector and chassis ground.

    Connector & terminal 

    (R122) No. 7 - Chassis ground:

    (R122) No. 6 - Chassis ground:

    Is the resistance 1 MΩ or more?

    Yes:  Go to  5.

    No:  Repair the short circuit to ground in harness between fuel pump control unit connector and fuel pump connector.

  5. CHECK HARNESS BETWEEN ECM AND FUEL PUMP CONTROL UNIT CONNECTOR. 
    1. Disconnect the connector from ECM.
    2. Measure the resistance of harness between ECM connector and fuel pump control unit connector.

    Connector & terminal 

    (B135) No. 10 - (R122) No. 9:

    (B136) No. 33 - (R122) No. 8:

    Is the resistance less than 1 Ω?

    Yes:  Go to  6.

    No:  Repair the harness and connector.

    NOTE: In this case, repair the following item:
    • Open circuit in harness between ECM connector and fuel pump control unit connector
    • Poor contact of coupling connector
  6. CHECK HARNESS BETWEEN ECM AND FUEL PUMP CONTROL UNIT CONNECTOR. 

    Measure the resistance between fuel pump control unit connector and chassis ground.

    Connector & terminal 

    (R122) No. 9 - Chassis ground:

    (R122) No. 8 - Chassis ground:

    Is the resistance 1 MΩ or more?

    Yes:  Go to  7.

    No:  Repair the short circuit to ground in harness between ECM connector and fuel pump control unit connector.

  7. CHECK FOR POOR CONTACT. 

    Check for poor contact of ECM and fuel pump control unit connector.

    Is there poor contact of ECM or fuel pump control unit connector?

    Yes:  Repair the poor contact of ECM or fuel pump control unit connector.

    No:  Go to  8.

  8. CHECK EXPERIENCE OF RUNNING OUT OF FUEL. 

    Check "Check List for Interview".

    Has the vehicle experienced running out of fuel?

    Yes:  Finish the diagnosis.

    NOTE: DTC may be recorded as a result of fuel pump idling while running out of fuel.

    No:  Replace the fuel pump control unit. Refer to FUEL INJECTION (FUEL SYSTEMS) (STI)>FUEL PUMP CONTROL UNIT .