LEMON Manuals: Even more car manuals for everyone: 1960-2025
Home >> Subaru >> 2021 >> WRX STI >> Repair and Diagnosis >> Engine Performance >> System >> Engine Control System (Diagnostics) (2.5L) (2 Of 4) >> Diagnostic Procedure with Diagnostic Trouble Code (DTC) >> DTC P0340: Camshaft Position Sensor "A" Circuit Bank 1 Or Single Sensor >> Notes
April 5, 2026: LEMON Manuals is launched! Read the announcement.

DTC P0340: Camshaft Position Sensor "A" Circuit Bank 1 Or Single Sensor: Notes

DTC detecting condition: 

Immediately at fault recognition

Trouble symptom: 

CAUTION: After servicing or replacing faulty parts, perform Clear Memory Mode Refer to ENGINE (DIAGNOSTICS) (STI)>CLEAR MEMORY MODE>OPERATION ., and inspection mode Refer to ENGINE (DIAGNOSTICS) (STI)>INSPECTION MODE>PROCEDURE .

Wiring diagram: 

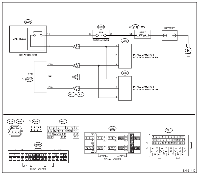
Engine Electrical System Refer to WIRING SYSTEM>ENGINE ELECTRICAL SYSTEM>WIRING DIAGRAM .

G11574304Courtesy of SUBARU OF AMERICA, INC.
  1. CHECK POWER SUPPLY OF CAMSHAFT POSITION SENSOR RH. 
    1. Turn the ignition switch to OFF.
    2. Disconnect the connector from camshaft position sensor RH.
    3. Turn the ignition switch to ON.
    4. Measure the voltage between camshaft position sensor RH connector and engine ground.

    Connector & terminal 

    (E36) No. 1 (+) - Engine ground (-):

    Is the voltage 10 V or more?

    Yes:  Go to  2.

    No:  Repair the harness and connector.

    NOTE: In this case, repair the following item:
    • Open circuit or short circuit to ground in harness between main relay connector and camshaft position sensor RH connector
    • Poor contact of coupling connector
  2. CHECK HARNESS BETWEEN ECM AND CAMSHAFT POSITION SENSOR RH CONNECTOR. 
    1. Turn the ignition switch to OFF.
    2. Disconnect the connector from ECM.
    3. Measure the resistance between ECM connector and camshaft position sensor RH connector.

    Connector & terminal 

    (B137) No. 24 - (E36) No. 2:

    (B137) No. 30 - (E36) No. 3:

    Is the resistance less than 1 Ω?

    Yes:  Go to  3.

    No:  Repair the harness and connector.

    NOTE: In this case, repair the following item:
    • Open circuit in harness between ECM connector and camshaft position sensor RH connector
    • Poor contact of coupling connector
  3. CHECK HARNESS BETWEEN ECM AND CAMSHAFT POSITION SENSOR RH CONNECTOR. 

    Measure the resistance between camshaft position sensor RH connector and engine ground.

    Connector & terminal 

    (E36) No. 2 - Engine ground:

    Is the resistance 1 MΩ or more?

    Yes:  Go to  4.

    No:  Repair the short circuit to ground in the harness between the ECM connector and camshaft position sensor RH connector.

  4. CHECK HARNESS BETWEEN ECM AND CAMSHAFT POSITION SENSOR RH CONNECTOR. 

    Measure the voltage between camshaft position sensor RH connector and engine ground.

    Connector & terminal 

    (E36) No. 2 (+) - Engine ground (-):

    Is the voltage 5 V or more?

    Yes:  Repair the short circuit to power supply in the harness between the ECM connector and camshaft position sensor RH connector.

    No:  Go to  5.

  5. CHECK CONDITION OF CAMSHAFT POSITION SENSOR RH. 

    Check the camshaft position sensor RH.

    Is the camshaft position sensor RH installation bolt tightened securely?

    Yes:  Go to  6.

    No:  Tighten the camshaft position sensor RH installation bolt securely. Refer to FUEL INJECTION (FUEL SYSTEMS) (STI)>CAMSHAFT POSITION SENSOR .

  6. CHECK CAMSHAFT POSITION SENSOR RH. 

    Check the waveform of the camshaft position sensor RH. Refer to ENGINE (DIAGNOSTICS) (STI)>ENGINE CONTROL MODULE (ECM) I/O SIGNAL .

    Is there any abnormality in waveform?

    Yes:  Replace the camshaft position sensor RH. Refer to FUEL INJECTION (FUEL SYSTEMS) (STI)>CAMSHAFT POSITION SENSOR .

    No:  Repair the following item.

    • Poor contact of ECM connector
    • Poor contact of camshaft position sensor RH connector
    • Poor contact of coupling connector