LEMON Manuals: Even more car manuals for everyone: 1960-2025
Home >> Subaru >> 2021 >> WRX STI >> Repair and Diagnosis >> Engine Performance >> System >> Engine Control System (Diagnostics) (2.5L) (2 Of 4) >> Diagnostic Procedure with Diagnostic Trouble Code (DTC) >> DTC P0616: Starter Relay "A" Circuit Low >> Model With Push Button Start
April 5, 2026: LEMON Manuals is launched! Read the announcement.

Model With Push Button Start

DTC detecting condition: 

Immediately at fault recognition

Trouble symptom: 

Failure of engine to start

CAUTION: After servicing or replacing faulty parts, perform Clear Memory Mode Refer to ENGINE (DIAGNOSTICS) (STI)>CLEAR MEMORY MODE>OPERATION ., and inspection mode Refer to ENGINE (DIAGNOSTICS) (STI)>INSPECTION MODE>PROCEDURE .

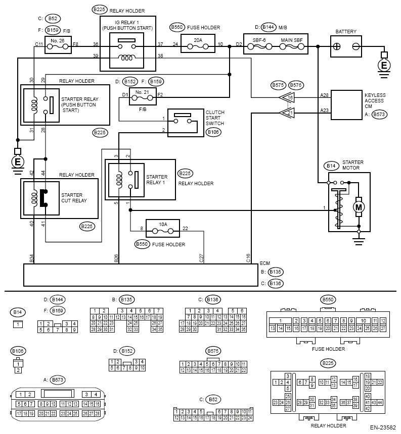
Wiring diagram: 

Engine Electrical System Refer to WIRING SYSTEM>ENGINE ELECTRICAL SYSTEM>WIRING DIAGRAM .

G13650246Courtesy of SUBARU OF AMERICA, INC.
  1. CHECK HARNESS BETWEEN ECM AND STARTER RELAY 1 CONNECTOR. 
    1. Turn the ignition to OFF.
    2. Disconnect the connector from ECM.
    3. Remove the starter relay 1.
    4. Measure the resistance of harness between ECM connector and starter relay 1 connector.

    Connector & terminal 

    (B136) No. 27 - (B225) No. 1:

    Is the resistance less than 1 Ω?

    Yes:  Go to  2.

    No:  Repair the harness and connector.

    NOTE: In this case, repair the following item:
    • Open circuit of harness between ECM connector and starter relay 1 connector
    • Blown out of fuse
  2. CHECK HARNESS BETWEEN ECM AND STARTER RELAY 1 CONNECTOR. 
    1. Disconnect the connector from starter motor.
    2. Measure the resistance between ECM connector and chassis ground.

    Connector & terminal 

    (B136) No. 27 - Chassis ground:

    Is the resistance 1 MΩ or more?

    Yes:  Repair the poor contact of ECM connector.

    No:  Repair the short circuit to ground in harness between ECM connector and starter relay 1 connector.