LEMON Manuals: Even more car manuals for everyone: 1960-2025
Home >> Subaru >> 2022 >> Ascent Base >> Repair and Diagnosis (Single Page) >> Accessories & Equipment >> Communication Devices >> Body Control System (Diagnostics) >> Diagnostic Procedure with Diagnostic Trouble Code (DTC) >> DTC U1673: Lin Communication Bus Error Body Control Module
April 5, 2026: LEMON Manuals is launched! Read the announcement.

DTC U1673: Lin Communication Bus Error Body Control Module

DTC detecting condition: 

Integrated unit communication is shut down because of LIN error.

Trouble symptom: 

LIN communication is not normal.

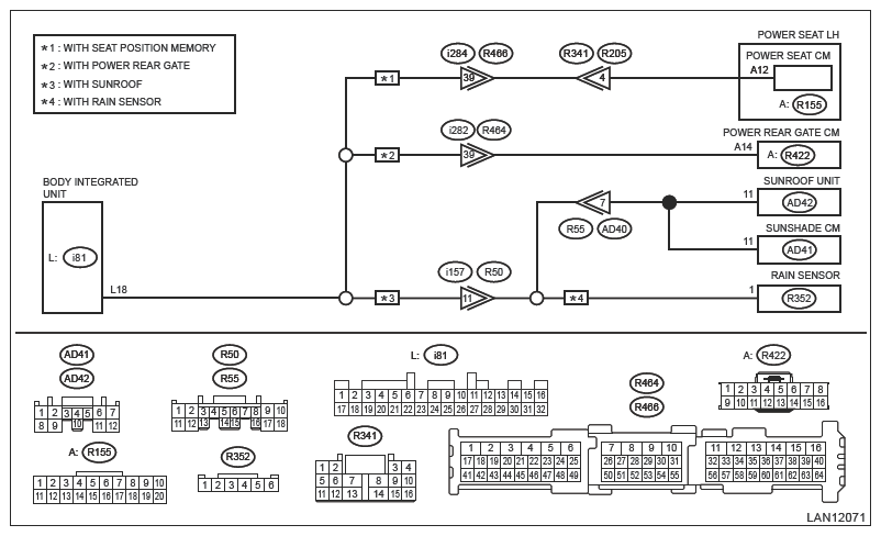
Wiring diagram: 

Sunroof control system Ref. to WIRING SYSTEM>Sunroof Control System>WIRING DIAGRAM .

Power seat system Ref. to WIRING SYSTEM>Power Seat System>WIRING DIAGRAM .

Power rear gate system Ref. to WIRING SYSTEM>Power Rear Gate System>WIRING DIAGRAM .

G13203439Courtesy of SUBARU OF AMERICA, INC.
CAUTION: Before performing diagnosis, refer to "CAUTION" in "General Description". Ref. to BODY CONTROL (DIAGNOSTICS)>General Description>CAUTION .
  1. CHECK DTC  .
    1. Turn the ignition switch to OFF.
    2. Turn the ignition switch to ON.
    3. Wait for 5 seconds.
    4. Read the DTC of [Body Control] using the Subaru Select Monitor. Ref. to BODY CONTROL (DIAGNOSTICS)>Diagnostic Trouble Code (DTC) .

    Is DTC U1673 displayed? (Current malfunction)

    Yes  : Go to  2.

    No  : Even if DTC is displayed, the circuit has returned to a normal condition at this time. Reproduce the failure, and then perform the diagnosis again.

    NOTE: In this case, temporary poor contact of connector, temporary open or short circuit of harness may be the cause.
  2. CHECK CONTROL MODULE  .
    1. Turn the ignition switch to OFF.
    2. Disconnect the power rear gate control module connector.
    3. Turn the ignition switch to ON.
    4. Wait for 5 seconds.
    5. Read the DTC of [Body Control] using the Subaru Select Monitor. Ref. to BODY CONTROL (DIAGNOSTICS)>Diagnostic Trouble Code (DTC) .

    Is DTC U1673 displayed? (Current malfunction)

    Yes  : Go to  3.

    No  : Replace the power rear gate control module. Ref. to POWER REAR GATE SYSTEM>POWER REAR GATE CONTROL MODULE .

  3. CHECK CONTROL MODULE  .
    1. Turn the ignition switch to OFF.
    2. Disconnect the power seat control module connector. (With the power rear gate control module connector disconnected)
    3. Turn the ignition switch to ON.
    4. Wait for 5 seconds.
    5. Read the DTC of [Body Control] using the Subaru Select Monitor. Ref. to BODY CONTROL (DIAGNOSTICS)>Diagnostic Trouble Code (DTC) .

    Is DTC U1673 displayed? (Current malfunction)

    Yes  : Go to  4.

    No  : Replace the power seat control module. Ref. to SEATS>Power Seat System>REMOVAL .

  4. CHECK CONTROL MODULE  .
    1. Turn the ignition switch to OFF.
    2. Disconnect the sunroof unit connector and the sunshade control module connector. (With the power rear gate control module connector and power seat control module connector disconnected)
    3. Turn the ignition switch to ON.
    4. Wait for 5 seconds.
    5. Read the DTC of [Body Control] using the Subaru Select Monitor. Ref. to BODY CONTROL (DIAGNOSTICS)>Diagnostic Trouble Code (DTC) .

    Is DTC U1673 displayed? (Current malfunction)

    Yes  : Go to  5.

    No  : Replace the sunroof unit. Ref. to SUNROOF/T-TOP/CONVERTIBLE TOP (SUNROOF)>SUNROOF MOTOR .

  5. CHECK CONTROL MODULE  .
    1. Turn the ignition switch to OFF.
    2. Disconnect the rain sensor connector.

      (With power rear gate control module connector, power seat control module connector, glass roof control module connector and sunshade control module connector disconnected)

    3. Turn the ignition switch to ON.
    4. Wait for 5 seconds.
    5. Read the DTC of [Body Control] using the Subaru Select Monitor. Ref. to BODY CONTROL (DIAGNOSTICS)>Diagnostic Trouble Code (DTC) .

    Is DTC U1673 displayed? (Current malfunction)

    Yes  : Go to  6.

    No  : Replace the rain sensor. Ref. to GLASS/WINDOWS/MIRRORS>RAIN SENSOR .

  6. CHECK HARNESS (OPEN CIRCUIT)  .
    1. Turn the ignition switch to OFF.
    2. Disconnect the body integrated unit connector.
    3. Measure the resistance between body integrated unit connector and each unit connector.

      Connector & terminal 

      (i81) No. 18 - (R422) No. 14:

      (i81) No. 18 - (R155) No. 12:

      (i81) No. 18 - (AD42) No. 11:

      (i81) No. 18 - (AD41) No. 11:

      (i81) No. 18 - (R352) No. 1:

    Is the resistance less than 10 Ω?

    Yes  : Go to  7.

    No  : Repair the open circuit of harness.

  7. CHECK HARNESS (SHORT CIRCUIT TO POWER SUPPLY)  .

    Measure the voltage between each unit connector and chassis ground.

    Connector & terminal 

    (i81) No. 18 (+) - Chassis ground (-):

    (R422) No. 14 (+) - Chassis ground (-):

    (R155) No. 12 (+) - Chassis ground (-):

    (AD42) No. 11 (+) - Chassis ground (-):

    (AD41) No. 11 (+) - Chassis ground (-):

    (R352) No. 1 (+) - Chassis ground (-):

    Is the voltage less than 1 V?

    Yes  : Go to  8.

    No  : Repair the short circuit to power supply in harness.

  8. CHECK HARNESS (GROUND SHORT CIRCUIT)  .

    Measure the resistance between each unit connector and chassis ground.

    Connector & terminal 

    (i81) No. 18 - Chassis ground:

    (R422) No. 14 - Chassis ground:

    (R155) No. 12 - Chassis ground:

    (AD42) No. 11 - Chassis ground:

    (AD41) No. 11 - Chassis ground:

    (R352) No. 1 - Chassis ground:

    Is the resistance 1 MΩ or more?

    Yes  : Replace the body integrated unit. Ref. to SECURITY AND LOCKS>BODY INTEGRATED UNIT .

    No  : Repair the ground short circuit of harness.