LEMON Manuals: Even more car manuals for everyone: 1960-2025
Home >> Subaru >> 2022 >> Ascent Base >> Repair and Diagnosis (Single Page) >> Engine Performance >> System >> Engine Control System (Diagnostics) (1 Of 4) >> Diagnostic Procedure with Diagnostic Trouble Code (DTC) >> DTC P013A: O2 Sensor Slow Response - Rich To Lean Bank 1 Sensor 2 >> Notes
April 5, 2026: LEMON Manuals is launched! Read the announcement.

DTC P013A: O2 Sensor Slow Response - Rich To Lean Bank 1 Sensor 2: Notes

  1. DTC detecting condition: 

    Detected when two consecutive driving cycles with fault occur.

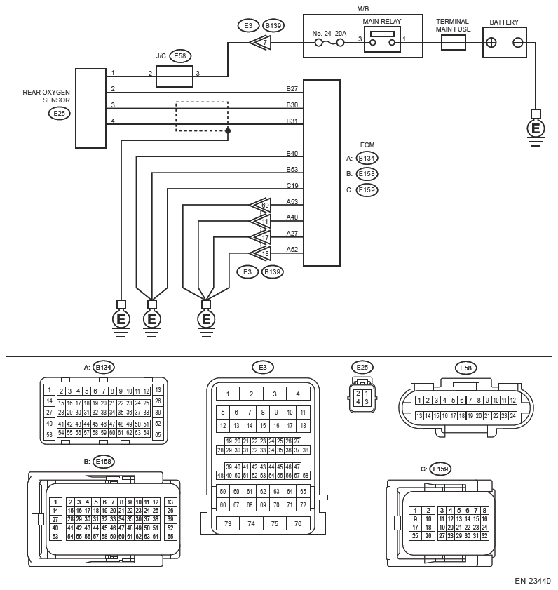
    Wiring diagram: 

    Engine Electrical System. Ref. to WIRING SYSTEM>ENGINE ELECTRICAL SYSTEM .

    G13866287Courtesy of SUBARU OF AMERICA, INC.
    CAUTION: Use the check board when measuring the ECM terminal voltage and resistance. Ref. to ENGINE (DIAGNOSTICS) (H4DOTC)>General Description>PREPARATION TOOL>HOW TO USE CHECK BOARD .
    NOTE: After the faulty parts are repaired or replaced, perform the final check in Basic Diagnostic Procedure. Ref. to ENGINE (DIAGNOSTICS) (H4DOTC)>Basic Diagnostic Procedure>PROCEDURE .
  1. CHECK DTC 
    1. Turn the ignition switch to ON.
    2. Using the Subaru Select Monitor or a general scan tool, read the DTC of [Engine]. Ref. to COMMON (DIAGNOSTICS)>OPERATION .

    Are DTCs other than P013A, P013B, P013E and P013F displayed? (Current code)

    Check the appropriate DTC using the "Diagnostic Trouble Code (DTC)". Ref. to LIST .

    Go to  2.

  2. CHECK HARNESS BETWEEN ECM AND REAR OXYGEN SENSOR CONNECTOR (OPEN)  .
    1. Turn the ignition switch to OFF.
    2. Disconnect the connector from ECM.
    3. Disconnect the connector from the rear oxygen sensor.
    4. Measure the resistance of harness between ECM connector and rear oxygen sensor connector.

      Connector & terminal 

      (E158) No. 31 - (E25) No. 4:

    Is the resistance less than 1 Ω?

    Yes  : Go to  3.

    No  : Repair the open circuit of harness between ECM connector and rear oxygen sensor connector  .

  3. CHECK HARNESS BETWEEN ECM AND REAR OXYGEN SENSOR CONNECTOR (SHORT TO GROUND)  .

    Measure the resistance between rear oxygen sensor connector and engine ground.

    Connector & terminal 

    (E25) No. 4 - Engine ground:

    Is the resistance 1 MΩ or more?

    Yes  : Go to  4.

    No  : Repair the short circuit to ground in harness between ECM connector and rear oxygen sensor connector  .

  4. CHECK REAR OXYGEN SENSOR  .

    Measure the resistance between rear oxygen sensor terminals.

    Terminals 

    No. 3 - No. 4

    Is the resistance less than 1 Ω?

    Yes  : Replace the rear oxygen sensor. Ref. to FUEL INJECTION (FUEL SYSTEMS) (H4DOTC)>REAR OXYGEN SENSOR .

    No  : Even if DTC is detected, the circuit has returned to a normal condition at this time  .

    Reproduce the failure, and then perform the diagnosis again.

    NOTE: In this case, temporary poor contact of connector, temporary open or short circuit of harness may be the cause.