LEMON Manuals: Even more car manuals for everyone: 1960-2025
Home >> Subaru >> 2022 >> Ascent Base >> Repair and Diagnosis (Single Page) >> Engine Performance >> System >> Engine Control System (Diagnostics) (2 Of 4) >> Diagnostic Procedure with Diagnostic Trouble Code (DTC) >> DTC P0481: Fan 2 Control Circuit >> Notes
April 5, 2026: LEMON Manuals is launched! Read the announcement.

DTC P0481: Fan 2 Control Circuit: Notes

  1. DTC detecting condition: 

    Detected when two consecutive driving cycles with fault occur.

    Trouble symptom: 

    The radiator fan keeps rotating.

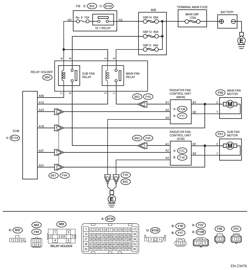
    Wiring diagram: 

    Engine Electrical System Ref. to WIRING SYSTEM>ENGINE ELECTRICAL SYSTEM .

G13866368Courtesy of SUBARU OF AMERICA, INC.
CAUTION: Use the check board when measuring the ECM terminal voltage and resistance. Ref. to ENGINE (DIAGNOSTICS) (H4DOTC)>General Description>PREPARATION TOOL>HOW TO USE CHECK BOARD .
NOTE: After the faulty parts are repaired or replaced, perform the final check in Basic Diagnostic Procedure. Ref. to ENGINE (DIAGNOSTICS) (H4DOTC)>Basic Diagnostic Procedure>PROCEDURE .
  1. CHECK HARNESS OF RADIATOR SUB FAN DIAGNOSTIC SIGNAL (OPEN)  .
    1. Turn the ignition switch to OFF.
    2. Disconnect the connector from ECM.
    3. Disconnect the connector from the sub fan motor.
    4. Disconnect the connector from radiator fan control module (sub).
    5. Measure the resistance between ECM connector and sub fan motor connector.

      Connector & terminal 

      (B134) No. 31 - (F51) No. 2:

    Is the resistance less than 1 Ω?

    Yes  : Go to  2.

    No  : Repair the following item.

    • Open circuit in harness between ECM connector and sub fan motor connector
    • Poor contact of coupling connector
  2. CHECK HARNESS OF RADIATOR SUB FAN DIAGNOSTIC SIGNAL (SHORT TO GROUND)  .

    Measure the resistance between the ECM connector and engine ground.

    Connector & terminal 

    (B134) No. 31 (+) - Engine ground (-):

    Is the resistance 1 MΩ or more?

    Yes  : Go to  3.

    No  : Repair the short circuit to ground in harness between ECM connector and sub fan motor or radiator fan control unit (sub) connector.

  3. CHECK SUB FAN RELAY  .
    1. Remove the sub fan relay from the relay holder.
    2. Check the sub fan relay. Ref. to COOLING (H4DOTC)>Radiator Fan Relay>INSPECTION .

    Is the check result OK?

    Yes  : Go to  4.

    No  : Replace the sub fan relay. Ref. to COOLING (H4DOTC)>RADIATOR FAN RELAY .

  4. CHECK POWER SUPPLY FOR RADIATOR FAN CONTROL UNIT (SUB)  .
    1. Connect the connector to ECM.
    2. Turn the ignition switch to ON.
    3. Measure the voltage between relay holder connector and engine ground.

      Connector & terminal 

      (B66) No. 6 (+) - Engine ground (-):

      (B66) No. 8 (+) - Engine ground (-):

    Is the voltage 10 V or more?

    Yes  : Go to  5.

    No  : Repair the following item.

    • Open circuit or short circuit to ground in harness between M/B and relay holder connector
    • Open circuit or short circuit to ground in harness between F/B and relay holder connector
    • Blown out of fuse
    • Poor contact of IG1 relay
  5. CHECK POWER SUPPLY FOR RADIATOR FAN CONTROL UNIT (SUB)  .
    1. Turn the ignition switch to OFF.
    2. Install the sub fan relay.
    3. Turn the ignition switch to ON.
    4. Measure the voltage between radiator fan control unit (sub) connector and engine ground.

      Connector & terminal 

      (F22) No. 1 (+) - Engine ground (-):

    Is the voltage 10 V or more?

    Yes  : Go to  6.

    No  : Repair the following item.

    • Open circuit or short circuit to ground in harness between relay holder and radiator fan control unit (sub) connector
    • Open circuit or short circuit to ground in harness between relay holder and ECM connector
    • Poor contact of coupling connector
    • Poor contact of sub fan relay
  6. CHECK HARNESS OF ECM AND RADIATOR FAN CONTROL UNIT (SUB) (SHORT TO POWER SUPPLY)  .
    1. Turn the ignition switch to OFF.
    2. Disconnect the connector from ECM.
    3. Measure the voltage between ECM connector and engine ground.

      Connector & terminal 

      (B134) No. 37 (+) - Engine ground (-):

    Is the voltage 10 V or more?

    Yes  : Repair the power supply short circuit of harness between ECM and radiator fan control unit (sub) connector.

    No  : Replace the radiator fan control module (sub). Ref. to COOLING (H4DOTC)>Radiator Fan and Fan Motor Assembly>DISASSEMBLY .