LEMON Manuals: Even more car manuals for everyone: 1960-2025
Home >> Subaru >> 2022 >> Ascent Base >> Repair and Diagnosis (Single Page) >> Engine Performance >> System >> Engine Control System (Diagnostics) (3 Of 4) >> Diagnostic Procedure with Diagnostic Trouble Code (DTC) >> DTC P2096: Post Catalyst Fuel Trim System Too Lean Bank 1 >> Notes
April 5, 2026: LEMON Manuals is launched! Read the announcement.

DTC P2096: Post Catalyst Fuel Trim System Too Lean Bank 1: Notes

DTC detecting condition: 

Detected when two consecutive driving cycles with fault occur.

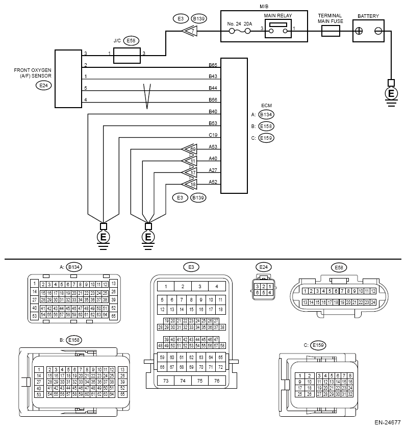
Wiring diagram: 

Engine Electrical System Ref. to WIRING SYSTEM>ENGINE ELECTRICAL SYSTEM .

G13866438Courtesy of SUBARU OF AMERICA, INC.
G13866439Courtesy of SUBARU OF AMERICA, INC.
CAUTION:

Use the check board when measuring the ECM terminal voltage and resistance. Ref. to ENGINE (DIAGNOSTICS) (H4DOTC)>General Description>PREPARATION TOOL> HOW TO USE CHECK BOARD  . 

NOTE:

After the faulty parts are repaired or replaced, perform the final check in Basic Diagnostic Procedure. Ref. to ENGINE (DIAGNOSTICS) (H4DOTC)>Basic Diagnostic Procedure> PROCEDURE  . 

  1. CHECK DTC  .
    1. Turn the ignition switch to ON.
    2. Using the Subaru Select Monitor or a general scan tool, read the DTC of [Engine]. Ref. to COMMON (diag)>DIAGNOSTIC TROUBLE CODE (DTC) .

    Is DTC other than P2096 displayed? (Current malfunction)

    Yes  : Check the appropriate DTC using the "Diagnostic Trouble Code (DTC)". Ref. to ENGINE (DIAGNOSTICS) (H4DOTC)>Diagnostic Trouble Code (DTC)>LIST .

    No  : Go to  2.

  2. CHECK FRONT OXYGEN (A/F) SENSOR CONNECTOR  .
    1. Turn the ignition switch to OFF.
    2. Check the front oxygen (A/F) sensor connector.

    Has water entered the connector?

    Yes  : Completely remove any water inside.

    No  : Go to  3.

  3. CHECK HARNESS BETWEEN ECM AND FRONT OXYGEN (A/F) SENSOR CONNECTOR (SHORT TO GROUND)  .

    Measure the resistance between the ECM connector and engine ground.

    Connector & terminal 

    (E158) No. 43 - Engine ground:

    (E158) No. 56 - Engine ground:

    (E158) No. 44 - Engine ground:

    Is the resistance 1 MΩ or more?

    Yes  : Go to  4.

    No  : Repair the short circuit to ground in harness between ECM connector and front oxygen (A/F) sensor connector.

  4. CHECK HARNESS BETWEEN ECM AND FRONT OXYGEN (A/F) SENSOR CONNECTOR (OPEN)  .
    1. Disconnect the connector from ECM.
    2. Disconnect the connector from the front oxygen (A/F) sensor.
    3. Measure the resistance of harness between ECM connector and front oxygen (A/F) sensor connector.

      Connector & terminal 

      (E158) No. 43 - (E24) No. 1:

      (E158) No. 56 - (E24) No. 4:

      (E158) No. 44 - (E24) No. 5:

      Is the resistance less than 1 Ω?

      Yes  : Go to  5.

      No  : Repair the open circuit of harness between ECM connector and front oxygen (A/F) sensor connector.

  5. CHECK HARNESS BETWEEN ECM AND FRONT OXYGEN (A/F) SENSOR CONNECTOR (SHORT TO POWER SUPPLY)  .
    1. Connect the connector to ECM.
    2. Turn the ignition switch to ON.
    3. Measure the voltage between front oxygen (A/F) sensor connector and engine ground.

      Connector & terminal 

      (E24) No. 1 (+) - Engine ground (-):

      (E24) No. 4 (+) - Engine ground (-):

      (E24) No. 5 (+) - Engine ground (-):

      Is the voltage 8 V or more?

      Yes  : Repair the short circuit to power in the harness between ECM connector and front oxygen (A/F) sensor connector.

      No  : Go to  6.

  6. CHECK EXHAUST SYSTEM  .

    Check the exhaust system.

    Are there holes or loose bolts on exhaust system?

    Yes  : Repair the exhaust system Ref. to EXHAUST (H4DOTC)>GENERAL DESCRIPTION .

    No  : Go to  7.

  7. CHECK AIR INTAKE SYSTEM  .

    Check the air intake system.

    Are there holes, loose bolts or disconnection of hose on air intake system?

    Yes  : Repair the air intake system. Ref. to INTAKE (INDUCTION) (H4DOTC)>GENERAL DESCRIPTION .

    No  : Go to  8.

  8. CHECK FUEL PRESSURE  .
    WARNING:

    Place "NO OPEN FLAMES" signs near the working area. 

    CAUTION:
    • Be careful not to spill fuel. 
    • Before attaching/detaching a fuel pressure gauge, release the fuel pressure. 
    1. Connect the front oxygen (A/F) sensor connector.
    2. Check the fuel pressure. Ref. to MECHANICAL (H4DOTC)>Fuel Pressure>INSPECTION .

    Is the check result OK?

    Yes  : Go to  9.

    No:  Check the fuel pump and fuel delivery line. Ref. to FUEL INJECTION (FUEL SYSTEMS) (H4DOTC)>Fuel Pump>INSPECTION . Ref. to FUEL INJECTION (FUEL SYSTEMS) (H4DOTC)>Fuel Delivery and Evaporation Lines>INSPECTION .

  9. CHECK ENGINE COOLANT TEMPERATURE SENSOR  .
    1. Start the engine and warm up completely.
    2. Using the Subaru Select Monitor, read the value in [Coolant Temp.].
    NOTE:

    For detailed operation procedures, refer to "Common (Diagnostics)". Ref. to COMMON (diag)> DATA MONITOR  . 

    Is the value of [Coolant Temp.] 75°C (167°F) or more?

    Yes  : Go to  10.

    No:  Replace the engine coolant temperature sensor. Ref. to FUEL INJECTION (FUEL SYSTEMS) (H4DOTC)>ENGINE COOLANT TEMPERATURE SENSOR .

  10. CHECK MASS AIR FLOW AND INTAKE AIR TEMPERATURE SENSOR  .
    1. Start the engine and warm up until the engine coolant temperature exceeds 75°C (167°F).
    2. Place the select lever in "P" range or "N" range.
    3. Turn the A/C switch to OFF.
    4. Turn all the accessory switches to OFF.
    5. Using the Subaru Select Monitor, read the value in [Air Flow Rate from Mass Air Flow Sensor].
    NOTE:

    For detailed operation procedures, refer to "Common (Diagnostics)". Ref. to COMMON (diag)> DATA MONITOR  . 

    Is the value of [Air Flow Rate from Mass Air Flow Sensor] 2 - 5 g/s (0.26 - 0.66 lb/s)?

    Yes  : Go to  11.

    No:  Replace the mass air flow and intake air temperature sensor. Ref. to FUEL INJECTION (FUEL SYSTEMS) (H4DOTC)>MASS AIR FLOWS AND INTAKE AIR TEMPERATURE SENSOR .

  11. CHECK MASS AIR FLOW AND INTAKE AIR TEMPERATURE SENSOR  .
    1. Start the engine and warm up until the engine coolant temperature exceeds 75°C (167°F).
    2. Place the select lever in "P" range or "N" range.
    3. Turn the A/C switch to OFF.
    4. Turn all the accessory switches to OFF.
    5. Open the front hood.
    6. Measure the ambient temperature.
    7. Using the Subaru Select Monitor, read the value in [Intake Air Temperature (B1-S1)].
      NOTE:

      For detailed operation procedures, refer to "Common (Diagnostics)". Ref. to COMMON (diag)> DATA MONITOR  . 

      Subtract ambient temperature from [Intake Air Temperature (B1-S1)]. Is the obtained value -10 - 50 °C (-18 - 90 °F)?

      Yes  : Go to  12.

      No:  Check the mass air flow and intake air temperature sensor. Ref. to FUEL INJECTION (FUEL SYSTEMS) (H4DOTC)>MASS AIR FLOWS AND INTAKE AIR TEMPERATURE SENSOR .

  12. CHECK REAR OXYGEN SENSOR DATA  .
    1. Warm up the engine until engine coolant temperature is higher than 75°C (167°F), and keep the engine speed at 3, 000 rpm. (2 minutes maximum)
    2. Using the Subaru Select Monitor, read the value in [Bank 1 - Sensor 2 present at that location].
      NOTE:

      For detailed operation procedures, refer to "Common (Diagnostics)". Ref. to COMMON (diag)> DATA MONITOR  . 

      Is the value of [Bank 1 - Sensor 2 present at that location] 0.49 V or more?

      Yes  : Go to  13.

      No:  Go to  14.

  13. CHECK REAR OXYGEN SENSOR DATA  .
    1. Warm up the engine until engine coolant temperature is higher than 75°C (167°F), and rapidly reduce the engine speed from 3000 rpm.
    2. Using the Subaru Select Monitor, read the value in [Bank 1 - Sensor 2 present at that location].
      NOTE:

      For detailed operation procedures, refer to "Common (Diagnostics)". Ref. to COMMON (diag)> DATA MONITOR  . 

      Is the value of [Bank 1 - Sensor 2 present at that location] 0.25 V or more?

      Yes  : Go to  15.

      No:  Go to  14.

  14. CHECK REAR OXYGEN SENSOR CONNECTOR  .
    1. Turn the ignition switch to OFF.
    2. Check the rear oxygen sensor connector.

      Has water entered the connector?

      Yes  : Completely remove any water inside.

      No:  Go to  16.

  15. CHECK FRONT OXYGEN (A/F) SENSOR USING REAR OXYGEN SENSOR SIGNAL  .
    1. Warm up the engine until the engine coolant temperature exceeds 75°C (167°F) and leave it at idling for 5 minutes or more.
    2. Using the Subaru Select Monitor, read the value in [Bank 1 - Sensor 2 present at that location].
      NOTE:

      For detailed operation procedures, refer to "Common (Diagnostics)". Ref. to COMMON (diag)> DATA MONITOR  . 

      Is the value of [Bank 1 - Sensor 2 present at that location] kept at 0.25 V or less for 5 minutes or more?

      Yes  : Replace the front oxygen (A/F) sensor. Ref. to FUEL INJECTION (FUEL SYSTEMS) (H4DOTC)>FRONT OXYGEN (A/F) SENSOR .

      No:  Go to  16.

  16. CHECK HARNESS BETWEEN ECM AND REAR OXYGEN SENSOR CONNECTOR (OPEN)  .
    1. Turn the ignition switch to OFF.
    2. Disconnect the connector from ECM.
    3. Disconnect the connector from the rear oxygen sensor.
    4. Measure the resistance of harness between ECM connector and rear oxygen sensor connector.

      Connector & terminal 

      (E158) No. 30 - (E25) No. 3:

      (E158) No. 31 - (E25) No. 4:

      Is the resistance less than 1 Ω?

      Yes  : Go to  17.

      No:  Repair the open circuit of harness between ECM connector and rear oxygen sensor connector.

  17. CHECK HARNESS BETWEEN ECM AND REAR OXYGEN SENSOR CONNECTOR  .
    1. Connect the connector to ECM.
    2. Turn the ignition switch to ON.
    3. Measure the voltage between rear oxygen sensor connector and engine ground.

      Connector & terminal 

      (E25) No. 4 (+) - Engine ground (-):

      Is the voltage 0.2 - 0.5 V?

      Yes  : Replace the rear oxygen sensor. Ref. to FUEL INJECTION (FUEL SYSTEMS) (H4DOTC)>REAR OXYGEN SENSOR .

      No:  Repair the following item.

      • Open circuit in harness between ECM connector and rear oxygen sensor connector
      • Poor contact of ECM connector
      • Poor contact of coupling connector