LEMON Manuals: Even more car manuals for everyone: 1960-2025
Home >> Subaru >> 2022 >> Ascent Base >> Repair and Diagnosis (Single Page) >> Engine Performance >> System >> Engine Control System (Diagnostics) (4 Of 4) >> Diagnostic Procedure with Diagnostic Trouble Code (DTC) >> DTC P2195: A/F/O2 Sensor Signal Biased/Stuck Lean Bank 1 Sensor 1 >> Notes
April 5, 2026: LEMON Manuals is launched! Read the announcement.

DTC P2195: A/F/O2 Sensor Signal Biased/Stuck Lean Bank 1 Sensor 1: Notes

  1. DTC detecting condition: 

    Detected when two consecutive driving cycles with fault occur.

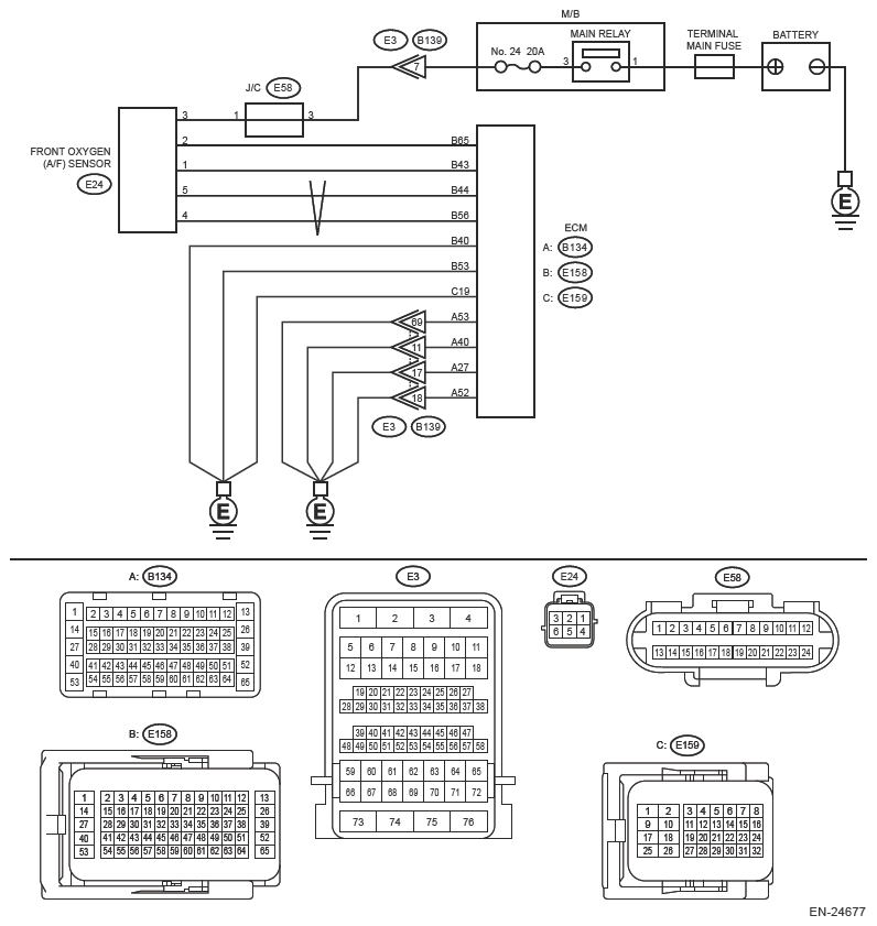
    Wiring diagram: 

    Engine Electrical System Ref. to WIRING SYSTEM>ENGINE ELECTRICAL SYSTEM .

G13866465Courtesy of SUBARU OF AMERICA, INC.
CAUTION:

Use the check board when measuring the ECM terminal voltage and resistance. Ref. to ENGINE (DIAGNOSTICS) (H4DOTC)>General Description>PREPARATION TOOL> HOW TO USE CHECK BOARD  . 

NOTE:

After the faulty parts are repaired or replaced, perform the final check in Basic Diagnostic Procedure. Ref. to ENGINE (DIAGNOSTICS) (H4DOTC)>Basic Diagnostic Procedure> PROCEDURE  . 

  1. CHECK FRONT OXYGEN (A/F) SENSOR CONNECTOR  .
    1. Turn the ignition switch to OFF.
    2. Check the front oxygen (A/F) sensor connector.

    Has water entered the connector?

    Yes  : Completely remove any water inside.

    No  : Go to  2.

  2. CHECK HARNESS BETWEEN ECM AND FRONT OXYGEN (A/F) SENSOR CONNECTOR (SHORT TO GROUND)  .
    1. Disconnect the connector from ECM.
    2. Measure the resistance between the ECM connector and engine ground.

      Connector & terminal 

      (E158) No. 43 - Engine ground:

      (E158) No. 56 - Engine ground:

      (E158) No. 44 - Engine ground:

    Is the resistance 1 MΩ or more?

    Yes  : Go to  3.

    No  : Repair the short circuit to ground in harness between ECM connector and front oxygen (A/F) sensor connector.

  3. CHECK HARNESS BETWEEN ECM AND FRONT OXYGEN (A/F) SENSOR CONNECTOR (SHORT TO POWER SUPPLY)  .
    1. Connect the connector to ECM.
    2. Disconnect the connector from the front oxygen (A/F) sensor.
    3. Turn the ignition switch to ON.
    4. Measure the voltage between ECM connector and engine ground.

      Connector & terminal 

      (E158) No. 43 (+) - Engine ground (-):

      (E158) No. 56 (+) - Engine ground (-):

      (E158) No. 44 (+) - Engine ground (-):

    Is the voltage 8 V or more?

    Yes  : Repair the short circuit to power in the harness between ECM connector and front oxygen (A/F) sensor connector.

    No  : Repair the poor contact of ECM connector.