LEMON Manuals: Even more car manuals for everyone: 1960-2025
Home >> Subaru >> 2022 >> Ascent Base >> Repair and Diagnosis (Single Page) >> Engine Performance >> System >> Engine Control System (Diagnostics) (4 Of 4) >> Diagnostic Procedure with Diagnostic Trouble Code (DTC) >> DTC P2530: Ignition Switch Run Position Circuit >> Notes
April 5, 2026: LEMON Manuals is launched! Read the announcement.

DTC P2530: Ignition Switch Run Position Circuit: Notes

1. - DTC detecting condition: 

Immediately at fault recognition

Trouble symptom: 

Improper idling

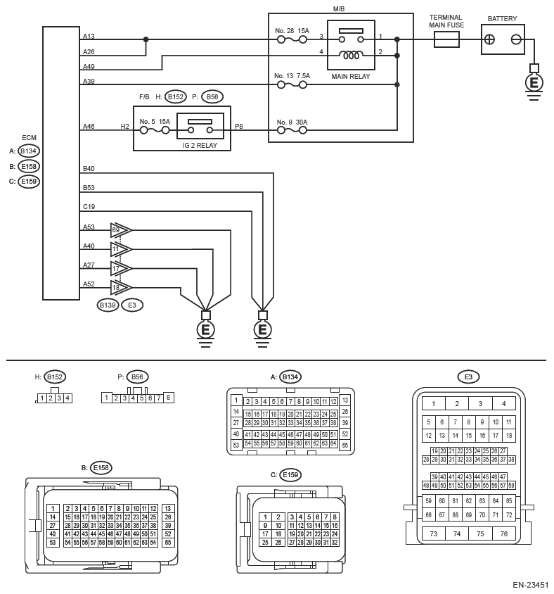
Wiring diagram: 

Engine Electrical System Ref. to WIRING SYSTEM>ENGINE ELECTRICAL SYSTEM .

G13866499Courtesy of SUBARU OF AMERICA, INC.
CAUTION:

Use the check board when measuring the ECM terminal voltage and resistance. Ref. to  ENGINE (DIAGNOSTICS) (H4DOTC)>GENERAL DESCRIPTION>PREPARATION TOOL>HOW TO USE CHECK BOARD  . 

NOTE:

After the faulty parts are repaired or replaced, perform the final check in Basic Diagnostic Procedure. Ref. to  ENGINE (DIAGNOSTICS) (H4DOTC)>BASIC DIAGNOSTIC PROCEDURE>PROCEDURE  . 

  1. CHECK ECM CONNECTOR  .

    Check the connecting condition of ECM connector.

    Is the ECM connector correctly connected?

    Yes  : Go to  2.

    No  : Connect the ECM connector correctly.

  2. CHECK INPUT VOLTAGE OF ECM  .
    1. Turn the ignition switch to ON.
    2. Measure the voltage between ECM connector and engine ground while wiggling the harness between ECM connector and F/B connector.

      Connector & terminal 

      (B134) No. 46 (+) - Engine ground (-):

      Is the voltage 8 V or more all the time?

      Yes  : Even if DTC is detected, the circuit has returned to a normal condition at this time.

      Reproduce the failure, and then perform the diagnosis again.

      NOTE:

      In this case, the following items may be the cause of fault. 

      • Poor contact of ECM connector 
      • Poor contact of F/B connector 
      • Poor contact of IG2 relay 

      No  : Repair the following item.

      • Blown out of fuse
      • Open circuit or short circuit to ground in harness between M/B and F/B connector
      • Open circuit or short circuit to ground in harness between F/B connector and ECM connector
      • Poor contact of F/B connector
      • Defective IG2 relay
      • Poor contact of IG2 relay