LEMON Manuals: Even more car manuals for everyone: 1960-2025
Home >> Subaru >> 2022 >> Ascent Base >> Repair and Diagnosis (Single Page) >> Engine Performance >> System >> Engine Control System (Diagnostics) (4 Of 4) >> Diagnostic Procedure with Diagnostic Trouble Code (DTC) >> DTC U0077: Lin Communication Bus "ECM/Pcm" Off >> Notes
April 5, 2026: LEMON Manuals is launched! Read the announcement.

DTC U0077: Lin Communication Bus "ECM/Pcm" Off: Notes

1. - DTC detecting condition: 

Immediately at fault recognition

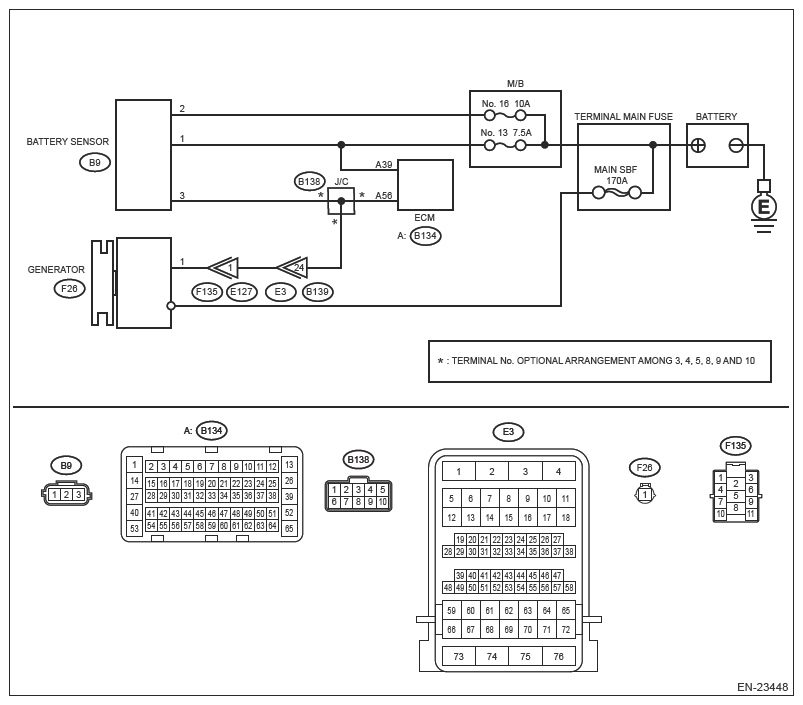
Wiring diagram: 

Engine Electrical System Ref. to WIRING SYSTEM>ENGINE ELECTRICAL SYSTEM .

G13866508Courtesy of SUBARU OF AMERICA, INC.
CAUTION:

Use the check board when measuring the ECM terminal voltage and resistance. Ref. to ENGINE (DIAGNOSTICS) (H4DOTC)>General Description>PREPARATION TOOL> HOW TO USE CHECK BOARD  . 

NOTE:

After the faulty parts are repaired or replaced, perform the final check in Basic Diagnostic Procedure. Ref. to ENGINE (DIAGNOSTICS) (H4DOTC)>Basic Diagnostic Procedure> PROCEDURE  . 

  1. CHECK DTC  .
    1. Turn the ignition switch to ON.
    2. Using the Subaru Select Monitor or a general scan tool, read the DTC of [Engine]. Ref. to COMMON (DIAG)>DIAGNOSTIC TROUBLE CODE (DTC) .

      Is DTC U0077 displayed? (Current malfunction)

      Yes  : Go to  2.

      No  : Even if DTC is detected, the circuit has returned to a normal condition at this time.

      Reproduce the failure, and then perform the diagnosis again.

      NOTE:

      In this case, temporary poor contact of connector, temporary open or short circuit of harness may be the cause. 

  2. CHECK HARNESS BETWEEN ECM AND BATTERY SENSOR, GENERATOR (OPEN)  .
    1. Turn the ignition switch to OFF.
    2. Disconnect the connector from ECM.
    3. Disconnect the connector from battery sensor.
    4. Disconnect the connector from the generator.
    5. Measure the resistance of harness between ECM connector and battery sensor connector and generator connector.

      Connector & terminal 

      (B134) No. 56 - (B9) No. 3:

      (B134) No. 56 - (F26) No. 1:

      Is the resistance less than 1 Ω?

      Yes  : Go to  3.

      No  : Repair the following item.

      • Open circuit in harness between ECM connector and battery sensor connector
      • Open circuit of harness between ECM connector and generator connector
      • Poor contact of J/C
  3. CHECK HARNESS BETWEEN ECM AND BATTERY SENSOR, GENERATOR (SHORT TO GROUND)  .

    Measure the resistance between ECM connector and chassis ground.

    Connector & terminal 

    (B134) No. 56 - Chassis ground:

    Is the resistance 1 MΩ or more?

    Yes  : Go to  4.

    No  : Repair the following item.

    • Short circuit to ground in harness between ECM connector and battery sensor connector
    • Short circuit to ground in harness between ECM connector and generator connector
  4. CHECK HARNESS BETWEEN ECM AND BATTERY SENSOR AND GENERATOR (SHORT TO POWER SUPPLY)  .
    1. Turn the ignition switch to ON.
    2. Measure the voltage between ECM connector and chassis ground.

      Connector & terminal 

      (B134) No. 56 - Chassis ground:

      Is the voltage less than 1 V?

      Yes  : Go to  5.

      No  : Repair the following item.

      • Short circuit to power supply in harness between ECM connector and battery sensor connector
      • Short circuit to power supply in harness between ECM connector and generator connector
  5. CHECK DTC  .
    1. Turn the ignition switch to OFF.
    2. Connect the connector to the generator.
    3. Connect the connector to the battery sensor.
    4. Connect the connector to ECM.
    5. Using the Subaru Select Monitor or a general scan tool, perform the clear memory of [Engine]. Ref. to COMMON (DIAG)>CLEAR MEMORY .
    6. Using the Subaru Select Monitor or a general scan tool, read the DTC of [Engine]. Ref. to COMMON (DIAG)>DIAGNOSTIC TROUBLE CODE (DTC) .

      Is DTC U0077 displayed? (Current malfunction)

      Yes  : Replace the ECM. Ref. to FUEL INJECTION (FUEL SYSTEMS) (H4DOTC)>ENGINE CONTROL MODULE (ECM) .

      No  : Even if DTC is detected, the circuit has returned to a normal condition at this time.

      Reproduce the failure, and then perform the diagnosis again.

      NOTE:

      In this case, temporary poor contact of connector, temporary open or short circuit of harness may be the cause.