LEMON Manuals: Even more car manuals for everyone: 1960-2025
Home >> Subaru >> 2022 >> Ascent Base >> Repair and Diagnosis (Single Page) >> Engine Performance >> Testing & Diagnosis >> Engine Control System (Diagnostics) (4 Of 4) >> Diagnostic Procedure with Diagnostic Trouble Code (DTC) >> DTC P2404: EVAP System Leak Detection Pump Sense Circuit Range/Performance >> Notes
April 5, 2026: LEMON Manuals is launched! Read the announcement.

DTC P2404: EVAP System Leak Detection Pump Sense Circuit Range/Performance: Notes

1. - DTC detecting condition: 

Detected when two consecutive driving cycles with fault occur.

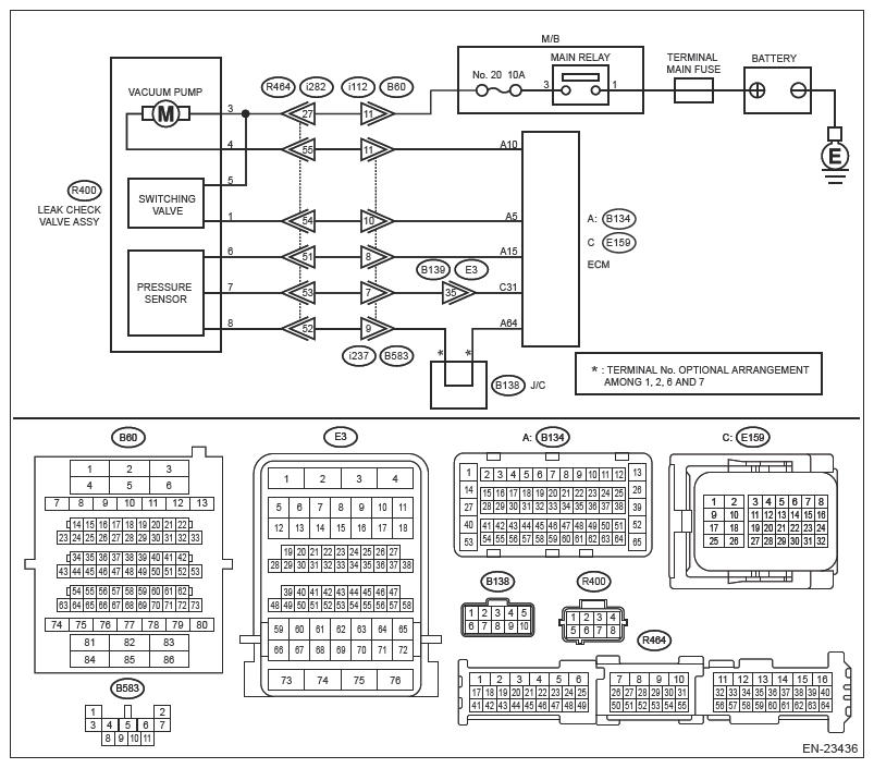
Wiring diagram: 

Engine Electrical System Ref. to WIRING SYSTEM>ENGINE ELECTRICAL SYSTEM .

G13866484Courtesy of SUBARU OF AMERICA, INC.
CAUTION:

Use the check board when measuring the ECM terminal voltage and resistance. Ref. to ENGINE (DIAGNOSTICS) (H4DOTC)>General Description>PREPARATION TOOL> HOW TO USE CHECK BOARD  . 

NOTE:

After the faulty parts are repaired or replaced, perform the final check in Basic Diagnostic Procedure. Ref. to ENGINE (DIAGNOSTICS) (H4DOTC)>Basic Diagnostic Procedure> PROCEDURE  . 

  1. CHECK DTC  .
    1. Turn the ignition switch to ON.
    2. Using the Subaru Select Monitor or a general scan tool, read the DTC of [Engine]. Ref. to COMMON (DIAG)>DIAGNOSTIC TROUBLE CODE (DTC) .

      Is DTC other than P2404 displayed? (Current malfunction)

      Yes  : Check the appropriate DTC using the "Diagnostic Trouble Code (DTC)". Ref. to ENGINE (DIAGNOSTICS) (H4DOTC)>DIAGNOSTIC TROUBLE CODE (DTC)>LIST .

      No  : Go to  2.

  2. CHECK LEAK CHECK VALVE ASSEMBLY PUMP  .

    Using the Subaru Select Monitor, operate the leak check valve assembly pump.

    NOTE:

    For detailed operation procedures, refer to the "Active Test". Ref. to ENGINE (DIAGNOSTICS) (H4DOTC)> ACTIVE TEST  . 

    Does the leak check valve assembly pump operate?

    Yes  : Go to  6.

    No  : Go to  3.

  3. CHECK POWER SUPPLY OF LEAK CHECK VALVE ASSEMBLY  .
    1. Turn the ignition switch to OFF.
    2. Disconnect the connector from the leak check valve assembly.
    3. Turn the ignition switch to ON.
    4. Measure the voltage between the leak check valve assembly connector and chassis ground.

      Connector & terminal 

      (R400) No. 3 (+) - Chassis ground (-):

      Is the voltage 10 V or more?

      Yes  : Go to  4.

      No  : Repair the following item.

      • Open circuit in harness between M/B and the leak check valve assembly connector
      • Poor contact of coupling connector
  4. CHECK HARNESS BETWEEN ECM AND LEAK CHECK VALVE ASSEMBLY CONNECTOR (OPEN)  .
    1. Turn the ignition switch to OFF.
    2. Disconnect the connector from ECM.
    3. Measure the resistance of harness between ECM connector and the leak check valve assembly connector.

      Connector & terminal 

      (B134) No. 10 - (R400) No. 4:

      Is the resistance less than 1 Ω?

      Yes  : Go to  5.

      No  : Repair the following item.

      • Open circuit in harness between ECM connector and the leak check valve assembly connector
      • Poor contact of coupling connector
  5. CHECK HARNESS BETWEEN ECM AND LEAK CHECK VALVE ASSEMBLY CONNECTOR (SHORT TO GROUND)  .

    Measure the resistance of harness between ECM connector and engine ground.

    Connector & terminal 

    (B134) No. 10 - Engine ground:

    Is the resistance 1 MΩ or more?

    Yes  : Replace the leak check valve assembly. Ref. to EMISSION CONTROL (AUX. EMISSION CONTROL DEVICES) (H4DOTC)>LEAK CHECK VALVE ASSEMBLY .

    No  : Repair the short circuit to ground in harness between ECM connector and leak check valve assembly connector.

  6. CHECK LEAK CHECK VALVE ASSEMBLY SWITCHING VALVE  .

    Using the Subaru Select Monitor, operate the leak check valve assembly switching valve.

    NOTE:

    For detailed operation procedures, refer to the "Active Test". Ref. to ENGINE (DIAGNOSTICS) (H4DOTC)> ACTIVE TEST  . 

    Does the leak check valve assembly switching valve operate?

    Yes  : Go to  10.

    No  : Go to  7.

  7. CHECK POWER SUPPLY OF LEAK CHECK VALVE ASSEMBLY  .
    1. Turn the ignition switch to OFF.
    2. Disconnect the connector from the leak check valve assembly.
    3. Turn the ignition switch to ON.
    4. Measure the voltage between the leak check valve assembly connector and chassis ground.

      Connector & terminal 

      (R400) No. 5 (+) - Chassis ground (-):

      Is the voltage 10 V or more?

      Yes  : Go to  8.

      No  : Repair the following item.

      • Open circuit in harness between M/B and the leak check valve assembly connector
      • Poor contact of coupling connector
  8. CHECK HARNESS BETWEEN ECM AND LEAK CHECK VALVE ASSEMBLY CONNECTOR (OPEN)  .
    1. Turn the ignition switch to OFF.
    2. Disconnect the connector from ECM.
    3. Measure the resistance of harness between ECM connector and the leak check valve assembly connector.

      Connector & terminal 

      (B134) No. 5 - (R400) No. 1:

      Is the resistance less than 1 Ω?

      Yes  : Go to  9.

      No  : Repair the following item.

      • Open circuit in harness between ECM connector and the leak check valve assembly connector
      • Poor contact of coupling connector
  9. CHECK HARNESS BETWEEN ECM AND LEAK CHECK VALVE ASSEMBLY CONNECTOR (SHORT TO GROUND)  .

    Measure the resistance of harness between ECM connector and engine ground.

    Connector & terminal 

    (B134) No. 5 - Engine ground:

    Is the resistance 1 MΩ or more?

    Yes  : Replace the leak check valve assembly. Ref. to EMISSION CONTROL (AUX. EMISSION CONTROL DEVICES) (H4DOTC)>LEAK CHECK VALVE ASSEMBLY .

    No  : Repair the short circuit to ground in harness between ECM connector and leak check valve assembly connector.

  10. CHECK EVAPORATIVE EMISSION CONTROL SYSTEM  .

    Perform the corresponding inspection mode. Ref. to ENGINE (DIAGNOSTICS) (H4DOTC)>INSPECTION MODE .

    Is DTC P2404 displayed? (Current malfunction)

    Yes  : Replace the leak check valve assembly. Ref. to EMISSION CONTROL (AUX. EMISSION CONTROL DEVICES) (H4DOTC)>LEAK CHECK VALVE ASSEMBLY .

    No  : Even if DTC is detected, the circuit has returned to a normal condition at this time. Reproduce the failure, and then perform the diagnosis again.

    NOTE:

    In this case, temporary poor contact of connector, temporary open or short circuit of harness may be the cause.