LEMON Manuals: Even more car manuals for everyone: 1960-2025
Home >> Subaru >> 2022 >> BRZ Limited, Automatic Trans >> Repair and Diagnosis >> Engine Performance >> System >> Engine Control System (Diagnostics) (2 Of 4) >> Diagnostic Procedure with Diagnostic Trouble Code (DTC) >> DTC P0512: Starter (Switch) Request Circuit >> Notes
April 5, 2026: LEMON Manuals is launched! Read the announcement.

DTC P0512: Starter (Switch) Request Circuit: Notes

DTC detecting condition: 

Immediately at fault recognition

Trouble symptom: 

Failure of engine to start

CAUTION: Use the check board when measuring the ECM terminal voltage and resistance. Ref. to ENGINE (DIAGNOSTICS) (H4DO)>GENERAL DESCRIPTION>PREPARATION TOOL>HOW TO USE CHECK BOARD .
NOTE: After the faulty parts are repaired or replaced, perform the final check in Basic Diagnostic Procedure. Ref. to ENGINE (DIAGNOSTICS) (H4DO)>BASIC DIAGNOSTIC PROCEDURE>PROCEDURE .

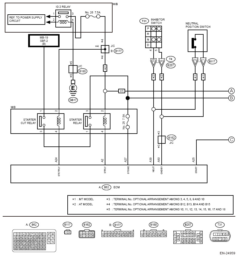
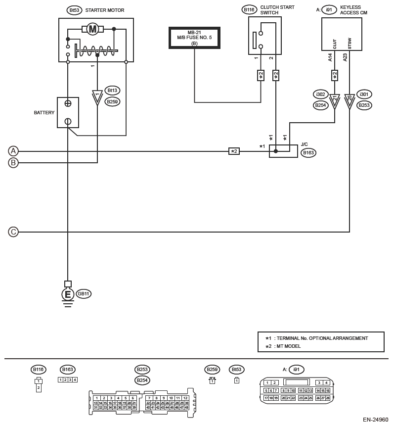
Wiring diagram: 

Engine Electrical System Ref. to WIRING SYSTEM>ENGINE ELECTRICAL SYSTEM .

G16527917Courtesy of SUBARU OF AMERICA, INC.
G16527918Courtesy of SUBARU OF AMERICA, INC.
  1. CHECK PUSH BUTTON IGNITION SWITCH  .

    Check the push button ignition switch. Ref. to SECURITY AND LOCKS>PUSH BUTTON IGNITION SWITCH>INSPECTION .

    Is the check result OK?

    Yes:  Go to  2.

    No:  Replace the push button ignition switch. Ref. to SECURITY AND LOCKS>PUSH BUTTON IGNITION SWITCH .

  2. CHECK DTC  .
    1. Turn the ignition switch to ON.
    2. Using the Subaru Select Monitor or a general scan tool, perform the clear memory of [Engine]. Ref. to COMMON (DIAGNOSTICS)>CLEAR MEMORY .
    3. Start and idle the engine for three minutes or more.
    4. Using the Subaru Select Monitor or a general scan tool, read the DTC of [Engine]. Ref. to COMMON (DIAGNOSTICS)>DIAGNOSTIC TROUBLE CODE (DTC) .

    Is DTC P0512 displayed? (Current code)

    Yes:  Go to  3.

    No:  Even if DTC is detected, the circuit has returned to a normal condition at this time.

    Reproduce the failure, and then perform the diagnosis again.

    NOTE: In this case, temporary poor contact of connector, temporary open or short circuit of harness may be the cause.
  3. CHECK HARNESS BETWEEN ECM AND KEYLESS ACCESS CONTROL MODULE (SHORT TO POWER SUPPLY)  .
    1. Turn the ignition to OFF.
    2. Disconnect the connector from ECM.
    3. Turn the ignition to ON.
    4. Measure the voltage between ECM connector and engine ground.

      Connector & terminal 

      (B62) No. 25 (+) - Engine ground (-):

    Is the voltage 1 V or more?

    Yes:  Repair the short circuit to power supply in harness between ECM connector and keyless access Control Module connector.

    No:  Repair the poor contact of ECM connector.