LEMON Manuals: Even more car manuals for everyone: 1960-2025
Home >> Subaru >> 2022 >> Forester Touring >> Repair and Diagnosis >> Engine Performance >> System >> Engine Control System (Diagnostics) (4 Of 4) >> Diagnostic Procedure with Diagnostic Trouble Code (DTC) >> DTC P2419: EVAP System Switching Valve Control Circuit Low >> Notes
April 5, 2026: LEMON Manuals is launched! Read the announcement.

DTC P2419: EVAP System Switching Valve Control Circuit Low: Notes

DTC detecting condition: 

Immediately at fault recognition

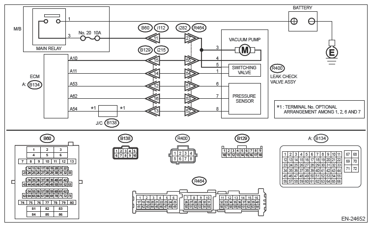
Wiring diagram: 

Engine Electrical System Ref. to WIRING SYSTEM>ENGINE ELECTRICAL SYSTEM .

G14414873Courtesy of SUBARU OF AMERICA, INC.
CAUTION: Use the check board when measuring the ECM terminal voltage and resistance. Ref. to ENGINE (DIAGNOSTICS) (H4DO)>GENERAL DESCRIPTION>PREPARATION TOOL>HOW TO USE CHECK BOARD .
NOTE: After the faulty parts are repaired or replaced, perform the final check in Basic Diagnostic Procedure. Ref. to ENGINE (DIAGNOSTICS) (H4DO)>BASIC DIAGNOSTIC PROCEDURE>PROCEDURE .
  1. CHECK HARNESS BETWEEN ECM AND LEAK CHECK VALVE ASSEMBLY CONNECTOR  .
    1. Turn the ignition switch to ON.
    2. Measure the voltage between ECM connector and engine ground.

      Connector & terminal 

      (B134) No. 11 (+) - Engine ground (-):

      Is the voltage 10 V or more?

      Yes  : Go to  2.

      No  : Go to  3.

  2. CHECK FOR POOR CONTACT  .

    Check for poor contact of ECM connector.

    Is there poor contact of ECM connector?

    Yes  : Repair the poor contact of ECM connector.

    No  : Even if DTC is detected, the circuit has returned to a normal condition at this time.

    Reproduce the failure, and then perform the diagnosis again.

    NOTE: In this case, temporary open or short circuit of harness or temporary poor contact of connector may be the cause.
  3. CHECK POWER SUPPLY OF LEAK CHECK VALVE ASSEMBLY  .

    Measure the voltage between the leak check valve assembly connector and chassis ground.

    Connector & terminal 

    (R400) No. 5 (+) - Chassis ground (-):

    Is the voltage 10 V or more?

    Yes  : Go to  4.

    No  : Repair the following item.

    • Open circuit in harness between M/B and the leak check valve assembly connector
    • Poor contact of coupling connector
  4. CHECK HARNESS BETWEEN ECM AND LEAK CHECK VALVE ASSEMBLY CONNECTOR (SHORT TO GROUND)  .
    1. Turn the ignition switch to OFF.
    2. Disconnect the connector from ECM.
    3. Disconnect the connector from the leak check valve assembly.
    4. Measure the resistance between leak check valve assembly and chassis ground.

      Connector & terminal 

      (R400) No. 1 - Chassis ground:

      Is the resistance 1 MΩ or more?

      Yes  : Go to  5.

      No  : Repair the short circuit to ground in harness between ECM connector and leak check valve assembly connector.

  5. CHECK HARNESS BETWEEN ECM AND LEAK CHECK VALVE ASSEMBLY (OPEN)  .

    Measure the resistance of harness between ECM connector and the leak check valve assembly connector.

    Connector & terminal 

    (B134) No. 11 - (R400) No. 1:

    Is the resistance less than 1 Ω?

    Yes  : Go to  6.

    No  : Repair the following item.

    • Open circuit in harness between ECM connector and the leak check valve assembly connector
    • Poor contact of coupling connector
  6. CHECK LEAK CHECK VALVE ASSEMBLY  .

    Check the switching valve of the leak check valve assembly. Ref. to EMISSION CONTROL (AUX. EMISSION CONTROL DEVICES) (H4DO)>LEAK CHECK VALVE ASSEMBLY>INSPECTION>CHECK SWITCHING VALVE .

    Is the check result OK?

    Yes  : Repair the poor contact in the leak check valve assembly connector.

    No  : Replace the leak check valve assembly. Ref. to EMISSION CONTROL (AUX. EMISSION CONTROL DEVICES) (H4DO)>LEAK CHECK VALVE ASSEMBLY .