LEMON Manuals: Even more car manuals for everyone: 1960-2025
Home >> Subaru >> 2022 >> Outback Touring XT >> Repair and Diagnosis (Single Page) >> Engine Performance >> Engine Control Systems >> Auto Start Stop System (Diagnostics) >> Diagnostic Procedure With Diagnostic Trouble Code (DTC) >> DTC P1580: Starter Relay Diagnosis Circuit >> Notes
April 5, 2026: LEMON Manuals is launched! Read the announcement.

DTC P1580: Starter Relay Diagnosis Circuit: Notes

1. - 

DTC detecting condition: 

Detected when two consecutive driving cycles with fault occur.

Trouble symptom: 

Auto Start Stop does not operate.

Wiring diagram: 

Auto Start Stop Ref. to WIRING SYSTEM>AUTO START STOP>WIRING DIAGRAM>ENGINE TYPE FB .

Fuse and relay Ref. to WIRING SYSTEM>FUSE AND RELAY>LOCATION>ENGINE COMPARTMENT SIDE (ENGINE TYPE FB) .

G13630221Courtesy of SUBARU OF AMERICA, INC.

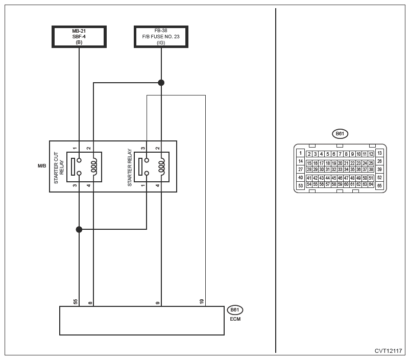
Auto Start Stop Ref. to WIRING SYSTEM>AUTO START STOP>WIRING DIAGRAM>ENGINE TYPE FA .

Fuse and relay Ref. to WIRING SYSTEM>FUSE AND RELAY>LOCATION>PASSENGER ROOM SIDE .

G13630222Courtesy of SUBARU OF AMERICA, INC.
CAUTION:
  1. CHECK DATA MONITOR  .
    1. Turn the ignition switch to ON.
    2. Read the data of [Starter relay diagnosis A/D value] in ECM using Subaru Select Monitor. Ref. to ENGINE (DIAGNOSTICS) (H4DO)>DATA MONITOR . Ref. to ENGINE (DIAGNOSTICS) (H4DOTC)>DATA MONITOR .

    Is the value of [Starter relay diagnosis A/D value] less than 2 V?

    Yes:  Go to  2 .

    No:  Go to  6 .

  2. CHECK STARTER RELAY  .
    1. Turn the ignition switch to OFF.
    2. Remove the starter relay.
    3. Measure the resistance between starter relay terminals.

      Terminals 

      No. 1 - No. 3:

    Is the resistance less than 1 Ω?

    Yes:  Replace the starter relay. Ref. to STARTING/CHARGING SYSTEMS (H4DO)>STARTER RELAY . Ref. to STARTING/CHARGING SYSTEMS (H4DOTC)>STARTER RELAY .

    No:  Go to  3 .

  3. CHECK HARNESS BETWEEN STARTER RELAY AND ECM CONNECTOR  .
    1. Disconnect the ECM connector.
    2. Measure the resistance between ECM connector and chassis ground.

      Connector and terminal 

      ENGINE TYPE FB

      (B62) No. 2 - Chassis ground:

      ENGINE TYPE FA

      (B61) No. 9 - Chassis ground:

    Is the resistance 1 MΩ or more?

    Yes:  Go to  4 .

    No:  Repair the short circuit to ground in harness between starter relay and ECM connector.

  4. CHECK OUTPUT SIGNAL OF ECM  .
    1. Install the starter relay.
    2. Turn the ignition switch to ON.
    3. Measure the voltage between ECM connector and chassis ground.

      Connector and terminal 

      ENGINE TYPE FB

      (B62) No. 2 (+) - Chassis ground (-):

      ENGINE TYPE FA

      (B61) No. 9 (+) - Chassis ground (-):

    Is the voltage 12 V or more?

    Yes:  Go to  5 .

    No:  Check for poor contact of ECM connector. Replace the ECM if no fault is found. Ref. to FUEL INJECTION (FUEL SYSTEMS) (H4DO)>ENGINE CONTROL MODULE (ECM) . Ref. to FUEL INJECTION (FUEL SYSTEMS) (H4DOTC)>ENGINE CONTROL MODULE (ECM) .

  5. CHECK HARNESS BETWEEN STARTER RELAY AND STARTER CUT RELAY AND ECM CONNECTOR  .
    1. Turn the ignition switch to OFF.
    2. Measure the resistance between ECM connector and chassis ground.

      Connector and terminal 

      ENGINE TYPE FB

      (B62) No. 45 - Chassis ground:

      Connector and terminal 

      ENGINE TYPE FA

      (B61) No. 55 - Chassis ground:

    Is the resistance 1 MΩ or more?

    Yes:  Check for poor contact of ECM connector. Replace the ECM if no fault is found. Ref. to FUEL INJECTION (FUEL SYSTEMS) (H4DO)>ENGINE CONTROL MODULE (ECM) . Ref. to FUEL INJECTION (FUEL SYSTEMS) (H4DOTC)>ENGINE CONTROL MODULE (ECM) .

    No:  Repair the short circuit to ground in harness between starter relay or starter cut relay and ECM connector.

  6. CHECK DATA MONITOR  .
    1. Turn the ignition switch to ON.
    2. Read the data of [Starter relay diagnosis A/D value] in ECM using Subaru Select Monitor. Ref. to ENGINE (DIAGNOSTICS) (H4DO)>DATA MONITOR . Ref. to ENGINE (DIAGNOSTICS) (H4DOTC)>DATA MONITOR .

    Is [Starter relay diagnosis A/D value] 10 V or more?

    Yes:  Go to  7 .

    No:  Go to  11 .

  7. CHECK STARTER CUT RELAY  .
    1. Turn the ignition switch to OFF.
    2. Remove the starter cut relay.
    3. Measure the resistance between starter cut relay terminals.

      Terminals 

      No. 1 - No. 3:

    Is the resistance less than 1 Ω?

    Yes:  Replace the starter cut relay. Ref. to STARTING/CHARGING SYSTEMS (H4DO)>STARTER RELAY . Ref. to STARTING/CHARGING SYSTEMS (H4DOTC)>STARTER RELAY .

    No:  Go to  8 .

  8. CHECK HARNESS BETWEEN STARTER RELAY AND ECM CONNECTOR  .
    1. Disconnect the ECM connector.
    2. Measure the resistance between ECM connector and chassis ground.

      Connector and terminal 

      ENGINE TYPE FB

      (B62) No. 24 - Chassis ground:

      ENGINE TYPE FA

      (B61) No. 8 - Chassis ground:

    Is the resistance 1 MΩ or more?

    Yes:  Go to  9 .

    No:  Repair the short circuit to ground in harness between starter cut relay and ECM connector.

  9. CHECK OUTPUT SIGNAL OF ECM  .
    1. Install the starter cut relay.
    2. Turn the ignition switch to ON.
    3. Measure the voltage between ECM connector and chassis ground.

      Connector and terminal 

      ENGINE TYPE FB

      (B62) No. 24 (+) - Chassis ground (-):

      ENGINE TYPE FA

      (B61) No. 8 (+) - Chassis ground (-):

    Is the voltage 12 V or more?

    Yes:  Go to  10 .

    No:  Check for poor contact of ECM connector. Replace the ECM if no fault is found. Ref. to FUEL INJECTION (FUEL SYSTEMS) (H4DO)>ENGINE CONTROL MODULE (ECM) . Ref. to FUEL INJECTION (FUEL SYSTEMS) (H4DOTC)>ENGINE CONTROL MODULE (ECM) .

  10. CHECK HARNESS BETWEEN STARTER RELAY AND STARTER CUT RELAY AND ECM CONNECTOR  .
    1. Turn the ignition switch to ON.
    2. Measure the voltage between ECM connector and chassis ground.

      Connector and terminal 

      ENGINE TYPE FB

      (B62) No. 45 (+) - Chassis ground (-):

      ENGINE TYPE FA

      (B61) No. 55 (+) - Chassis ground (-):

    Is the voltage 12 V or more?

    Yes:  Repair the short circuit to power supply in harness between starter relay or starter cut relay and ECM connector.

    No:  Check for poor contact of ECM connector. Replace the ECM if no fault is found. Ref. to FUEL INJECTION (FUEL SYSTEMS) (H4DO)>ENGINE CONTROL MODULE (ECM) . Ref. to FUEL INJECTION (FUEL SYSTEMS) (H4DOTC)>ENGINE CONTROL MODULE (ECM) .

  11. CHECK DATA MONITOR  .
    1. Connect the ECM connector.
    2. Read the data of [Starter relay diagnosis A/D value] in ECM using Subaru Select Monitor. Ref. to ENGINE (DIAGNOSTICS) (H4DO)>DATA MONITOR . Ref. to ENGINE (DIAGNOSTICS) (H4DOTC)>DATA MONITOR .
    NOTE:

    Read the data from Ignition switch ON to Engine being started. 

    Does the [Starter relay diagnosis A/D value] exceed 10 V?

    Yes:  The circuit has returned to a normal condition at this time. Reproduce the failure, and then perform the diagnosis again.

    NOTE:

    In this case, temporary poor contact of connector, temporary open or short circuit of harness may be the cause. 

    No:  Go to  12 .

  12. CHECK HARNESS BETWEEN M/B AND ECM CONNECTOR  .
    1. Disconnect the connector of ECM connector.
    2. Measure the resistance of harness between M/B and ECM connector.

      Connector and terminal 

      ENGINE TYPE FB

      (M/B) Starter relay No. 4 - (B62) No. 2:

      (M/B) Starter cut relay No. 4 - (B62) No. 24:

      ENGINE TYPE FA

      (M/B) Starter relay No. 4 - (B61) No. 9:

      (M/B) Starter cut relay No. 4 - (B61) No. 8:

    Is the resistance less than 1 Ω?

    Yes:  Check for poor contact of ECM connector. Replace the ECM if no fault is found. Ref. to FUEL INJECTION (FUEL SYSTEMS) (H4DO)>ENGINE CONTROL MODULE (ECM) . Ref. to FUEL INJECTION (FUEL SYSTEMS) (H4DOTC)>ENGINE CONTROL MODULE (ECM) .

    No:  Repair the open circuit of harness and poor contact of coupling connector between M/B and ECM connector.