LEMON Manuals: Even more car manuals for everyone: 1960-2025
Home >> Subaru >> 2022 >> Outback Touring XT >> Repair and Diagnosis (Single Page) >> Engine Performance >> System >> Engine Control System (2.4L) (Diagnostics) (2 Of 4) >> Diagnostic Procedure With Diagnostic Trouble Code (DTC) >> DTC P0480: Fan 1 Control Circuit >> Notes
April 5, 2026: LEMON Manuals is launched! Read the announcement.

DTC P0480: Fan 1 Control Circuit: Notes

1. - 

DTC detecting condition: 

Detected when two consecutive driving cycles with fault occur.

Trouble symptom: 

The radiator fan keeps rotating.

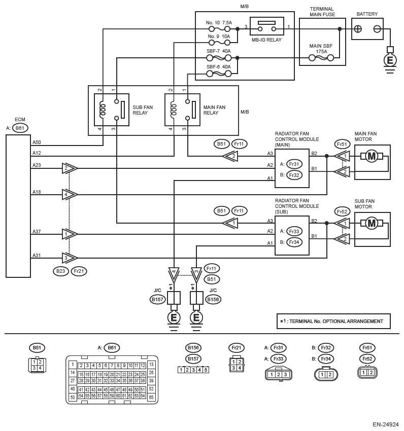
Wiring diagram: 

Engine Electrical System Ref. to WIRING SYSTEM>ENGINE ELECTRICAL SYSTEM .

G13629881Courtesy of SUBARU OF AMERICA, INC.
CAUTION:

Use the check board when measuring the ECM terminal voltage and resistance. Ref. to  ENGINE (DIAGNOSTICS) (H4DOTC)>GENERAL DESCRIPTION>PREPARATION TOOL>HOW TO USE CHECK BOARD  . 

NOTE:

After the faulty parts are repaired or replaced, perform the final check in Basic Diagnostic Procedure. Ref. to  ENGINE (DIAGNOSTICS) (H4DOTC)>BASIC DIAGNOSTIC PROCEDURE>PROCEDURE  . 

  1. CHECK HARNESS OF RADIATOR MAIN FAN DIAGNOSTIC SIGNAL (OPEN)  .
    1. Turn the ignition switch to OFF.
    2. Disconnect the connector from ECM.
    3. Disconnect the connector from the main fan motor.
    4. Disconnect the connector from radiator fan control module (main).
    5. Measure the resistance in harness between ECM connector and main fan motor connector, and between ECM connector and radiator fan control module (main) connector.

      Connector and terminal 

      (B61) No. 18 - (Fr51) No. 1:

      (B61) No. 18 - (Fr32) No. 2:

    Is the resistance less than 1 Ω?

    Yes:  Go to  2 .

    No:  Repair the following item.

    • Open circuit in harness between ECM connector and main fan motor connector
    • Open circuit in harness between ECM connector and radiator fan control module (main) connector
    • Poor contact of ECM connector
    • Poor contact of main fan motor connector
    • Poor contact of radiator fan control module (main) connector
    • Poor contact of coupling connector no yes no
  2. CHECK HARNESS OF MAIN FAN MOTOR DIAGNOSTIC SIGNAL (SHORT TO POWER SUPPLY)  .
    1. Turn the ignition switch to ON.
    2. Measure the voltage of harness between ECM connector and engine ground.

      Connector and terminal 

      (B61) No. 18 (+) - Engine ground (-):

    Is the voltage less than 1 V?

    Yes:  Go to  3 .

    No:  Repair the following item.

    • Short circuit to power supply in harness between ECM connector and main fan motor connector
    • Short circuit to power supply in harness between ECM connector and radiator fan control module (main) connector
  3. CHECK HARNESS BETWEEN RADIATOR FAN CONTROL MODULE (MAIN) AND MAIN FAN MOTOR (MOTOR DOWNSTREAM) (OPEN)  .
    1. Turn the ignition switch to OFF.
    2. Measure the resistance of harness between radiator fan control module (main) connector and main fan motor connector.

      Connector and terminal 

      (Fr32) No. 1 - (Fr51) No. 2:

    Is the resistance less than 1 Ω?

    Yes:  Go to  4 .

    No:  Repair the following item.

    • Open circuit in harness between radiator fan control module (main) connector and main fan motor connector
    • Poor contact of radiator fan control module (main) connector
    • Poor contact of main fan motor connector
    • Poor contact of coupling connector
  4. CHECK HARNESS BETWEEN RADIATOR FAN CONTROL MODULE (MAIN) AND MAIN FAN MOTOR (MOTOR DOWNSTREAM) (SHORT TO POWER SUPPLY)  .
    1. Turn the ignition switch to ON.
    2. Measure the voltage of harness between radiator fan control module (main) connector and engine ground.

      Connector and terminal 

      (Fr32) No. 1 (+) - Engine ground (-):

    Is the voltage less than 1 V?

    Yes:  Go to  5 .

    No:  Repair the short circuit to power supply in harness between radiator fan control module (main) connector and main fan motor connector.

  5. CHECK HARNESS BETWEEN RADIATOR FAN CONTROL MODULE (MAIN) AND CHASSIS GROUND (OPEN)  .
    1. Turn the ignition switch to OFF.
    2. Measure the resistance of harness between radiator fan control module (main) connector and engine ground.

      Connector and terminal 

      (Fr31) No. 1 - Engine ground:

    Is the resistance less than 1 Ω?

    Yes:  Go to  6 .

    No:  Repair the following item.

    • Open circuit in harness between radiator fan control module (main) connector and engine ground
    • Poor contact of radiator fan control module (main) connector
    • Poor contact of engine ground
    • Poor contact of coupling connector
    • Poor contact of joint connector
  6. CHECK HARNESS OF MAIN FAN MOTOR DRIVE SIGNAL CIRCUIT (SHORT TO POWER SUPPLY)  .
    1. Turn the ignition switch to ON.
    2. Measure the voltage of harness between ECM connector and engine ground.

      Connector and terminal 

      (B61) No. 23 (+) - Engine ground (-):

    Is the voltage less than 1 V?

    Yes:  Replace the radiator fan control module (main). Ref. to COOLING (H4DOTC)>RADIATOR FAN AND FAN MOTOR ASSEMBLY .

    No:  Repair the short circuit to power supply in harness between ECM connector and radiator fan control module (main) connector.