LEMON Manuals: Even more car manuals for everyone: 1960-2025
Home >> Subaru >> 2022 >> WRX Base, Automatic CVT Trans >> Repair and Diagnosis (Single Page) >> Engine Performance >> System >> Engine Control System (Diagnostics) (2 Of 4) >> Diagnostic Procedure with Diagnostic Trouble Code (DTC) >> DTC P0327: Knock/Combustion Vibration Sensor 1 Circuit Low Bank 1 Or Single Sensor >> Notes
April 5, 2026: LEMON Manuals is launched! Read the announcement.

DTC P0327: Knock/Combustion Vibration Sensor 1 Circuit Low Bank 1 Or Single Sensor: Notes

1. - 

DTC detecting condition: 

Immediately at fault recognition

Trouble symptom: 

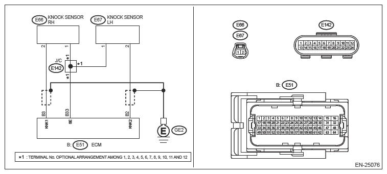
Wiring diagram: 

Engine Electrical System Ref. to WIRING SYSTEM>ENGINE ELECTRICAL SYSTEM

G14614524Courtesy of SUBARU OF AMERICA, INC.
CAUTION:

Use the check board when measuring the ECM terminal voltage and resistance. Ref. to  ENGINE (DIAGNOSTICS) (H4DOTC)>GENERAL DESCRIPTION>PREPARATION TOOL>HOW TO USE CHECK BOARD 

NOTE:

After the faulty parts are repaired or replaced, perform the final check in Basic Diagnostic Procedure. Ref. to  ENGINE (DIAGNOSTICS) (H4DOTC)>BASIC DIAGNOSTIC PROCEDURE>PROCEDURE 

  1. CHECK HARNESS BETWEEN ECM AND KNOCK SENSOR CONNECTOR  .
    1. Turn the ignition switch to OFF.
    2. Disconnect the connector from ECM.
    3. Measure the resistance between ECM connectors.

      Connector & terminal 

      (E51) No. 3 - (E51) No. 33:

    Is the resistance less than 500 kΩ?

    Yes  : Go to  2.

    No  : Go to  3.

  2. CHECK KNOCK SENSOR  .
    1. Disconnect the connector from the knock sensor.
    2. Measure the resistance between knock sensor connectors.

      Terminals 

      No. 1 - No. 2:

    Is the resistance less than 500 kΩ?

    Yes  : Replace the knock sensor. Ref. to FUEL INJECTION (FUEL SYSTEMS) (H4DOTC)>KNOCK SENSOR

    No  : Repair the short circuit between lines in the harness between the ECM connector and knock sensor connector.

    NOTE:

    The harness between both connectors are shielded. Remove the shield and repair the short circuit of harness. 

  3. CHECK INPUT SIGNAL OF ECM  .
    1. Connect the ECM.
    2. Turn the ignition switch to ON.
    3. Measure the voltage between ECM connector and engine ground.

      Connector & terminal 

      (E51) No. 3 (+) - Engine ground (-):

    Is the voltage 2 V or more?

    Yes  : Even if DTC is detected, the circuit has returned to a normal condition at this time. Reproduce the failure, and then perform the diagnosis again.

    NOTE:

    In this case, temporary poor contact of connector, temporary open or short circuit of harness may be the cause. 

    No  : Repair the short circuit to ground in harness between ECM connector and knock sensor connector.

    NOTE:

    The harness between both connectors are shielded. Remove the shield and repair the short circuit of harness.