LEMON Manuals: Even more car manuals for everyone: 1960-2025
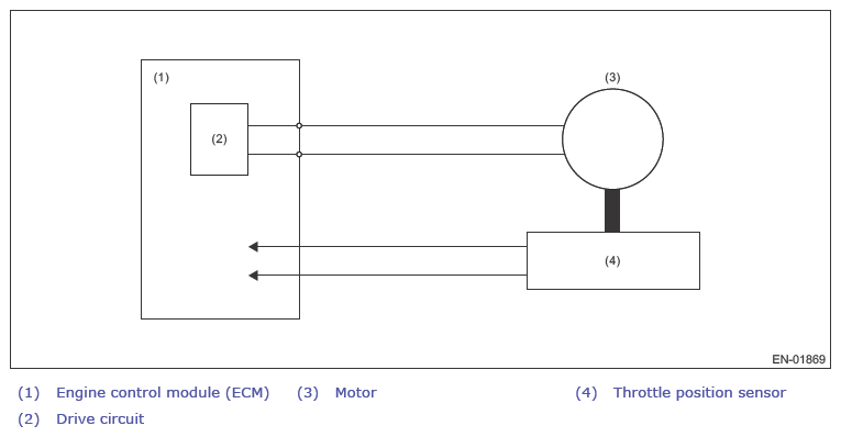
Home >> Subaru >> 2022 >> WRX Base, Automatic CVT Trans >> Repair and Diagnosis (Single Page) >> Engine Performance >> System >> Engine Control System (Diagnostics) (4 Of 4) >> Diagnostic Procedure with Diagnostic Trouble Code (DTC) >> DTC P2109: Throttle/Pedal Position Sensor "A" Minimum Stop Performance >> Component Description
April 5, 2026: LEMON Manuals is launched! Read the announcement.

Component Description

G14614661Courtesy of SUBARU OF AMERICA, INC.