DTC B227C: P Range Signal Performance
DTC detecting condition:
When any of the following conditions is established for CVT model.
- The status continues for 20 seconds where the ignition switch is ON, and the shift position (P terminal) is in shift P ("L" level), and the shift information on CAN is other than P.
- The status continues for 20 seconds where the ignition switch is ON, and the shift position (P terminal) is in other than shift P ("H" level), and the shift information on CAN is P.
Trouble symptom:
- Engine will not start.
- Power supply control cannot be executed.
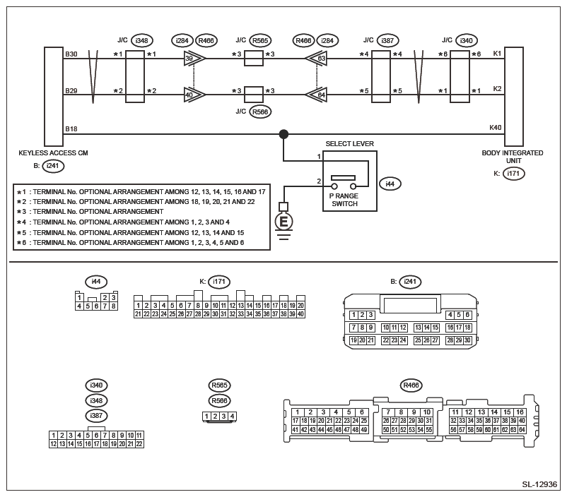
Wiring diagram:
- Keyless access with push button start system Ref. to WIRING SYSTEM>KEYLESS ACCESS WITH PUSH BUTTON START SYSTEM>WIRING DIAGRAM .
- CAN communication system Ref. to WIRING SYSTEM>CAN COMMUNICATION SYSTEM>WIRING DIAGRAM .
- For replacement procedure of keyless access control module, refer to the "REGISTRATION MANUAL FOR IMMOBILIZER" provided as a separate volume.
- Before performing diagnosis, refer to "CAUTION" in "General Description". Ref. to KEYLESS ACCESS WITH PUSH BUTTON START (DIAGNOSTICS)>GENERAL DESCRIPTION>CAUTION .
- CHECK DTC
.
- Turn the ignition switch to ON.
- Using the Subaru Select Monitor, perform the clear memory of [Keyless Access with Push Button Start (Power Supply)] and [Keyless Access with Push Button Start (Collation)]. Ref. to COMMON (DIAGNOSTICS)>CLEAR MEMORY
.
- Keyless Access with Push Button Start (Power Supply)
- Keyless Access with Push Button Start (Collation)
- Place the shift lever in other than P and leave it for one minute.
- Turn the ignition switch to OFF.
- Disconnect the connector from the keyless access control module and reconnect it.
- Turn the ignition switch to ON.
- Using the Subaru Select Monitor, read the DTCs of [Keyless Access with Push Button Start (Power Supply)] and [Keyless Access with Push Button Start (Collation)]. Ref. to KEYLESS ACCESS WITH PUSH BUTTON START (DIAGNOSTICS)>DIAGNOSTIC TROUBLE CODE (DTC) .
- Keyless Access with Push Button Start (Power Supply)
- Keyless Access with Push Button Start (Collation)
Is DTC B227C displayed? (Current code)
Yes: Go to 2.
No: Even if DTC is displayed, the circuit has returned to a normal condition at this time. Reproduce the failure, and then perform the diagnosis again.
NOTE: In this case, temporary poor contact of connector, temporary open or short circuit of harness may be the cause. - CHECK HARNESS (OPEN CIRCUIT)
.
- Turn the ignition switch to OFF.
- Disconnect the P range switch connector.
- Disconnect the keyless access control module connector.
- Using a tester, measure the resistance between the P range switch connector and the keyless access control module connector.
Connector & terminal
(i44) No. 1 - (i241) No. 18:
Is the resistance less than 1 Ω?
Yes: Go to 3.
No: Repair or replace the open circuit of harness.
- CHECK HARNESS (GROUND SHORT CIRCUIT)
.
Using a tester, measure the resistance between the keyless access control module connector and chassis ground.
Connector & terminal
(i241) No. 18 - Chassis ground:
Is the resistance 10 kΩ or more?
Yes: Go to 4.
No: Repair or replace the short circuit of the harness.
- CHECK HARNESS (OPEN CIRCUIT)
.
- Disconnect the body integrated unit connector.
- Using a tester, measure the resistance between body integrated unit connector and keyless access control module connector.
Connector & terminal
(i171) No. 1 - (i241) No. 30
(i171) No. 2 - (i241) No. 29
Is the resistance less than 1 Ω?
Yes: Go to 5.
No: Repair or replace the open circuit of harness.
- CHECK P RANGE SWITCH
.
Check the P range switch. Ref. to CONTROL SYSTEMS>SHIFT LOCK SOLENOID AND P RANGE SWITCH>INSPECTION .
Is the P range switch normal?
Yes: Go to 6.
No: Replace the P range switch. Ref. to CONTROL SYSTEMS>SHIFT LOCK SOLENOID AND P RANGE SWITCH .
- CHECK DATA MONITOR
.
- Connect the disconnected connectors.
- Turn the ignition switch to ON.
- Using the Subaru Select Monitor, check the following items in the [Data Monitor] of [Keyless Access with Push Button Start (Power Supply)] and [Keyless Access with Push Button Start (Collation)]. Ref. to KEYLESS ACCESS WITH PUSH BUTTON START (DIAGNOSTICS)>DATA MONITOR .
- Keyless Access with Push Button Start (Power Supply)
- Shift P signal (AT only)
- Keyless Access with Push Button Start (Collation)
- Shift P signal (AT only)
Is it turned [ON] when the shift position is in "P"? Is it turned [OFF] when the shift position is in other than "P"?
Yes: Even if DTC is displayed, the circuit has returned to a normal condition at this time. Reproduce the failure, and then perform the diagnosis again.
NOTE: In this case, temporary poor contact of connector, temporary open or short circuit of harness may be the cause.No: Replace the keyless access control module. Ref. to SECURITY AND LOCKS>KEYLESS ACCESS CONTROL MODULE .