LEMON Manuals: Even more car manuals for everyone: 1960-2025
Home >> Subaru >> 2023 >> Ascent Base >> Repair and Diagnosis (Single Page) >> Engine Performance >> System >> Engine Control System (Diagnostics) (1 Of 4) >> Diagnostic Procedure with Diagnostic Trouble Code (DTC) >> DTC P0112: Intake Air Temperature Sensor 1 Circuit Low Bank 1 >> Notes
April 5, 2026: LEMON Manuals is launched! Read the announcement.

DTC P0112: Intake Air Temperature Sensor 1 Circuit Low Bank 1: Notes

DTC detecting condition: 

Immediately at fault recognition

Trouble symptom: 

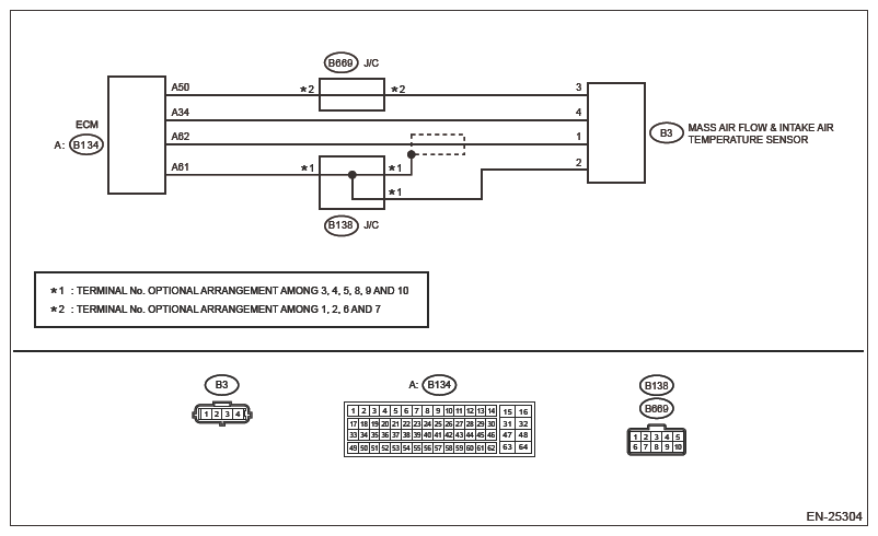
Wiring diagram: 

Engine Electrical System Ref. to WIRING SYSTEM>ENGINE ELECTRICAL SYSTEM .

G16446253Courtesy of SUBARU OF AMERICA, INC.
CAUTION: Use the check board when measuring the ECM terminal voltage and resistance. Ref. to ENGINE (DIAGNOSTICS) (H4DOTC)>GENERAL DESCRIPTION>PREPARATION TOOL>HOW TO USE CHECK BOARD .
NOTE: After the faulty parts are repaired or replaced, perform the final check in Basic Diagnostic Procedure. Ref. to ENGINE (DIAGNOSTICS) (H4DOTC)>BASIC DIAGNOSTIC PROCEDURE>PROCEDURE .
  1. CHECK DATA MONITOR  .
    1. Start the engine.
    2. Using the Subaru Select Monitor, read the value in [Intake Air Temperature (B1-S1)].
      NOTE: For detailed operation procedures, refer to "COMMON (DIAGNOSTICS)". Ref. to COMMON (DIAGNOSTICS)>DATA MONITOR .

    Is the value of [Intake Air Temperature (B1-S1)] 120°C (248°F) or more?

    Yes:  Go to  2.

    No:  Even if DTC is detected, the circuit has returned to a normal condition at this time. Reproduce the failure, and then perform the diagnosis again.

    NOTE: In this case, temporary poor contact of connector, temporary open or short circuit of harness may be the cause.
  2. CHECK HARNESS BETWEEN ECM AND MASS AIR FLOW AND INTAKE AIR TEMPERATURE SENSOR CONNECTOR (SHORT TO GROUND)  .
    1. Turn the ignition switch to OFF.
    2. Disconnect the connector from ECM.
    3. Disconnect the connectors from the mass air flow and intake air temperature sensor.
    4. Measure the resistance between the ECM connector and engine ground.

      Connector & terminal 

      (B134) No. 34 - Engine ground:

    Is the resistance 1 MΩ or more?

    Yes:  Replace the mass air flow and intake air temperature sensor. Ref. to FUEL INJECTION (FUEL SYSTEMS) (H4DOTC)>MASS AIR FLOW AND INTAKE AIR TEMPERATURE SENSOR .

    No:  Repair the ground short circuit of harness between ECM connector and the mass air flow and intake air temperature sensor connector.