LEMON Manuals: Even more car manuals for everyone: 1960-2025
Home >> Subaru >> 2023 >> Ascent Base >> Repair and Diagnosis (Single Page) >> Engine Performance >> System >> Engine Control System (Diagnostics) (2 Of 4) >> Diagnostic Procedure with Diagnostic Trouble Code (DTC) >> DTC P0197: Engine Oil Temperature Sensor "A" Circuit Low >> Notes
April 5, 2026: LEMON Manuals is launched! Read the announcement.

DTC P0197: Engine Oil Temperature Sensor "A" Circuit Low: Notes

DTC detecting condition: 

Immediately at fault recognition

Trouble symptom: 

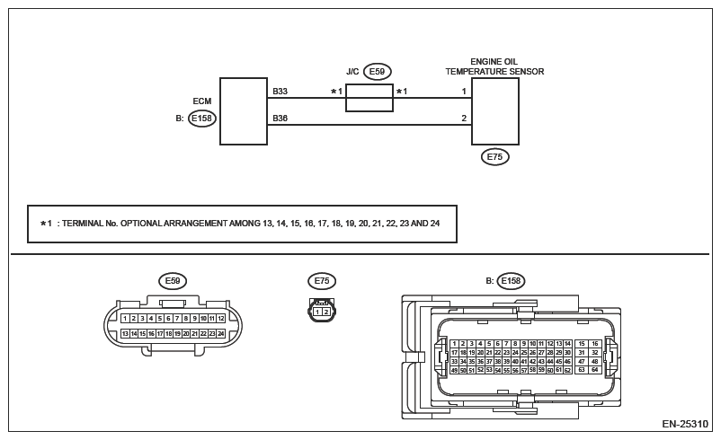
Wiring diagram: 

Engine Electrical System Ref. to WIRING SYSTEM>ENGINE ELECTRICAL SYSTEM .

G16446317Courtesy of SUBARU OF AMERICA, INC.
CAUTION: Use the check board when measuring the ECM terminal voltage and resistance. Ref. to ENGINE (DIAGNOSTICS) (H4DOTC)>GENERAL DESCRIPTION>PREPARATION TOOL>HOW TO USE CHECK BOARD .
NOTE: After the faulty parts are repaired or replaced, perform the final check in Basic Diagnostic Procedure. Ref. to ENGINE (DIAGNOSTICS) (H4DOTC)>BASIC DIAGNOSTIC PROCEDURE>PROCEDURE .
  1. CHECK CURRENT DATA  .
    1. Start the engine.
    2. Using the Subaru Select Monitor, read the value in [Oil Temperature].
      NOTE: For detailed operation procedures, refer to "COMMON (DIAGNOSTICS)". Ref. to COMMON (DIAGNOSTICS)>DATA MONITOR .

    Is the value of [Oil Temperature] 150°C (302°F) or more?

    Yes:  Go to  2.

    No:  Even if DTC is detected, the circuit has returned to a normal condition at this time. Reproduce the failure, and then perform the diagnosis again.

    NOTE: In this case, temporary poor contact of connector, temporary open or short circuit of harness may be the cause.
  2. CHECK HARNESS BETWEEN ECM AND ENGINE OIL TEMPERATURE SENSOR CONNECTOR (SHORT TO GROUND)  .
    1. Turn the ignition switch to OFF.
    2. Disconnect the connector from ECM.
    3. Disconnect the connectors from the engine oil temperature sensor.
    4. Measure the resistance between the ECM connector and engine ground.

      Connector & terminal 

      (E158) No. 36 - Engine ground:

    Is the resistance 1 MΩ or more?

    Yes:  Replace the engine oil temperature sensor. Ref. to FUEL INJECTION (FUEL SYSTEMS) (H4DOTC)>ENGINE OIL TEMPERATURE SENSOR .

    No:  Repair the short circuit to ground in the harness between the ECM connector and engine oil temperature sensor connector.