LEMON Manuals: Even more car manuals for everyone: 1960-2025
Home >> Subaru >> 2023 >> Ascent Base >> Repair and Diagnosis (Single Page) >> Engine Performance >> System >> Engine Control System (Diagnostics) (2 Of 4) >> Diagnostic Procedure with Diagnostic Trouble Code (DTC) >> DTC P04DB: Crankcase Ventilation System (PCV) Disconnected >> Notes
April 5, 2026: LEMON Manuals is launched! Read the announcement.

DTC P04DB: Crankcase Ventilation System (PCV) Disconnected: Notes

DTC detecting condition: 

Immediately at fault recognition

Trouble symptom: 

Improper idling

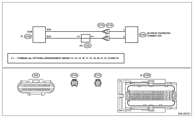
Wiring diagram: 

Engine Electrical System Ref. to WIRING SYSTEM>ENGINE ELECTRICAL SYSTEM .

G16446374Courtesy of SUBARU OF AMERICA, INC.
CAUTION: Use the check board when measuring the ECM terminal voltage and resistance. Ref. to ENGINE (DIAGNOSTICS) (H4DOTC)>GENERAL DESCRIPTION>PREPARATION TOOL>HOW TO USE CHECK BOARD .
NOTE: After the faulty parts are repaired or replaced, perform the final check in Basic Diagnostic Procedure. Ref. to ENGINE (DIAGNOSTICS) (H4DOTC)>BASIC DIAGNOSTIC PROCEDURE>PROCEDURE .
  1. CHECK BLOW-BY HOSE  .

    Check the blow-by hose condition.

    Is there any disconnection or crack in blow-by hose?

    Yes:  Install or replace the blow-by hose.

    No:  Go to  2.

  2. CHECK HARNESS BETWEEN ECM AND BLOW-BY DIAGNOSIS CONNECTOR (OPEN)  .
    1. Turn the ignition switch to OFF.
    2. Disconnect the connector from ECM.
    3. Disconnect the connector from blow-by diagnosis connector.
    4. Measure the resistance of harness between ECM connector and blow-by diagnosis connector.

      Connector & terminal 

      (E158) No. 33 - (E110) No. 2:

      (E158) No. 39 - (E110) No. 1:

    Is the resistance less than 1 Ω?

    Yes:  Go to  3.

    No:  Repair the following item.

    • Open circuit in harness between ECM connector and blow-by diagnosis connector
    • Poor contact of coupling connector
    • Poor contact of J/C
  3. CHECK HARNESS BETWEEN ECM AND BLOW-BY DIAGNOSIS CONNECTOR (SHORT TO GROUND)  .

    Measure the resistance between the blow-by diagnosis connector and engine ground.

    Connector & terminal 

    (E158) No. 33 - Engine ground:

    (E158) No. 39 - Engine ground:

    Is the resistance 1 MΩ or more?

    Yes:  Go to  4.

    No:  Repair the short circuit to ground in harness between ECM connector and blow-by diagnosis connector.

  4. CHECK PCV HOSE ASSEMBLY  .

    Measure the resistance between blow-by diagnosis connector terminals.

    Terminals 

    No. 1 - No. 2:

    Is the resistance less than 1 Ω?

    Yes:  Repair the poor contact of ECM and blow-by diagnosis connector.

    No:  Replace the PCV hose assembly. Ref. to EMISSION CONTROL (AUX. EMISSION CONTROL DEVICES) (H4DOTC)>PCV HOSE ASSEMBLY .