LEMON Manuals: Even more car manuals for everyone: 1960-2025
Home >> Subaru >> 2023 >> Ascent Base >> Repair and Diagnosis (Single Page) >> Engine Performance >> System >> Engine Control System (Diagnostics) (3 Of 4) >> Diagnostic Procedure with Diagnostic Trouble Code (DTC) >> DTC P2016: TGV Position Sensor/Switch Circuit Low Bank 1 >> Notes
April 5, 2026: LEMON Manuals is launched! Read the announcement.

DTC P2016: TGV Position Sensor/Switch Circuit Low Bank 1: Notes

DTC detecting condition: 

Immediately at fault recognition

Trouble symptom: 

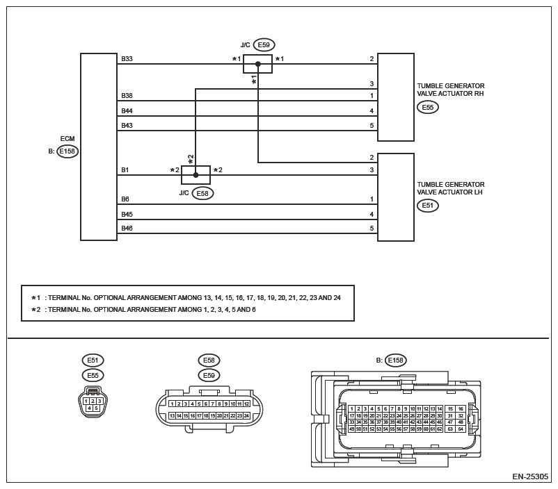
Wiring diagram: 

Engine Electrical System Ref. to WIRING SYSTEM>ENGINE ELECTRICAL SYSTEM .

G16446398Courtesy of SUBARU OF AMERICA, INC.
CAUTION: Use the check board when measuring the ECM terminal voltage and resistance. Ref. to ENGINE (DIAGNOSTICS) (H4DOTC)>GENERAL DESCRIPTION>PREPARATION TOOL>HOW TO USE CHECK BOARD .
NOTE: After the faulty parts are repaired or replaced, perform the final check in Basic Diagnostic Procedure. Ref. to ENGINE (DIAGNOSTICS) (H4DOTC)>BASIC DIAGNOSTIC PROCEDURE>PROCEDURE .
  1. CHECK DTC  .
    1. Turn the ignition switch to ON.
    2. Using the Subaru Select Monitor or a general scan tool, read the DTC of [Engine]. Ref. to COMMON (DIAGNOSTICS)>DIAGNOSTIC TROUBLE CODE (DTC) .

    Is DTC P06B1 or P06B2 displayed? (Current code)

    Yes:  Check the appropriate DTC using the "Diagnostic Trouble Code (DTC)". Ref. to ENGINE (DIAGNOSTICS) (H4DOTC)>DIAGNOSTIC TROUBLE CODE (DTC)>LIST .

    No:  Go to  2.

  2. CHECK DATA MONITOR  .
    1. Start the engine.
    2. Using the Subaru Select Monitor, read the value in [TGV Position Sensor R].
      NOTE: For detailed operation procedures, refer to "COMMON (DIAGNOSTICS)". Ref. to COMMON (DIAGNOSTICS)>DATA MONITOR .

    Is the value of [TGV Position Sensor R] less than 0.2 V?

    Yes:  Go to  3.

    No:  Even if DTC is detected, the circuit has returned to a normal condition at this time. Reproduce the failure, and then perform the diagnosis again.

    NOTE: In this case, temporary poor contact of connector, temporary open or short circuit of harness may be the cause.
  3. CHECK POWER SUPPLY OF TUMBLE GENERATOR VALVE ACTUATOR RH  .
    1. Turn the ignition switch to OFF.
    2. Disconnect the connector from tumble generator valve actuator RH.
    3. Turn the ignition switch to ON.
    4. Measure the voltage between tumble generator valve actuator RH connector and engine ground.

      Connector & terminal 

      (E55) No. 3 (+) - Engine ground (-):

    Is the voltage 4.5 V or more?

    Yes:  Go to  4.

    No:  Repair the following item.

    • Open circuit in harness between ECM connector and tumble generator valve actuator RH connector
    • Poor contact of ECM connector
    • Poor contact of J/C
  4. CHECK HARNESS BETWEEN ECM AND TUMBLE GENERATOR VALVE ACTUATOR RH CONNECTOR (OPEN)  .
    1. Turn the ignition switch to OFF.
    2. Disconnect the connector from ECM.
    3. Measure the resistance of harness between ECM connector and tumble generator valve actuator RH connector.

      Connector & terminal 

      (E158) No. 38 - (E55) No. 1:

    Is the resistance less than 1 Ω?

    Yes:  Go to  5.

    No:  Repair the open circuit in harness between ECM connector and tumble generator valve actuator RH connector.

  5. CHECK HARNESS BETWEEN ECM AND TUMBLE GENERATOR VALVE ACTUATOR RH CONNECTOR (SHORT TO GROUND)  .

    Measure the resistance between the ECM connector and engine ground.

    Connector & terminal 

    (E158) No. 38 - Engine ground:

    Is the resistance 1 MΩ or more?

    Yes:  Go to  6.

    No:  Repair the short circuit to ground in harness between ECM connector and tumble generator valve actuator RH connector.

  6. CHECK FOR POOR CONTACT  .

    Check for poor contact of ECM and tumble generator valve actuator RH connector.

    Is there poor contact of ECM or the tumble generator valve actuator RH connector?

    Yes:  Repair the poor contact of ECM or tumble generator valve actuator RH connector.

    No:  Replace the tumble generator valve actuator RH. Ref. to FUEL INJECTION (FUEL SYSTEMS) (H4DOTC)>TUMBLE GENERATOR VALVE ACTUATOR .

    NOTE: The tumble generator valve actuator cannot be disassembled.