LEMON Manuals: Even more car manuals for everyone: 1960-2025
Home >> Subaru >> 2023 >> Ascent Base >> Repair and Diagnosis >> Body & Frame >> Windows >> Power Window System (Diagnostics) >> General Description >> System Block Diagram
April 5, 2026: LEMON Manuals is launched! Read the announcement.

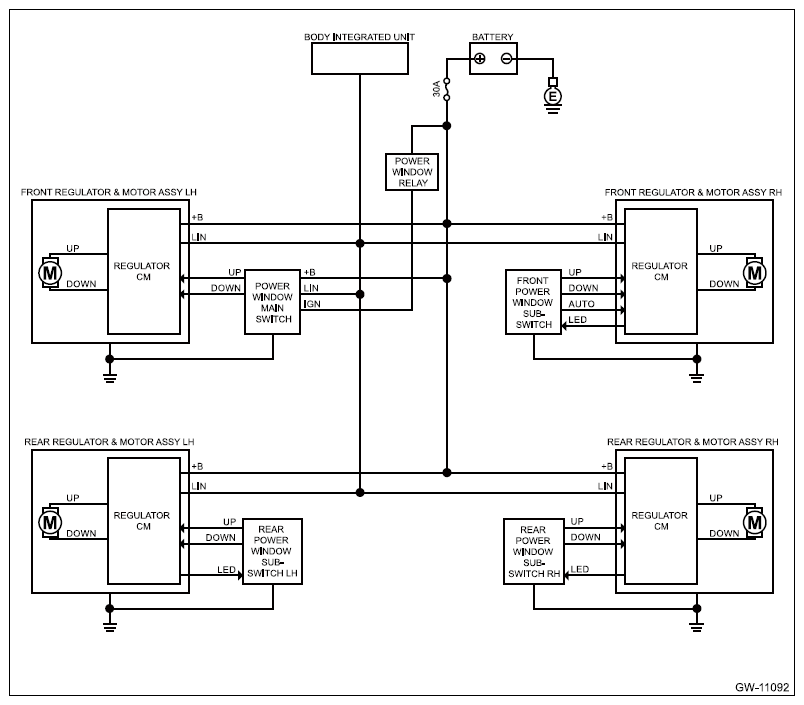
System Block Diagram

The regulator & motor assembly for other than the base grade (all seats) or the regulator & motor assembly for the base grade (front seat) is equipped with a control module that controls the operational speed. It is connected with the body integrated unit via LIN communication. Operation is performed using individual switches. Only the seat equipped with the control module uses PLS signals of motor for auto-reversing and controlling operational speed.

G16447452Courtesy of SUBARU OF AMERICA, INC.