LEMON Manuals: Even more car manuals for everyone: 1960-2025
Home >> Subaru >> 2023 >> BRZ Premium, Automatic Trans >> Repair and Diagnosis >> Engine Performance >> System >> Engine Control System (Diagnostics) (3 Of 4) >> Diagnostic Procedure with Diagnostic Trouble Code (DTC) >> DTC P0851: Park/Neutral Switch Input Circuit Low >> At Model
April 5, 2026: LEMON Manuals is launched! Read the announcement.

At Model

DTC detecting condition: 

Detected when two consecutive driving cycles with fault occur.

Trouble symptom: 

Improper idling

CAUTION: Use the check board when measuring the ECM terminal voltage and resistance. Ref. to ENGINE (DIAGNOSTICS) (H4DO)>GENERAL DESCRIPTION>PREPARATION TOOL>HOW TO USE CHECK BOARD .
NOTE: After the faulty parts are repaired or replaced, perform the final check in Basic Diagnostic Procedure. Ref. to ENGINE (DIAGNOSTICS) (H4DO)>BASIC DIAGNOSTIC PROCEDURE>PROCEDURE .

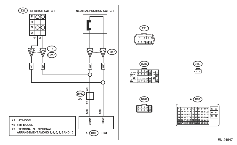
Wiring diagram: 

Engine Electrical System Ref. to WIRING SYSTEM>ENGINE ELECTRICAL SYSTEM .

G16527934Courtesy of SUBARU OF AMERICA, INC.
  1. CHECK SELECT LEVER ROD  .

    Check the select lever rod. Ref. to CONTROL SYSTEMS>SELECT LEVER ROD>INSPECTION .

    Is there any fault in the select lever rod?

    Yes:  Repair or adjust the select lever rod. Ref. to CONTROL SYSTEMS>SELECT LEVER ROD . Ref. to CONTROL SYSTEMS>SELECT LEVER .

    No:  Go to  2.

  2. CHECK INPUT SIGNAL OF ECM  .
    1. Turn the ignition switch to ON.
    2. Place the select lever in a position other than "P" range or "N" range.
    3. Measure the voltage between ECM connector and engine ground.

      Connector & terminal 

      (B62) No. 39 (+) - Engine ground (-):

    Is the voltage 10 V or more?

    Yes:  Repair the poor contact of ECM connector.

    No:  Go to  3.

  3. CHECK HARNESS BETWEEN ECM AND TRANSMISSION HARNESS (SHORT TO GROUND)  .
    1. Turn the ignition switch to OFF.
    2. Disconnect the connector from ECM.
    3. Disconnect the connector from inhibitor switch.
    4. Measure the resistance between the ECM connector and engine ground.

      Connector & terminal 

      (B62) No. 39 - Engine ground:

    Is the resistance 1 MΩ or more?

    Yes:  Replace the inhibitor switch. Ref. to AUTOMATIC TRANSMISSION>INHIBITOR SWITCH .

    No:  Repair the short circuit to ground in harness between ECM connector and inhibitor switch connector.