LEMON Manuals: Even more car manuals for everyone: 1960-2025
Home >> Subaru >> 2023 >> Crosstrek Base, Automatic CVT Trans >> Repair and Diagnosis >> External Pages >> Different variant/trim >> Section 17 (Engine Control System (HEV) (Diagnostics) (General)) >> Diagnostics with Phenomenon >> Check Power Supply And Ground Line Of Engine Control Module (ECM)
April 5, 2026: LEMON Manuals is launched! Read the announcement.

Check Power Supply And Ground Line Of Engine Control Module (ECM)

WARNING: This page is about a different variant/trim than selected.

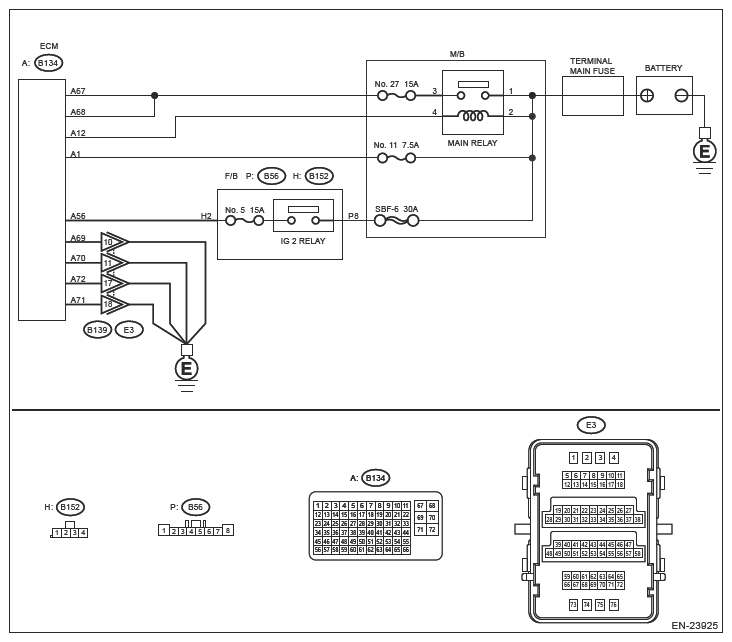
Wiring diagram: 

Engine Electrical System Ref. to WIRING SYSTEM (CROSSTREK MODEL (HEV))>ENGINE ELECTRICAL SYSTEM .

G13237492Courtesy of SUBARU OF AMERICA, INC.
CAUTION: Use the check board when measuring the ECM terminal voltage and resistance. Ref. to ENGINE (DIAGNOSTICS) (H4DO (HEV))>GENERAL DESCRIPTION>PREPARATION TOOL>HOW TO USE CHECK BOARD .
  1. CHECK FOR MALFUNCTION STATUS  .

    Check for the generating condition of starting failure.

    Has the start failure occurred during Auto Start Stop or during EV traveling?

    Yes:  Inspection using "Basic Diagnostic Procedure" of P-HEV hybrid powertrain control module. Ref. to P-HEV HYBRID POWERTRAIN CONTROL (DIAGNOSTICS)>BASIC DIAGNOSTIC PROCEDURE .

    No:  Go to  2.

  2. CHECK M/B (MAIN RELAY)  .
    1. Turn the ignition switch to OFF.
    2. Remove the M/B (main relay).
    3. Check the M/B (main relay). Ref. to FUEL INJECTION (FUEL SYSTEMS) (H4DO (HEV))>MAIN RELAY>INSPECTION .

    Is the check result OK?

    Yes:  Go to  3.

    No:  Replace the M/B (main relay). Ref. to FUEL INJECTION (FUEL SYSTEMS) (H4DO (HEV))>MAIN RELAY .

  3. CHECK GROUND CIRCUIT FOR ECM  .
    1. Disconnect the connector from ECM.
    2. Measure the resistance of harness between ECM connector and engine ground.

      Connector & terminal 

      (B134) No. 69 - Engine ground:

      (B134) No. 70 - Engine ground:

      (B134) No. 71 - Engine ground:

      (B134) No. 72 - Engine ground:

    Is the resistance less than 5 Ω?

    Yes:  Go to  4.

    No:  Repair the harness and connector.

    NOTE: In this case, repair the following item:
    • Open circuit of harness between ECM connector and engine ground
    • Poor contact of coupling connector
  4. CHECK INPUT VOLTAGE OF ECM  .
    1. Turn the ignition switch to ON.
    2. Measure the voltage between ECM connector and engine ground.

      Connector & terminal 

      (B134) No. 1 (+) - Engine ground (-):

      (B134) No. 56 (+) - Engine ground (-):

    Is the voltage 10 V or more?

    Yes:  Go to  5.

    No:  Repair the open or ground short in the harness of power supply circuit.

  5. CHECK M/B (MAIN RELAY) INPUT VOLTAGE  .

    Measure the voltage between M/B (main relay) terminal and engine ground.

    Terminals 

    No. 1 (+) - Engine ground (-):

    No. 2 (+) - Engine ground (-):

    Is the voltage 10 V or more?

    Yes:  Go to  6.

    No:  Repair the open or ground short in the harness of power supply circuit.

  6. CHECK INPUT VOLTAGE OF ECM  .
    1. Turn the ignition switch to OFF.
    2. Install the M/B (main relay).
    3. Measure the voltage between ECM connector and engine ground.

      Connector & terminal 

      (B134) No. 12 (+) - Engine ground (-):

    Is the voltage 10 V or more?

    Yes:  Go to  7.

    No:  Repair the open circuit of harness between ECM connector and M/B (main relay) terminal.

  7. CHECK INPUT VOLTAGE OF ECM  .
    1. Connect the connector to ECM.
    2. Turn the ignition switch to ON.
    3. Measure the voltage between ECM connector and engine ground.

      Connector & terminal 

      (B134) No. 67 (+) - Engine ground (-):

      (B134) No. 68 (+) - Engine ground (-):

    Is the voltage 10 V or more?

    Yes:  Check ignition control system. Ref. to ENGINE (DIAGNOSTICS) (H4DO (HEV))>Diagnostics with Phenomenon>IGNITION CONTROL SYSTEM .

    No:  Repair the harness and connector.

    NOTE: In this case, repair the following item:
    • Open circuit of harness between ECM connector and M/B (main relay) connector
    • Poor contact of M/B (main relay) connector
    • Poor contact of ECM connector
    NOTE: After the faulty parts are repaired or replaced, perform the final check in Basic Diagnostic Procedure. Ref. to ENGINE (DIAGNOSTICS) (H4DO (HEV))>BASIC DIAGNOSTIC PROCEDURE>PROCEDURE .