LEMON Manuals: Even more car manuals for everyone: 1960-2025
Home >> Subaru >> 2023 >> Outback Base >> Repair and Diagnosis >> Engine Performance >> System >> Engine Control System (2.5L) (Diagnostics) (3 Of 4) >> Diagnostic Procedure with Diagnostic Trouble Code (DTC) >> DTC P2008: TGV Control Circuit/Open Bank 1 >> General Description >> Component Description
April 5, 2026: LEMON Manuals is launched! Read the announcement.

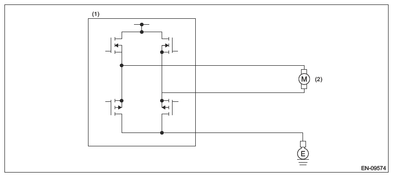
Component Description

G16350547Courtesy of SUBARU OF AMERICA, INC.
(1) Engine control module (ECM)
(2) Tumble generator valve