LEMON Manuals: Even more car manuals for everyone: 1960-2025
Home >> Subaru >> 2023 >> Outback Limited XT >> Repair and Diagnosis (Single Page) >> Engine Performance >> System >> Engine Control System (2.4L) (Diagnostics) (4 Of 4) >> Diagnostic Procedure with Diagnostic Trouble Code (DTC) >> DTC U0077: Lin Communication Bus "ECM/Pcm" Off >> Notes
April 5, 2026: LEMON Manuals is launched! Read the announcement.

DTC U0077: Lin Communication Bus "ECM/Pcm" Off: Notes

DTC detecting condition: 

Immediately at fault recognition

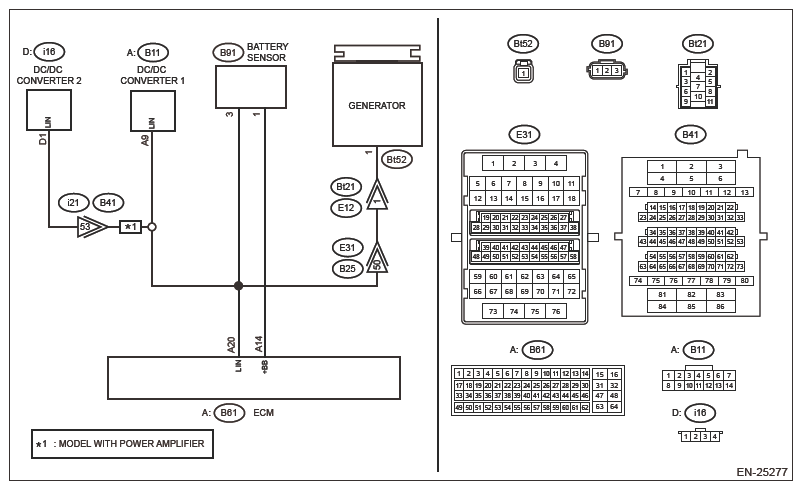
Wiring diagram: 

Engine Electrical System Ref. to WIRING SYSTEM>ENGINE ELECTRICAL SYSTEM .

G16394789Courtesy of SUBARU OF AMERICA, INC.
CAUTION: Use the check board when measuring the ECM terminal voltage and resistance. Ref. to ENGINE (DIAGNOSTICS) (H4DOTC)>GENERAL DESCRIPTION>PREPARATION TOOL>HOW TO USE CHECK BOARD .
NOTE: After the faulty parts are repaired or replaced, perform the final check in Basic Diagnostic Procedure. Ref. to ENGINE (DIAGNOSTICS) (H4DOTC)>BASIC DIAGNOSTIC PROCEDURE>PROCEDURE .
  1. CHECK DTC  .
    1. Turn the ignition switch to ON.
    2. Using the Subaru Select Monitor or a general scan tool, read the DTC of [Engine]. Ref. to COMMON (DIAGNOSTICS)>DIAGNOSTIC TROUBLE CODE (DTC) .

    Is DTC U0077 displayed? (Current code)

    Yes:  Go to  2.

    No:  Even if DTC is detected, the circuit has returned to a normal condition at this time.

    Reproduce the failure, and then perform the diagnosis again.

    NOTE: In this case, temporary poor contact of connector, temporary open or short circuit of harness may be the cause.
  2. CHECK HARNESS BETWEEN ECM AND BATTERY SENSOR, GENERATOR AND DC/DC CONVERTER (OPEN)  .
    1. Turn the ignition switch to OFF.
    2. Disconnect the connector from ECM.
    3. Disconnect the connector from battery sensor.
    4. Disconnect the connector from the generator.
    5. Disconnect the connector from the DC/DC converter 1.
    6. Disconnect the connector from the DC/DC converter 2. (Model with power amplifier)
    7. Measure the resistance of harness between ECM connector and battery sensor connector, generator connector, DC/DC converter 1, and DC/DC converter 2 (model with power amplifier).

      Connector & terminal 

      (B61) No. 20 - (B91) No. 3:

      (B61) No. 20 - (Bt52) No. 1:

      (B61) No. 20 - (B11) No. 9:

      Model with power amplifier; (B61) No. 20 - (i16) No. 1:

    Is the resistance less than 1 Ω?

    Yes:  Go to  3.

    No:  Repair the following item.

    • Open circuit in harness between ECM connector and battery sensor connector
    • Open circuit of harness between ECM connector and generator connector
    • Open circuit in harness between ECM connector and DC/DC converter 1 connector
    • Open circuit in harness between ECM connector and DC/DC converter 2 connector (model with power amplifier)
    • Poor contact of coupling connector
  3. CHECK HARNESS BETWEEN ECM AND BATTERY SENSOR, GENERATOR AND DC/DC CONVERTER (SHORT TO GROUND)  .

    Measure the resistance between the ECM connector and engine ground.

    Connector & terminal 

    (B61) No. 20 - Engine ground:

    Is the resistance 1 MΩ or more?

    Yes:  Go to  4.

    No:  Repair the following item.

    • Short circuit to ground in harness between ECM connector and battery sensor connector
    • Short circuit to ground in harness between ECM connector and generator connector
    • Short circuit to ground in harness between ECM connector and DC/DC converter 1 connector
    • Short circuit to ground in harness between ECM connector and DC/DC converter 2 connector (model with power amplifier)
  4. CHECK HARNESS BETWEEN ECM AND BATTERY SENSOR, GENERATOR AND DC/DC CONVERTER (SHORT TO POWER SUPPLY)  .
    1. Turn the ignition switch to ON.
    2. Measure the voltage between ECM connector and engine ground.

      Connector & terminal 

      (B61) No. 20 - Engine ground:

    Is the voltage less than 1 V?

    Yes:  Go to  5.

    No:  Repair the following item.

    • Short circuit to power supply in harness between ECM connector and battery sensor connector
    • Short circuit to power supply in harness between ECM connector and generator connector
    • Short circuit to power supply in harness between ECM connector and DC/DC converter 1 connector
    • Short circuit to power supply in harness between ECM connector and DC/DC converter 2 connector (model with power amplifier)
  5. CHECK DTC  .
    1. Turn the ignition switch to OFF.
    2. Connect all connectors.
    3. Using the Subaru Select Monitor or a general scan tool, perform the clear memory of [Engine]. Ref. to COMMON (DIAGNOSTICS)>CLEAR MEMORY .
    4. Using the Subaru Select Monitor or a general scan tool, read the DTC of [Engine]. Ref. to COMMON (DIAGNOSTICS)>DIAGNOSTIC TROUBLE CODE (DTC) .

    Is DTC U0077 displayed? (Current code)

    Yes:  Replace the ECM. Ref. to FUEL INJECTION (FUEL SYSTEMS) (H4DOTC)>ENGINE CONTROL MODULE (ECM) .

    No:  Even if DTC is detected, the circuit has returned to a normal condition at this time.

    Reproduce the failure, and then perform the diagnosis again.

    NOTE: In this case, temporary poor contact of connector, temporary open or short circuit of harness may be the cause.