LEMON Manuals: Even more car manuals for everyone: 1960-2025
Home >> Subaru >> 2023 >> Outback Wilderness >> Repair and Diagnosis (Single Page) >> Engine Performance >> System >> Engine Control System (2.4L) (Diagnostics) (2 Of 4) >> Diagnostic Procedure with Diagnostic Trouble Code (DTC) >> DTC P058A: Battery Monitor Module Performance >> Notes
April 5, 2026: LEMON Manuals is launched! Read the announcement.

DTC P058A: Battery Monitor Module Performance: Notes

DTC detecting condition: 

Immediately at fault recognition

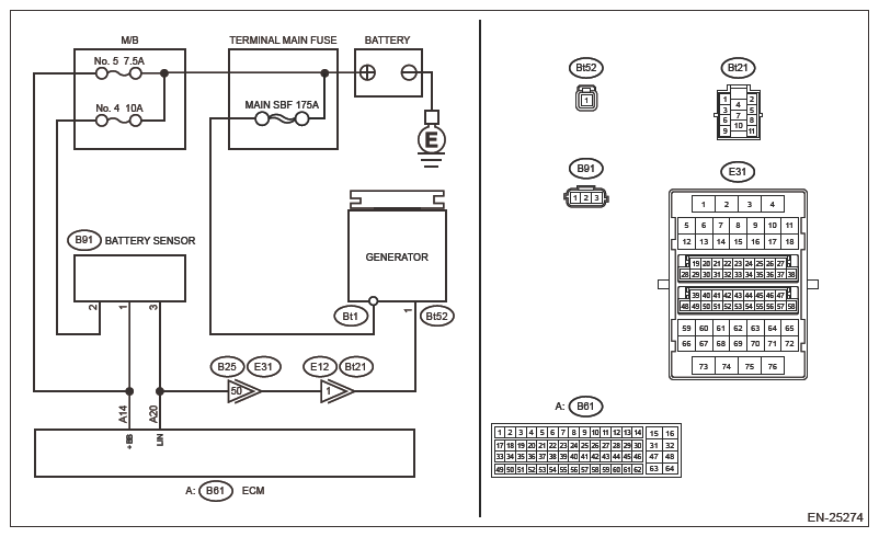
Wiring diagram: 

Engine Electrical System Ref. to WIRING SYSTEM>ENGINE ELECTRICAL SYSTEM .

G16390518Courtesy of SUBARU OF AMERICA, INC.
CAUTION: Use the check board when measuring the ECM terminal voltage and resistance. Ref. to ENGINE (DIAGNOSTICS) (H4DOTC)>GENERAL DESCRIPTION>PREPARATION TOOL>HOW TO USE CHECK BOARD .
NOTE: After the faulty parts are repaired or replaced, perform the final check in Basic Diagnostic Procedure. Ref. to ENGINE (DIAGNOSTICS) (H4DOTC)>BASIC DIAGNOSTIC PROCEDURE>PROCEDURE .
  1. CHECK FUSE (M/B)  .
    1. Turn the ignition switch to OFF.
    2. Remove and check the fuses No. 4 and No. 5. Ref. to WIRING SYSTEM>ENGINE ELECTRICAL SYSTEM .

    Is the fuse blown out?

    Yes  : Repair the following item.

    • Blown out of fuse
    • Short circuit to ground in harness between M/B and battery sensor connector

    No  : Go to  2.

  2. CHECK HARNESS BETWEEN BATTERY AND BATTERY SENSOR (OPEN)  .
    1. Disconnect the ground terminal from battery sensor. Ref. to REPAIR CONTENTS>NOTE>BATTERY .
    2. Disconnect the connector from battery sensor.
    3. Disconnect the positive terminal from the battery.
    4. Measure the resistance of the harness between battery positive cable terminal and battery sensor connector.

      Connector & terminal 

      Positive cable terminal - (B91) No. 1:

      Positive cable terminal - (B91) No. 2:

    Is the resistance less than 1 Ω?

    Yes  : Go to  3.

    No  : Repair the open circuit in harness between battery positive cable terminal and battery sensor connector.

  3. CHECK BATTERY  .

    Check the battery. Ref. to STARTING/CHARGING SYSTEMS (H4DOTC)>BATTERY>INSPECTION .

    NOTE: Check the following items.
    • APPEARANCE
    • Battery voltage
    • Battery check

    Is the check result OK?

    Yes  : Go to  4.

    No  : Charge or replace the battery. Ref. to STARTING/CHARGING SYSTEMS (H4DOTC)>BATTERY . Go to  4.

  4. CHECK FOR REPRODUCTION OF FAILURE  .
    1. Connect the battery. Ref. to REPAIR CONTENTS>NOTE>BATTERY .
    2. Turn the ignition switch to ON.
    3. Using the Subaru Select Monitor or a general scan tool, perform the clear memory of [Engine]. Ref. to COMMON (DIAGNOSTICS)>CLEAR MEMORY .
    4. Turn the ignition switch to OFF.
    5. Leave the battery for 5 seconds or more with the battery sensor connector disconnected, and then reconnect the connector.
    6. With the ignition switch OFF, wait for at least 10 minutes.
      NOTE: In order to complete the self-diagnosis of the battery sensor, it is necessary to wait for 5 minutes or more after the standby current is reduced to 200 mA or less.
    7. 60 seconds after turning the ignition switch to ON, read [Engine] DTC using the Subaru Select Monitor or general scan tool. Ref. to COMMON (DIAGNOSTICS)>DIAGNOSTIC TROUBLE CODE (DTC) .

    Is any of DTC P058A, P058B, P058C, P058D, P058E, P1534 or P1536 displayed? (Current code)

    Yes  : Replace the battery sensor. Ref. to STARTING/CHARGING SYSTEMS (H4DOTC)>BATTERY SENSOR .

    No  : Go to  5.

  5. CHECK DATA MONITOR  .

    Using the Subaru Select Monitor, read the value in [Alternator control check 3].

    NOTE: For detailed operation procedures, refer to "COMMON (DIAGNOSTICS)". Ref. to COMMON (DIAGNOSTICS)>DATA MONITOR .

    Is the value of [Alternator control check 3] 0?

    Yes  : Go to procedure 4 in step 4.

    NOTE: As it is possible that the self-diagnosis of the battery sensor was not complete due unstable standby current, extend the standby time in procedure 6 in step 4 to perform inspection again.

    No  : Finish the diagnosis.

    NOTE: DTC may be stored due to weak battery or temporary poor contact, etc.