LEMON Manuals: Even more car manuals for everyone: 1960-2025
Home >> Subaru >> 2024 >> Ascent Limited >> Repair and Diagnosis >> Engine Performance >> System >> Engine Control System (Diagnostics) (2 Of 4) >> Diagnostic Procedure with Diagnostic Trouble Code (DTC) >> DTC P0300: Random/Multiple Cylinder Misfire Detected >> Notes
April 5, 2026: LEMON Manuals is launched! Read the announcement.

DTC P0300: Random/Multiple Cylinder Misfire Detected: Notes

  1. DTC detecting condition: 

    • Detected when two consecutive driving cycles with fault occur.
    • Immediately at fault recognition (A misfire which could damage catalyst occurs.)

    Trouble symptom: 

    • Engine stall
    • Improper idling
    • Rough driving

    Wiring diagram: 

    Engine electrical system Ref. to WIRING SYSTEM>ENGINE ELECTRICAL SYSTEM .

G00680294Courtesy of SUBARU OF AMERICA, INC.
CAUTION: Use the check board when measuring the ECM terminal voltage and resistance. Ref. to ENGINE (DIAGNOSTICS) (H4DOTC)>GENERAL DESCRIPTION>PREPARATION TOOL>HOW TO USE CHECK BOARD .
NOTE: After the faulty parts are repaired or replaced, perform the final check in Basic Diagnostic Procedure. Ref. to ENGINE (DIAGNOSTICS) (H4DOTC)>BASIC DIAGNOSTIC PROCEDURE>PROCEDURE .
  1. CHECK PCV HOSE  .

    Check the PCV hose. Ref. to EMISSION CONTROL (AUX. EMISSION CONTROL DEVICES) (H4DOTC)>PCV HOSE>INSPECTION .

    Is the check result OK?

    Yes:  Go to  2.

    No:  Repair or replace the PCV hose. Ref. to EMISSION CONTROL (AUX. EMISSION CONTROL DEVICES) (H4DOTC)>PCV HOSE .

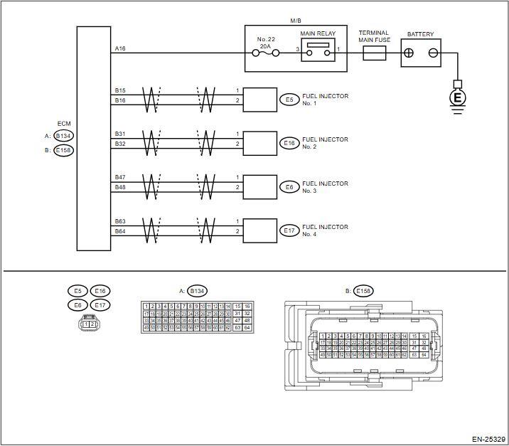
  2. CHECK HARNESS BETWEEN ECM AND FUEL INJECTOR CONNECTOR (SHORT TO GROUND)  .
    1. Turn the ignition switch to OFF.
    2. Disconnect the connector from ECM.
    3. Disconnect the connector from all fuel injectors.
    4. Measure the resistance between all fuel injector connectors and engine ground.

      Connector & terminal 

      #1 (E5) No. 1 - Engine ground:

      #1 (E5) No. 2 - Engine ground:

      #2 (E16) No. 1 - Engine ground:

      #2 (E16) No. 2 - Engine ground:

      #3 (E6) No. 1 - Engine ground:

      #3 (E6) No. 2 - Engine ground:

      #4 (E17) No. 1 - Engine ground:

      #4 (E17) No. 2 - Engine ground:

    Is the resistance 1 MΩ or more?

    Yes:  Go to  3.

    No:  Repair the short circuit to ground in harness between ECM and fuel injector connector.

  3. CHECK HARNESS BETWEEN ECM AND FUEL INJECTOR CONNECTOR (OPEN)  .

    Measure the resistance of harness between ECM and fuel injector connector on all cylinders.

    Connector & terminal 

    #1 (E158) No. 15 - (E5) No. 1:

    #1 (E158) No. 16 - (E5) No. 2:

    #2 (E158) No. 31 - (E16) No. 1:

    #2 (E158) No. 32 - (E16) No. 2:

    #3 (E158) No. 47 - (E6) No. 1:

    #3 (E158) No. 48 - (E6) No. 2:

    #4 (E158) No. 63 - (E17) No. 1:

    #4 (E158) No. 64 - (E17) No. 2:

    Is the resistance less than 1 Ω?

    Yes:  Go to  4.

    No:  Repair the open circuit of the harness between the ECM connector and fuel injector connector.

  4. CHECK ALL CYLINDERS  .

    Check the following items for cylinder.

    • Spark plug
    • Ignition coil
    • Fuel injector
    • Compression pressure
    • Skipping timing chain teeth

    Is there a fault in any cylinder?

    Yes:  Repair or replace the faulty part of the faulty cylinder.

    Go to  5.

    No:  Check for DTC P0171. Ref. to ENGINE (DIAGNOSTICS) (H4DOTC)>DIAGNOSTIC PROCEDURE WITH DIAGNOSTIC TROUBLE CODE (DTC)>DTC P0171 SYSTEM TOO LEAN BANK 1 .

  5. CHECK FUEL INJECTOR  .

    Check all fuel injectors. Ref. to FUEL INJECTION (FUEL SYSTEMS) (H4DOTC)>FUEL INJECTOR>INSPECTION .

    Is the check result OK?

    Yes:  Go to  6.

    No:  Replace the faulty fuel injector. Ref. to FUEL INJECTION (FUEL SYSTEMS) (H4DOTC)>FUEL INJECTOR .

  6. CHECK AIR INTAKE SYSTEM  .

    Check the installing condition of the air intake system.

    Are there holes, loose bolts or disconnection of hose on air intake system?

    Yes:  Repair the air intake system. Ref. to INTAKE (INDUCTION) (H4DOTC)>GENERAL DESCRIPTION .

    No:  Go to  7.

  7. CHECK INSTALLATION CONDITION OF CAMSHAFT POSITION SENSOR AND CRANKSHAFT POSITION SENSOR  .

    Check the installation condition of the camshaft position sensor and crankshaft position sensor.

    Is the camshaft position sensor or crankshaft position sensor loosely installed?

    Yes:  Tighten the camshaft position sensor or crankshaft position sensor.

    Ref. to FUEL INJECTION (FUEL SYSTEMS) (H4DOTC)>CAMSHAFT POSITION SENSOR . Ref. to FUEL INJECTION (FUEL SYSTEMS) (H4DOTC)>CRANKSHAFT POSITION SENSOR .

    No:  Go to  8.

  8. CHECK CRANKSHAFT POSITION SENSOR PLATE  .

    Check the crankshaft position sensor plate. Ref. to FUEL INJECTION (FUEL SYSTEMS) (H4DOTC)>CRANKSHAFT POSITION SENSOR PLATE>INSPECTION .

    Is the crankshaft position sensor plate rusted or does it have broken teeth?

    Yes:  Replace the crankshaft position sensor plate. Ref. to FUEL INJECTION (FUEL SYSTEMS) (H4DOTC)>CRANKSHAFT POSITION SENSOR PLATE .

    No:  Go to  9.

  9. CHECK INSTALLATION CONDITION OF TIMING CHAIN  .

    Turn the crankshaft using the Subaru ST, and align the alignment mark on crank sprocket with alignment mark on cylinder block.

    Subaru ST 18252AA000 CRANKSHAFT SOCKET 

    Is the timing chain dislocated from its proper position?

    Yes:  Correct the installation condition of timing chain. Ref. to MECHANICAL (H4DOTC)>TIMING CHAIN ASSEMBLY .

    No:  Go to  10.

  10. CHECK STATUS OF MALFUNCTION INDICATOR LIGHT  .
    1. Turn the ignition switch to ON.
    2. Using the Subaru Select Monitor or a general scan tool, perform the clear memory of [Engine]. Ref. to COMMON (DIAGNOSTICS)>CLEAR MEMORY .
    3. Start the engine, and drive the vehicle at 60 km/h (37.3 MPH) or more for 10 minutes or more.
      WARNING: Observe the traffic law on the public road and prioritize safety driving.
      NOTE: Refill the fuel before driving so that the fuel level meter indicates above "Lower" level.

    Does the malfunction indicator light illuminate or blink?

    Yes:  Repair the following item.

    • Poor contact of ignition coil connector
    • Poor contact of fuel injector connector on faulty cylinders
    • Poor contact of ECM connector

    No:  Finish the diagnosis.