LEMON Manuals: Even more car manuals for everyone: 1960-2025
Home >> Subaru >> 2024 >> BRZ Premium >> Repair and Diagnosis >> Engine Performance >> System >> Engine Control System (Diagnostics) - Introduction >> General Description >> System Block Diagram
April 5, 2026: LEMON Manuals is launched! Read the announcement.

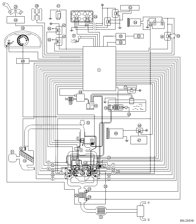
System Block Diagram

G16527721Courtesy of SUBARU OF AMERICA, INC.
(1) Engine control module (ECM)
(2) Ignition coil
(3) Crankshaft position sensor
(4) Intake camshaft position sensor
(5) Exhaust camshaft position sensor
(6) Electronic throttle control sensor
(7) Fuel injector (for port injection)
(8) Engine coolant temperature sensor
(9) Manifold absolute pressure sensor
(10) Mass air flow and intake air temperature sensor
(11) Purge control solenoid valve
(12) Knock sensor
(13) PCV valve
(14) Air cleaner
(15) Canister
(16) Ignition relay
(17) Fuel pump relay
(18) Fuel filter
(19) Fuel pump
(20) Front catalytic converter
(21) Rear catalytic converter
(22) Front oxygen (A/F) sensor
(23) Rear oxygen sensor
(24) Radiator fan
(25) Inhibitor switch (AT model)
(26) Combination meter
(27) High-pressure fuel pump
(28) Neutral switch (MT model)
(29) Fuel injector (for cylinder direct injection)
(30) Fuel level sensor
(31) Resonator 1
(32) Resonator 2
(33) Fuel pressure sensor
(34) Intake oil control solenoid
(35) Exhaust oil control solenoid
(36) Engine oil temperature sensor
(37) Accelerator pedal position sensor
(38) Oil pressure switch
(39) Drain filter
(40) Battery sensor
(41) Starter
(42) Starter cut relay
(43) Starter relay
(44) Leak check valve ASSY
(45) A/C compressor
(46) A/C relay
(47) A/C control module
(48) Body integrated unit
(49) Transmission control module (TCM) (AT model)
(50) VSC (VDC) control module and hydraulic control unit (VSCCM & H/U)
(51) ABS wheel speed sensor
(52) Keyless access control module
(53) Ignition switch
(54) Generator
(55) Data link connector
(56) To IG
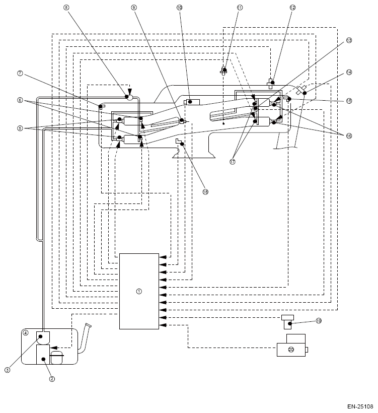
G16527722Courtesy of SUBARU OF AMERICA, INC.
(1) Engine control module (ECM)
(2) Fuel pump
(3) Fuel filter
(4) Fuel tank
(5) Fuel injector (for port injection) LH
(6) Fuel injector (for cylinder direct injection) LH
(7) Camshaft position sensor LH
(8) High-pressure fuel pump
(9) Manifold absolute pressure sensor
(10) Electronic throttle control sensor
(11) Engine coolant temperature sensor
(12) Front oxygen (A/F) sensor
(13) Fuel pressure sensor
(14) Rear oxygen sensor
(15) Camshaft position sensor RH
(16) Fuel injector (for port injection) RH
(17) Fuel injector (for cylinder direct injection) RH
(18) Crankshaft position sensor
(19) Mass air flow and intake air temperature sensor
(20) Starter