LEMON Manuals: Even more car manuals for everyone: 1960-2025
Home >> Subaru >> 2024 >> Forester Base >> Repair and Diagnosis (Single Page) >> Engine Performance >> System >> Engine Control System (Diagnostics) (2 Of 4) >> Diagnostic Procedure with Diagnostic Trouble Code (DTC) >> DTC P0606: Control Module Processor >> General Description >> Component Description
April 5, 2026: LEMON Manuals is launched! Read the announcement.

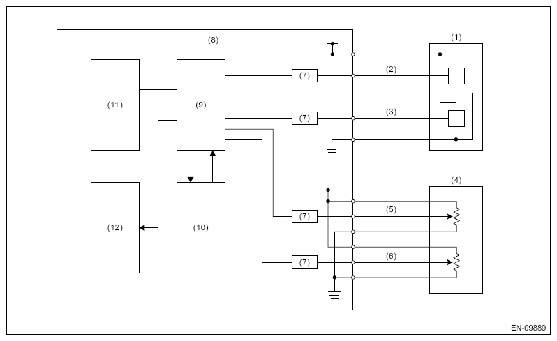
Component Description

G16350448Courtesy of SUBARU OF AMERICA, INC.
(1) Throttle position sensor
(2) Throttle position sensor 1
(3) Throttle position sensor 2
(4) Accelerator pedal position sensor
(5) Accelerator pedal position sensor 1
(6) Accelerator pedal position sensor 2
(7) I/F circuit
(8) Engine control module (ECM)
(9) CPU
(10) Monitoring IC
(11) EEPROM
(12) Output IC