LEMON Manuals: Even more car manuals for everyone: 1960-2025
Home >> Subaru >> 2024 >> Forester Base >> Repair and Diagnosis (Single Page) >> Engine Performance >> System >> Engine Control System (Diagnostics) (4 Of 4) >> Diagnostic Procedure with Diagnostic Trouble Code (DTC) >> DTC P2402: EVAP System Leak Detection Pump Control Circuit High >> General Description >> Component Description
April 5, 2026: LEMON Manuals is launched! Read the announcement.

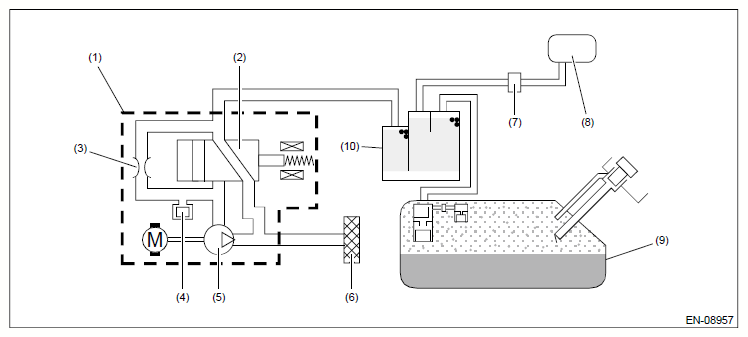
Component Description

G10410059Courtesy of SUBARU OF AMERICA, INC.
(1) Leak check valve ASSY
(2) Switching valve
(3) Reference orifice (0.02 inch orifice)
(4) Pressure sensor
(5) Vacuum pump
(6) Drain filter
(7) Purge control solenoid valve
(8) Intake manifold
(9) Fuel tank
(10) Canister