LEMON Manuals: Even more car manuals for everyone: 1960-2025
Home >> Subaru >> 2024 >> WRX Base >> Repair and Diagnosis (Single Page) >> Engine Performance >> System >> Engine Control System (Diagnostics) (3 Of 4) >> Diagnostic Procedure with Diagnostic Trouble Code (DTC) >> DTC P2009: TGV Control Circuit Low Bank 1 >> General Description >> Component Description
April 5, 2026: LEMON Manuals is launched! Read the announcement.

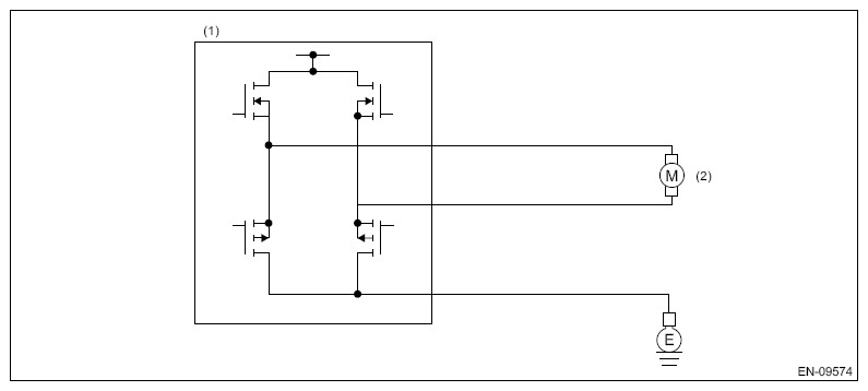
Component Description

G16542262Courtesy of SUBARU OF AMERICA, INC.
(1) Engine control module (ECM)
(2) Tumble generator valve